GM Service Manual Online
For 1990-2009 cars only
Makes
🢒
Chevrolet
🢒
2000
🢒
Chevy C Pickup - 2WD
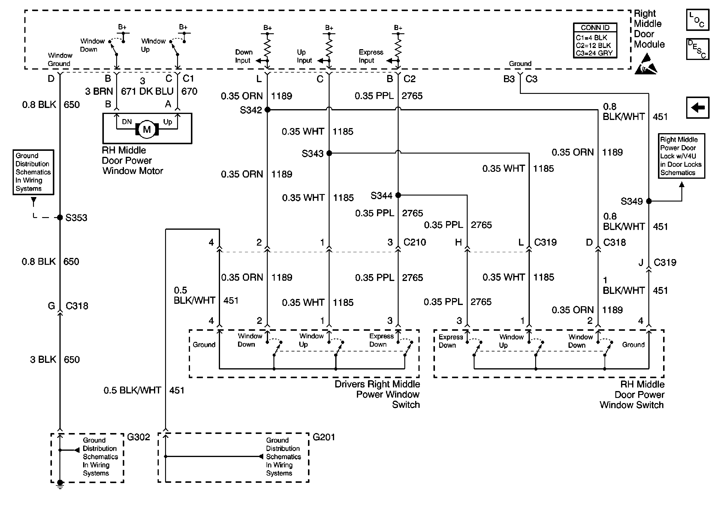
🢒 RH Middle Door Power Window
RH Middle Door Power Window
RH Middle Door Power Window
Power Door Systems Components
Power Windows Circuit Description
LH Middle Door Power Window
Handling ESD Sensitive Parts Notice
G302-V4U/B9Q
G302-V4U/B9Q
RH Middle Door Power Door Lock (w/ V4U)
G201-V4U/BQ9