GM Service Manual Online
For 1990-2009 cars only
Makes
🢒
Chevrolet
🢒
2000
🢒
Chevy C Pickup - 2WD
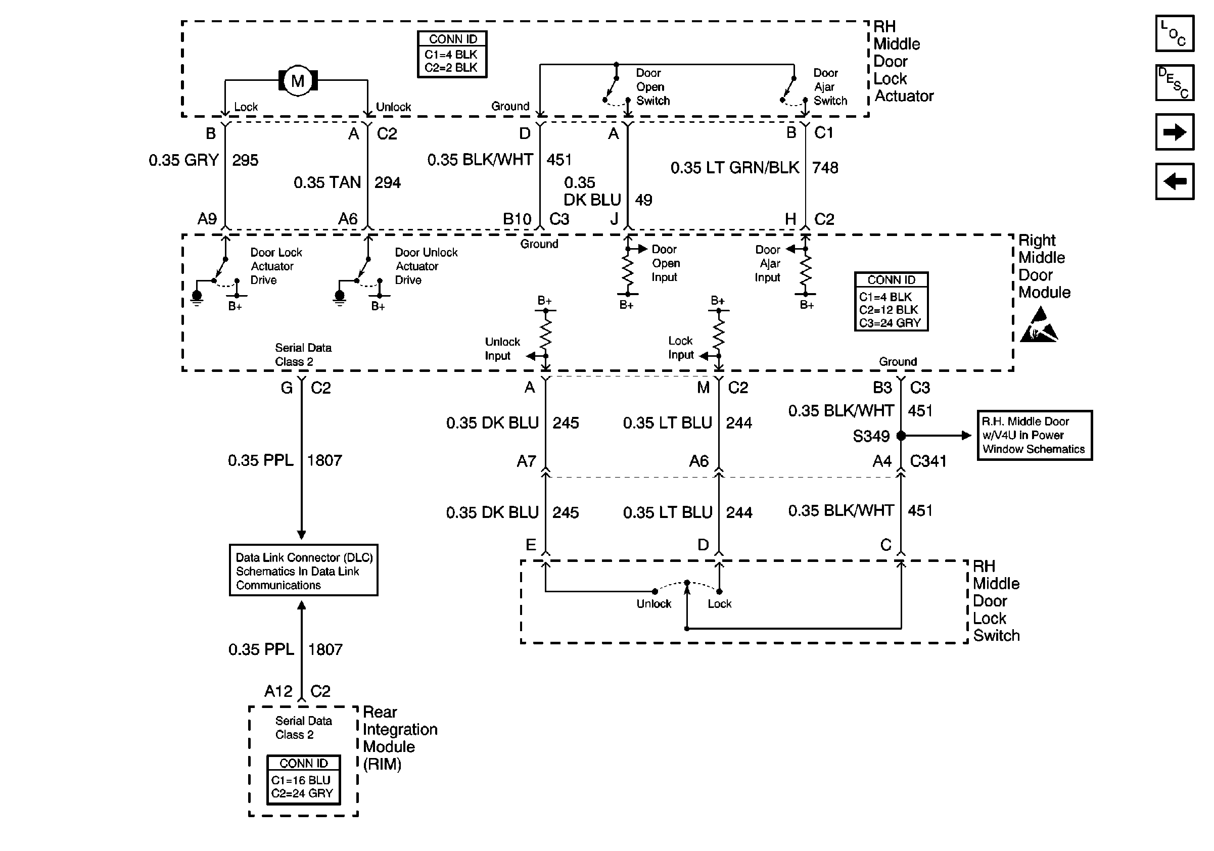
🢒 RH Middle Door Power Door Lock (w/ V4U)
RH Middle Door Power Door Lock (w/ V4U)
RH Middle Door Power Door Lock (w/ V4U)
Power Door Systems Components
Power Door Locks Circuit Description
Right Rear Door Power Door Lock (w/o B9Q)
Passenger Front Door Power Door Lock w/ B9Q
Handling ESD Sensitive Parts Notice
Serial Data Class 2 (2 of 3)
RH Middle Door Power Window