GM Service Manual Online
For 1990-2009 cars only

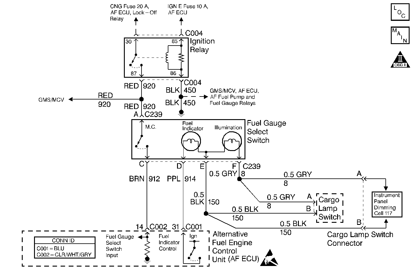
Object Number: 357778  Size: MF
Engine Controls Components
Engine Controls Schematics
OBD II Symbol Description Notice
Handling ESD Sensitive Parts Notice

Circuit Description

The fuel gauge select switch assembly contains three components. The fuel gauge select switch is used to indicate to the AF ECU that the operator of the vehicle has requested the fuel gauge display the level of fuel for the DORMANT or non-operating fuel system. The fuel indicator lamp (FIL) is used by the AF ECU to indicate to the operator of the vehicle which fuel system is in use. When illuminated the vehicle is operating on gasoline. The illumination bulb is used for switch location purposes during night-time driving conditions.

The fuel gauge select switch is supplied power by the Ignition relay whenever the ignition is in the ON or RUN positions. The AF ECU monitors the fuel gauge select switch Input circuit for this voltage. When the switch is depressed and the contacts close the AF ECU will energize or de-energize (depending on the fuel system in use) the fuel gauge relay allowing the fuel gauge to display the fuel level of the dormant fuel system.

The fuel indicator lamp (FIL) is supplied power by the AF ECU and the ground path is supplied by the vehicle illumination circuit ground supply. The AF ECU will supply power to the FIL for a two second bulb check at ignition ON during CNG operation or continuously during gasoline operation when the ignition is in the ON or RUN positions. The illumination bulb is supplied power by the head lamp switch assembly and the ground path is supplied by the vehicle illumination circuit ground supply.

Test Description

The number(s) below refer to the step number(s) on the diagnostic table.

  1. The AF Powertrain OBD System Check MUST be performed before proceeding with this diagnostic table. Failure to perform the OBD System Check will result in mis-diagnosis.

  2. This step checks for proper operation of the FIL.

  3. The FIL should only stay illuminated when the engine is operating on gasoline.

  4. This step checks the AF ECUs ability to operate the FIL.

  5. This step checks the ground circuit to the fuel gauge select switch/fuel indicator lamp assembly. If the illumination bulb fails to operate then the failure must be the ground circuit or the switch assembly.

  6. This step checks for a shorted Fuel Indicator Lamp control circuit or a shorted fuel gauge selector switch/fuel indicator lamp assembly

  7. If the CNG fuse opens when the switch is depressed check for the Fuel Gauge Select Switch Input circuit shorted to ground or an internally shorted AF ECU.

    This step checks the AF ECUs ability to monitor the Fuel Gauge Select Switch Input circuit.

  8. If the CNG fuse or the jumper fuse opens when the circuit is jumpered check for the Fuel Gauge Select Switch Input circuit shorted to ground or an internally shorted AF ECU. In addition a short may have damaged the fuel gauge select switch.

  9. Inspect the harness for a disconnected cargo lamp harness connector.

Step

Action

Value(s)

Yes

No

1

Were you sent here from other diagnostic service information?

--

Go to Step 2

Go to Alternative Fuels (AF) Powertrain On Board (OBD) System Check

2

  1. Turn the ignition OFF and wait 30 seconds.
  2. Observe the fuel indicator lamp (FIL) located in the fuel gauge select switch button.
  3. Turn the ignition ON leaving the engine OFF.

Did the FIL illuminate for a two second bulb check and then go OFF?

--

Go to Step 9

Go to Step 3

3

Did the FIL remain illuminated?

--

Go to Step 4

Go to Step 6

4

  1. Using the scan tool establish communications with the AF ECU.
  2. Command the FIL OFF.

Does the FIL go OFF when commanded?

--

Go to Step 5

Go to Step 8

5

  1. Determine the cause of gasoline engine operation. Possible causes include the following:
  2. • Empty CNG fuel tank
    • an inaccurate fuel pressure sensor indicating low CNG fuel when tank has fuel
    • an AF ECU DTC is set
  3. Fill CNG tank or repair vehicle as necessary.

Is the repair complete?

--

Go to Step 22

--

6

  1. Observe the fuel gauge select switch ILLUMINATION bulb.
  2. Turn the dash lights ON with the dash dimmer adjusted to full brightness.

Is the ILLUMINATION bulb ON?

--

Go to Step 7

Go to Step 11

7

  1. Turn the dash lights OFF.
  2. Remove the fuel gauge select switch from the instrument panel.
  3. Disconnect the fuel gauge select switch connector (C239).
  4. Connect the J 35616-200 Un-powered Test Lamp between the Fuel Indicator Control circuit terminal (D) and the bulb ground circuit terminal (E).
  5. Turn the ignition OFF and wait 30 seconds.
  6. Observe the test lamp as you turn the ignition ON leaving the engine OFF.

Did the test lamp illuminate for a two second bulb check OR remain ON?

--

Go to Step 20

Go to Step 12

8

  1. Turn the ignition OFF and wait 30 seconds.
  2. Disconnect the AF ECU connectors.
  3. Observe the fuel indicator lamp (FIL) located in the fuel gauge select switch button.
  4. Turn the ignition ON leaving the engine OFF.

Is the FIL illuminated?

--

Go to Step 16

Go to Step 21

9

  1. Using the scan tool observe the Fuel Gauge Select Switch input parameter.
  2. Depress and release the fuel gauge select switch button. Refer to Test Descriptions .

Did the scan tool parameter indicate a change in the fuel gauge type was requested?

--

Go to Step 10

Go to Step 13

10

Is there a fuel gauge operation or accuracy concern?

--

Go to Fuel Gauge Relay Diagnosis

System OK

11

  1. Remove the fuel gauge select switch from the instrument panel.
  2. Disconnect the fuel gauge select switch connector (C239).
  3. Connect the J 35616-200 Un-powered Test Lamp between BATTERY POSITIVE and the bulb ground circuit terminal (E).
  4. Observe the test lamp with the ignition ON.

Is the test lamp illuminated?

--

Go to Step 20

Go to Step 17

12

  1. Turn the ignition OFF and wait 30 seconds.
  2. Disconnect the AF ECU connectors.
  3. Check the Fuel Indicator Control circuit for continuity between the AF ECU connector terminal and the fuel gauge select switch connector terminal (C).

Is circuit continuity indicated?

--

Go to Step 21

Go to Step 18

13

  1. Remove the fuel gauge select switch from the instrument panel.
  2. Disconnect the fuel gauge select switch connector (C239).
  3. Connect the J 35616-200 Un-powered Test Lamp between the switch supply circuit terminal (A) and a known good ground.
  4. Observe the test lamp with the ignition ON.

Is the test lamp illuminated?

--

Go to Step 14

Go to Step 19

14

  1. Using the scan tool observe the fuel gauge select switch input parameter.
  2. Connect a fused jumper between the switch supply circuit terminal (A) and the Fuel Gauge Select Switch Input circuit terminal (C). Refer to Test Descriptions .

Did the scan tool parameter indicate a change in the fuel gauge type was requested when the circuit was jumpered?

--

Go to Step 20

Go to Step 15

15

  1. Turn the ignition OFF and wait 30  seconds.
  2. Disconnect the AF ECU connectors.
  3. Check the Fuel Gauge Select Switch Input circuit for the following:
  4. • an open circuit
    • a shorted to voltage circuit
    • poor terminal contact at the AF ECU connector or the switch connector
  5. Repair wiring or terminals as necessary.

Was a wiring or terminal repair necessary?

--

Go to Step 22

Go to Step 21

16

Repair the short to voltage on the Fuel Indicator Control circuit or replace the internally shorted fuel gauge select switch.

Is the repair or replacement complete?

--

Go to Step 22

--

17

Repair the open bulb ground circuit to the fuel gauge select switch terminal (E).

Is the repair complete?

--

Go to Step 22

--

18

Repair the open Fuel Indicator Control circuit or terminals.

Is the repair complete?

--

Go to Step 22

--

19

Repair the open fuel gauge select switch power supply circuit between the switch terminal (A) and the circuit splice.

Is the repair complete?

--

Go to Step 22

--

20

Replace the fuel gauge select switch assembly. Refer to Fuel Gauge Selector Switch/Fuel Indicator Lamp Replacement

Is the replacement complete?

--

Go to Step 22

--

21

  1. Replace the AF ECU. Refer to Engine Control Unit Replacement .
  2. Program (flash) the replacement control module with the correct vehicle software and calibration.

Is the replacement complete?

--

Go to Step 22

--

22

  1. Remove all test equipment except the scan tool.
  2. Connect any dis-connected components, fuses, etc.
  3. Using a scan tool clear DTC information from the AF ECU and the gasoline control module (VCM/PCM or ECM).
  4. Turn the ignition OFF and wait 30 seconds.
  5. Start the engine and operate the vehicle.
  6. Observe the fuel indicator lamp and the MIL.
  7. Observe vehicle performance and driveability.
  8. After operating the vehicle inspect BOTH control modules for stored DTCs.

Does the vehicle operate on CNG with normal driveability, no FIL/MIL illumination and no stored DTCs?

--

System OK

Go to Alternative Fuels (AF) Powertrain On Board (OBD) System Check