GM Service Manual Online
For 1990-2009 cars only
Figure 1:

Cell 21: MIL, PCM Power and Ground


Object Number: 363089  Size: FS
Engine Controls Components
Powertrain Control Module Description
Cell 21: Serial Data
OBD II Symbol Description Notice
Handling ESD Sensitive Parts Notice
Cell 10: Underhood Bussed Electrical Center, Electronic Brake Control ModuLe
Cell 10: Underhood Bussed Electrical Center, Data Link Connector
Cell 10: Underhood Bussed Electrical Center, Electronic Brake Control ModuLe
Cell 10: Underhood Bussed Electrical Center, Secondary Air Injection Pump Relay
Power Distribution Schematics
Cell 81: Left Bussed Electrical Center, Splice Pack SP205, Splice PackSP203
Cell 14: Vehicle Control Module, S103, G102
Figure 2:

Cell 21: Serial Data


Object Number: 363093  Size: FS
Engine Controls Components
Powertrain Control Module Description
Cell 21: Ignition Controls - Odd
Cell 21: MIL, PCM Power and Ground
OBD II Symbol Description Notice
Handling ESD Sensitive Parts Notice
Cell 10: Underhood Bussed Electrical Center, Data Link Connector
Cell 10: Underhood Bussed Electrical Center, Data Link Connector
Cell 50
Cell 14: Vehicle Control Module, S103, G102
Cell 14: Vehicle Control Module, S103, G102
Cell 14: Vehicle Control Module, S103, G102
Cell 14: Vehicle Control Module, S103, G102
Cell 14: Vehicle Control Module, S103, G102
Cell 14: Full Feature Seat Heated/Memory Seat Switch, Light Bar Switch
Figure 3:

Cell 21: Ignition Controls - Odd


Object Number: 363096  Size: FS
Engine Controls Components
Powertrain Control Module Description
Cell 21: Ignition Controls - Even
Cell 21: Serial Data
OBD II Symbol Description Notice
Handling ESD Sensitive Parts Notice
Cell 10: Crankshaft Position Sensor, Fuel Injector 8
Ground Distribution Schematics
Figure 4:

Cell 21: Ignition Controls - Even


Object Number: 363100  Size: FS
Engine Controls Components
Powertrain Control Module Description
Cell 21: CMP, CKP, KS
Cell 21: Ignition Controls - Odd
OBD II Symbol Description Notice
Handling ESD Sensitive Parts Notice
Cell 10: Crankshaft Position Sensor, Fuel Injector 8
Cell 14: Underhood Bussed Electrical Center, Windshield Wiper Motor
Figure 5:

Cell 21: CMP, CKP, KS


Object Number: 363103  Size: FS
Engine Controls Components
Powertrain Control Module Description
Cell 21: Fuel Controls
Cell 21: Ignition Controls - Even
OBD II Symbol Description Notice
Handling ESD Sensitive Parts Notice
Figure 6:

Cell 21: Fuel Controls


Object Number: 363113  Size: FS
Engine Controls Components
Powertrain Control Module Description
Cell 21: Fuel Injectors
Cell 21: CMP, CKP, KS
OBD II Symbol Description Notice
Handling ESD Sensitive Parts Notice
Cell 14: Vehicle Control Module, S103, G102
Cell 14: Vehicle Control Module, S103, G102
Cell 10: Underhood Bussed Electrical Center, Data Link Connector
Figure 7:

Cell 21: Fuel Injectors


Object Number: 363121  Size: FS
Engine Controls Components
Powertrain Control Module Description
Cell 21: ECT, IAC, IAT, MAF, MAP, TP
Cell 21: Fuel Controls
OBD II Symbol Description Notice
Handling ESD Sensitive Parts Notice
Cell 10: Crankshaft Position Sensor, Fuel Injector 8
Cell 10: Crankshaft Position Sensor, Fuel Injector 8
Figure 8:

Cell 21: ECT, IAC, IAT, MAF, MAP, TP


Object Number: 363124  Size: FS
Engine Controls Components
Powertrain Control Module Description
Cell 21: Oxygen Sensors
Cell 21: Fuel Injectors
OBD II Symbol Description Notice
Handling ESD Sensitive Parts Notice
Cell 10: Underhood Bussed Electrical Center, Bussed Fuses
Cell 14: Vehicle Control Module, S103, G102
Figure 9:

Cell 21: Oxygen Sensors


Object Number: 363128  Size: FS
Engine Controls Components
Powertrain Control Module Description
Cell 21: Secondary AIR Controls
Cell 21: ECT, IAC, IAT, MAF, MAP, TP
OBD II Symbol Description Notice
Handling ESD Sensitive Parts Notice
Cell 10: Underhood Bussed Electrical Center, Bussed Fuses
Cell 14: Underhood Bussed Electrical Center, Windshield Wiper Motor
Figure 10:

Cell 21: Secondary AIR Controls


Object Number: 363132  Size: FS
Engine Controls Components
Powertrain Control Module Description
Cell 21: VSS
Cell 21: Oxygen Sensors
OBD II Symbol Description Notice
Handling ESD Sensitive Parts Notice
Cell 10: Underhood Bussed Electrical Center, Bussed Fuses
Cell 10: Underhood Bussed Electrical Center, Headlamp Dimmer Switch
Cell 14: Underhood Bussed Electrical Center, Windshield Wiper Motor
Figure 11:

Cell 21: VSS


Object Number: 363137  Size: FS
Engine Controls Components
Powertrain Control Module Description
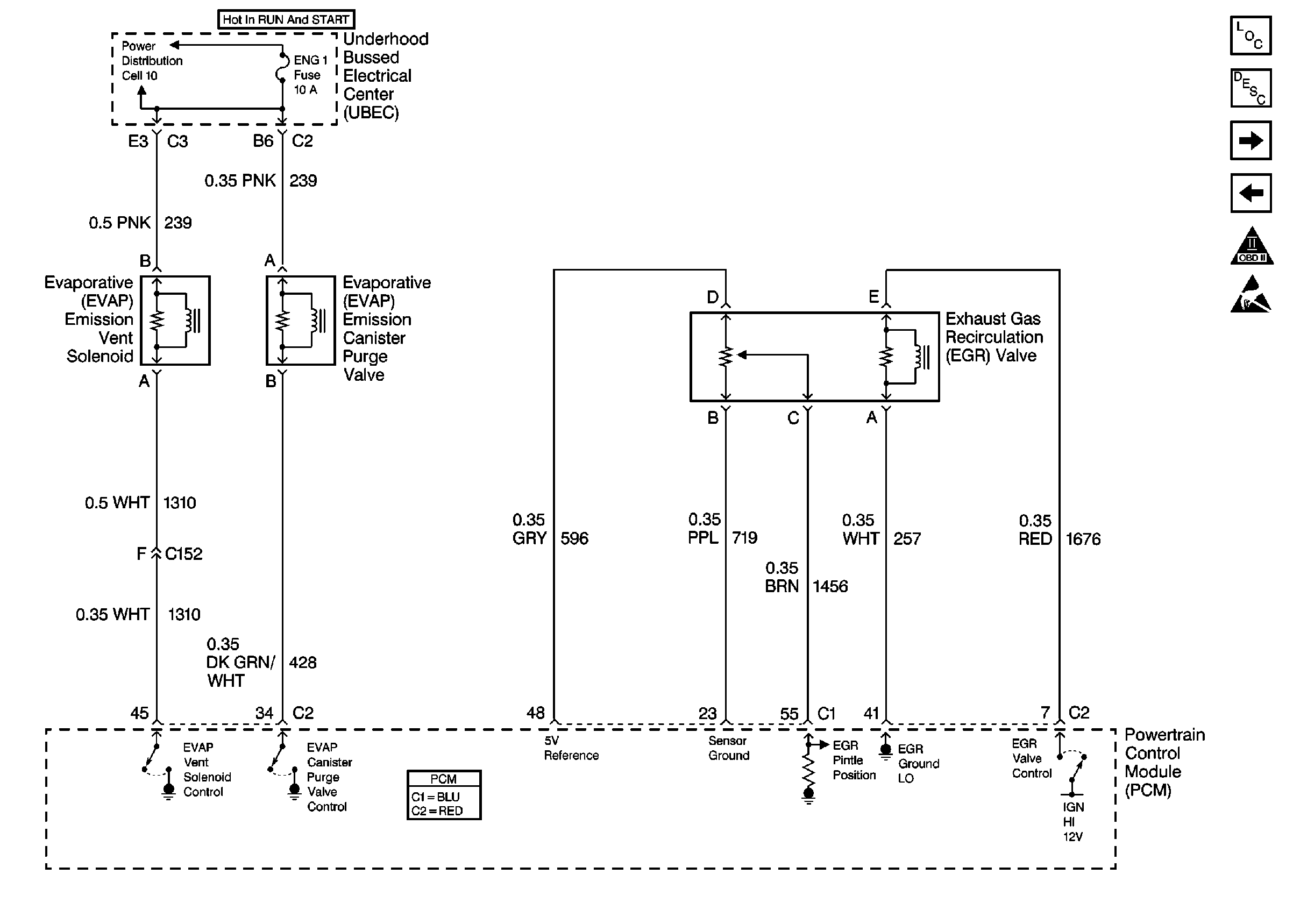
Cell 21: EVAP Controls
Cell 21: Secondary AIR Controls
OBD II Symbol Description Notice
Handling ESD Sensitive Parts Notice
Figure 12:

Cell 21: EVAP Controls


Object Number: 363141  Size: FS
Engine Controls Components
Powertrain Control Module Description
Cell 21: Engine Oil Level, Engine Coolant Level, 4WD Switches, Cruise Input, Generator Input
Cell 21: VSS
OBD II Symbol Description Notice
Handling ESD Sensitive Parts Notice
Cell 10: Underhood Bussed Electrical Center, Bussed Fuses
Figure 13:

Cell 21: Engine Oil Level, Engine Coolant Level, 4WD Switches, Cruise Input, Generator Input


Object Number: 363142  Size: FS
Engine Controls Components
Powertrain Control Module Description
Cell 21: Stoplamp/CPP Switches
Cell 21: EVAP Controls
OBD II Symbol Description Notice
Handling ESD Sensitive Parts Notice
Cell 14: Vehicle Control Module, S103, G102
Figure 14:

Cell 21: Stoplamp/CPP Switches


Object Number: 363147  Size: FS
Engine Controls Components
Powertrain Control Module Description
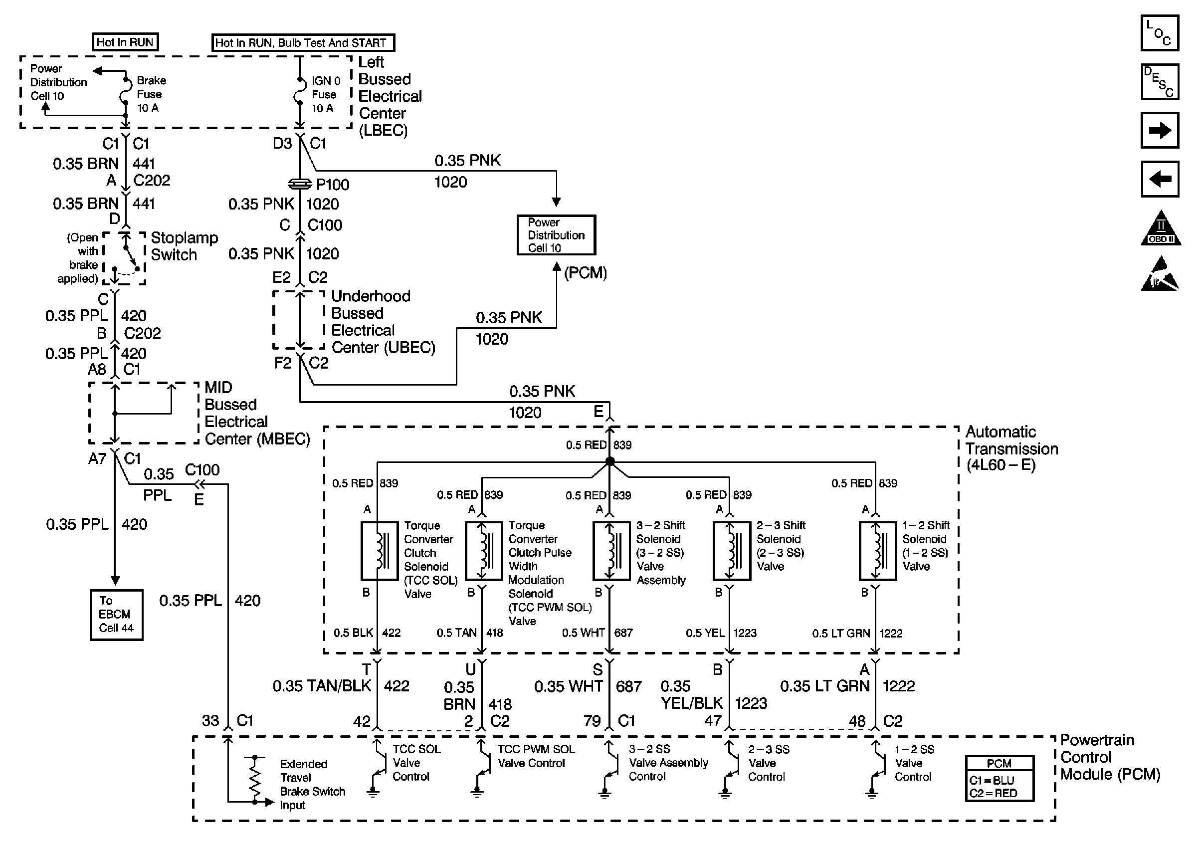
Cell 21: Stoplamp Switch, Transmission Controls (4L80-E)
Cell 21: Engine Oil Level, Engine Coolant Level, 4WD Switches, Cruise Input, Generator Input
OBD II Symbol Description Notice
Handling ESD Sensitive Parts Notice
Cell 10: Left Bussed Electrical Center, Electronic Brake Control Module
Figure 15:

Cell 21: Stoplamp Switch, Transmission Controls (4L60-E)


Object Number: 363159  Size: FS
Engine Controls Components
Powertrain Control Module Description
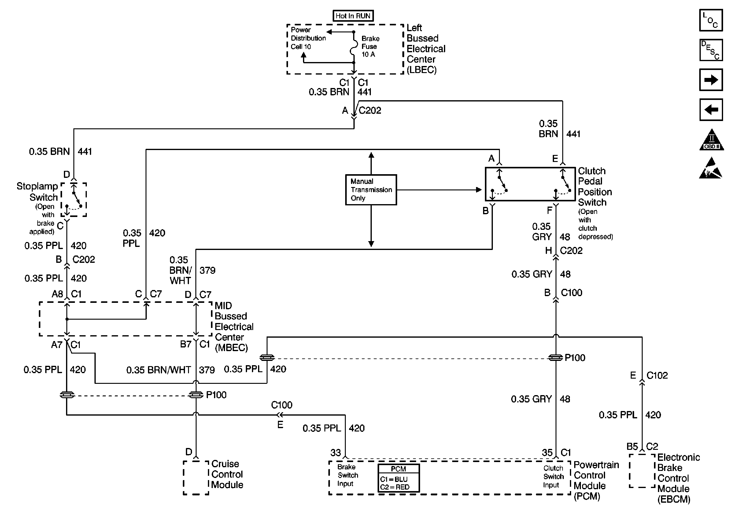
Cell 21: PNP Switch, Tow/Haul Switch
Cell 21: Stoplamp Switch, Transmission Controls (4L80-E)
OBD II Symbol Description Notice
Handling ESD Sensitive Parts Notice
Cell 10: Left Bussed Electrical Center, Electronic Brake Control Module
Power Distribution Schematics
Cell 44: Left Bussed Electrical Center, Splice Pack SP205
Figure 16:

Cell 21: Stoplamp Switch, Transmission Controls (4L80-E)


Object Number: 363162  Size: FS
Engine Controls Components
Powertrain Control Module Description
Cell 21: Stoplamp Switch, Transmission Controls (4L60-E)
Cell 21: Stoplamp/CPP Switches
OBD II Symbol Description Notice
Handling ESD Sensitive Parts Notice
Cell 10: Left Bussed Electrical Center, Electronic Brake Control Module
Power Distribution Schematics
Cell 44: Left Bussed Electrical Center, Splice Pack SP205
Figure 17:

Cell 21: PNP Switch, Tow/Haul Switch


Object Number: 363164  Size: FS
Engine Controls Components
Powertrain Control Module Description
Cell 21: A/C Controls
Cell 21: Stoplamp Switch, Transmission Controls (4L60-E)
OBD II Symbol Description Notice
Handling ESD Sensitive Parts Notice
Cell 50
Cell 14: Horn Switch, C201C, C207C
Cell 14: Full Feature Seat Heated/Memory Seat Switch, Light Bar Switch
Cell 14: Vehicle Control Module, S103, G102
Figure 18:

Cell 21: A/C Controls


Object Number: 363165  Size: FS
Engine Controls Components
Powertrain Control Module Description
Cell 21: PNP Switch, Tow/Haul Switch
OBD II Symbol Description Notice
Handling ESD Sensitive Parts Notice
Cell 14: Underhood Bussed Electrical Center, Windshield Wiper Motor