GM Service Manual Online
For 1990-2009 cars only
Makes
🢒
Chevrolet
🢒
1999
🢒
Chevy C Silverado - 2WD
🢒
Brakes
🢒
Antilock Brake System
🢒 Antilock Brake System Schematics
Figure
1:
Cell 44: Front Axle Actuator Switch, Wheel Speed Sensor LF
ABS Components
ABS Description
Cell 44: Left Bussed Electrical Center, Splice Pack SP205
Handling ESD Sensitive Parts Notice
Cell 14: Underhood Bussed Electrical Center, Windshield Wiper Motor
Cell 20: G102, G104, Generator
Cell 21: G102, G104, Cruise Control Module
Cell 14: Vehicle Control Module, S103, G102
Figure
2:
Cell 44: Left Bussed Electrical Center, Splice Pack SP205
ABS Components
ABS Description
Cell 44: Front Axle Actuator Switch, Wheel Speed Sensor LF
Handling ESD Sensitive Parts Notice
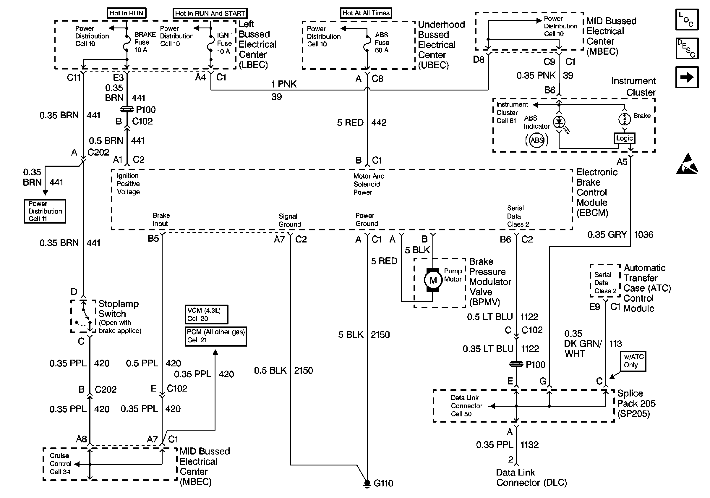
Cell 10: Left Bussed Electrical Center, Electronic Brake Control Module
Cell 10: Underhood Bussed Electrical Center, Electronic Brake Control ModuLe
Cell 10: Underhood Bussed Electrical Center, Electronic Brake Control ModuLe
Cell 10: A/C Compressor Relay, Auxiliary Power Outlet
Cell 81: Left Bussed Electrical Center, Splice Pack SP205, Splice PackSP203
Cell 10: Left Bussed Electrical Center, Electronic Brake Control Module
Cell 20: Left Bussed Electrical Center, Automatic Transmission
Cell 21: Clutch Position Switch, Electronic Brake Control Module
Cell 34: Underhood Bussed Electrical Center, Powertrain Control Module
Cell 50