GM Service Manual Online
For 1990-2009 cars only
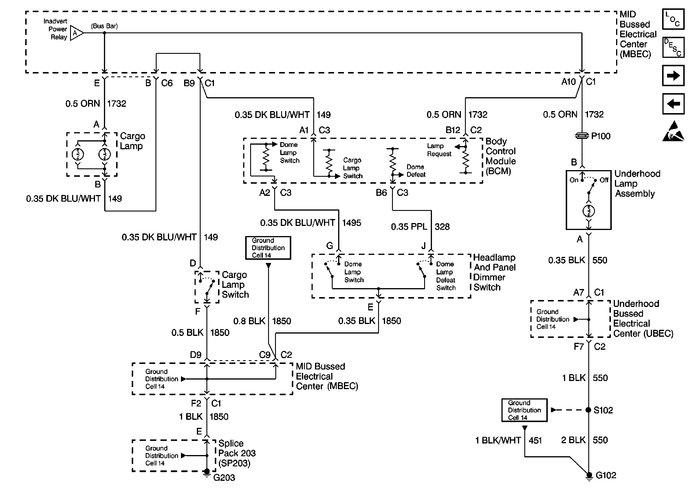
Figure 1:

Cell 114: Underhood Bussed Electrical Center, Splice Pack 203


Object Number: 301327  Size: FS
Lighting Systems Components
Interior Lights Circuit Description
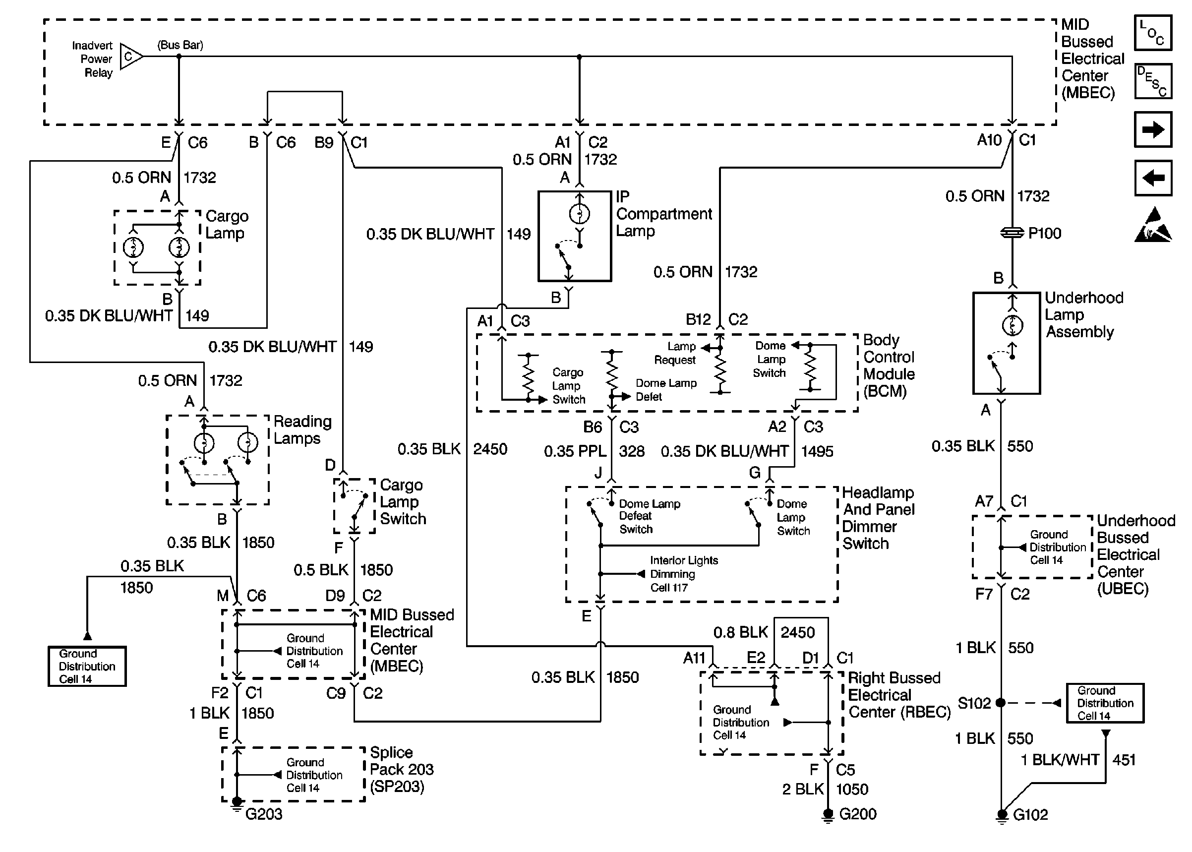
Cell 114: MID Bussed Electrical Center, Underhood Lamp Assembly
Handling ESD Sensitive Parts Notice
Cell 10: Underhood Bussed Electrical Center, HVAC Blower Switch
Cell 114: MID Bussed Electrical Center, Underhood Lamp Assembly
Cell 14: Horn Switch, C201C, C207C
Cell 14: Full Feature Seat Heated/Memory Seat Switch, Light Bar Switch
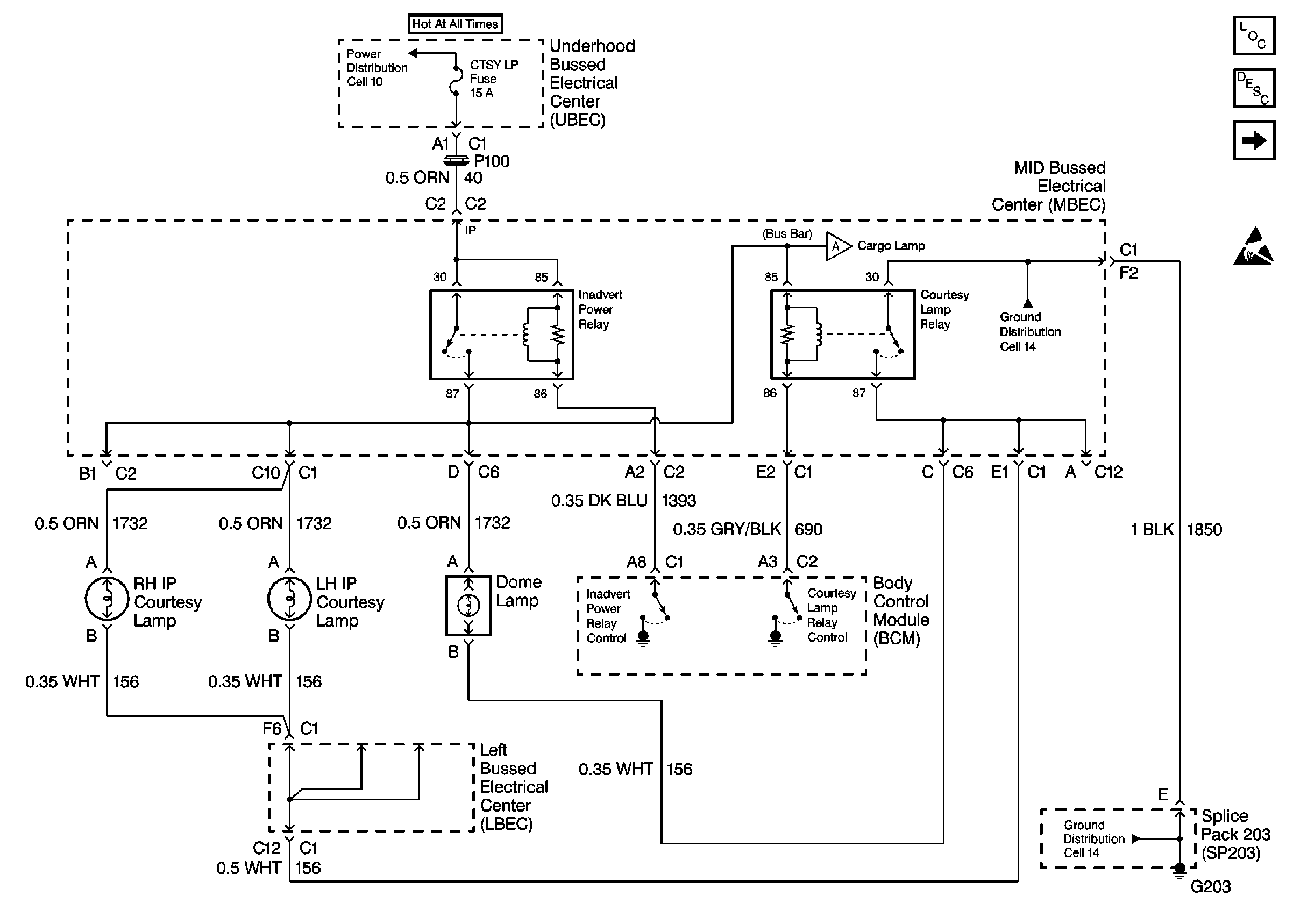
Figure 2:

Cell 114: MID Bussed Electrical Center, Underhood Lamp Assembly


Object Number: 301328  Size: FS
Lighting Systems Components
Interior Lights Circuit Description
Cell 114: Body Control Module, Headlamp and Dimmer Switch
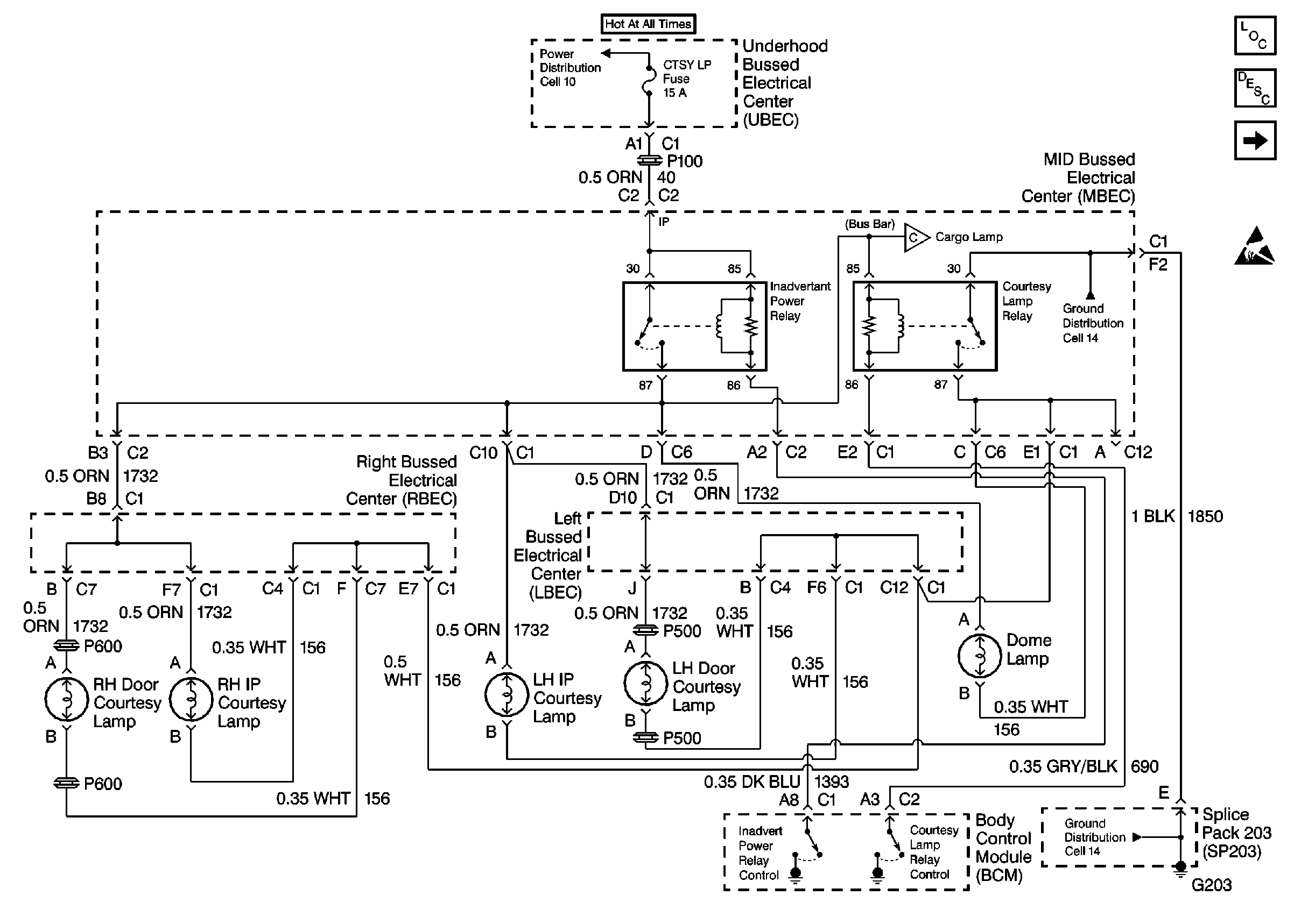
Cell 114: Underhood Bussed Electrical Center, Splice Pack 203
Handling ESD Sensitive Parts Notice
Cell 114: Underhood Bussed Electrical Center, Splice Pack 203
Cell 14: Horn Switch, C201C, C207C
Cell 14: Horn Switch, C201C, C207C
Cell 14: Underhood Bussed Electrical Center, Windshield Wiper Motor
Cell 14: Full Feature Seat Heated/Memory Seat Switch, Light Bar Switch
Cell 14: Vehicle Control Module, S103, G102
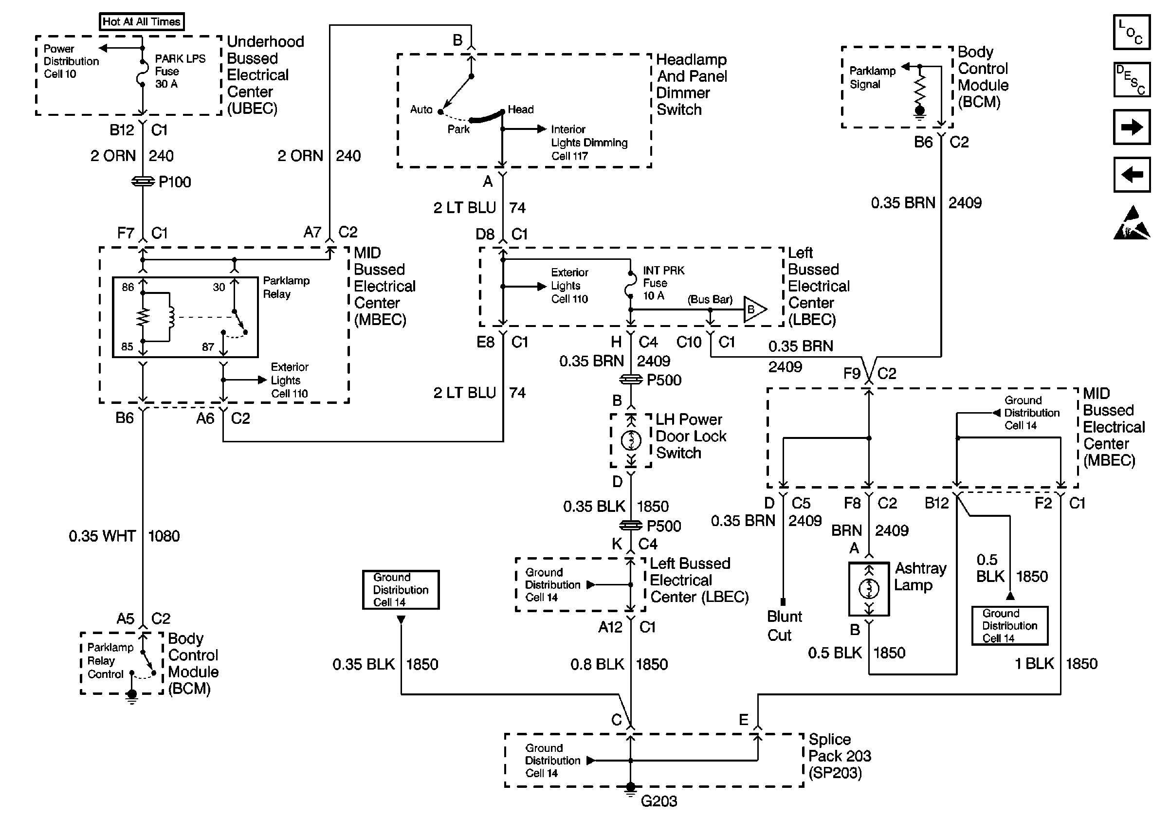
Figure 3:

Cell 114: Body Control Module, Headlamp and Dimmer Switch


Object Number: 370886  Size: FS
Lighting Systems Components
Interior Lights Circuit Description
Cell 114: Left Bussed Electrical Center, RH Power Door Lock Switch
Cell 114: MID Bussed Electrical Center, Underhood Lamp Assembly
Handling ESD Sensitive Parts Notice
Cell 10: Underhood Bussed Electrical Center, HVAC Blower Switch
Cell 117: G203, Headlamp and Panel Dimmer Switch
Cell 110: Roof Marker and Clearance Lamps
Cell 114: Left Bussed Electrical Center, RH Power Door Lock Switch
Cell 14: Horn Switch, C201C, C207C
Cell 14: Full Feature Seat Heated/Memory Seat Switch, Light Bar Switch
Cell 14: Full Feature Seat Heated/Memory Seat Switch, Light Bar Switch
Cell 14: Horn Switch, C201C, C207C
Cell 14: Full Feature Seat Heated/Memory Seat Switch, Light Bar Switch
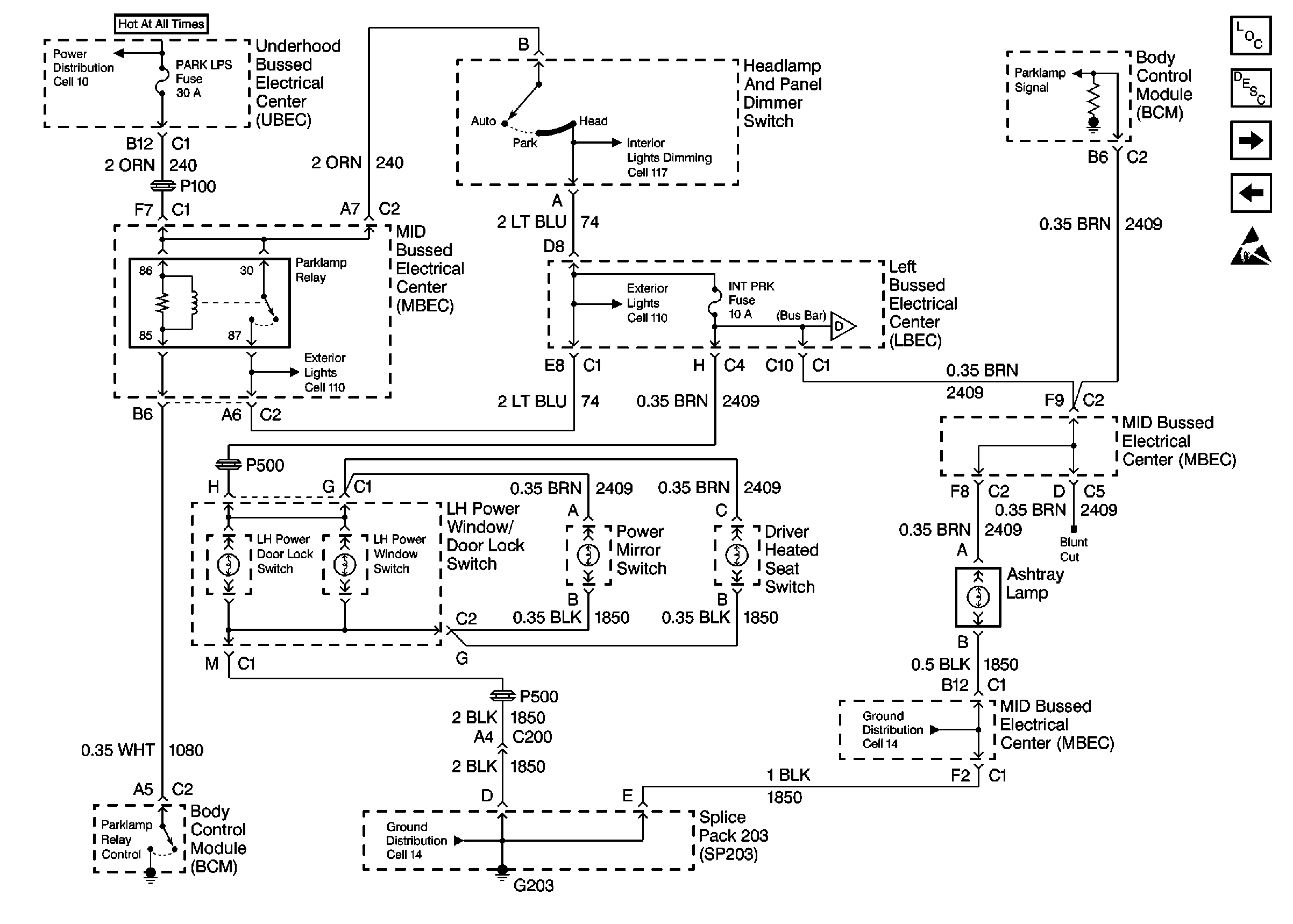
Figure 4:

Cell 114: Left Bussed Electrical Center, RH Power Door Lock Switch


Object Number: 370887  Size: FS
Lighting Systems Components
Interior Lights Circuit Description
Cell 114: Body Control Module, Headlamp and Dimmer Switch
Handling ESD Sensitive Parts Notice
Cell 114: Body Control Module, Headlamp and Dimmer Switch
Cell 14: Full Feature Seat Heated/Memory Seat Switch, Light Bar Switch
Cell 14: Full Feature Seat Heated/Memory Seat Switch, Light Bar Switch
Cell 14: Horn Switch, C201C, C207C
Cell 14: Full Feature Seat Heated/Memory Seat Switch, Light Bar Switch
Cell 14: Full Feature Seat Heated/Memory Seat Switch, Light Bar Switch
Figure 5:

Cell 114: Right Bussed Electrical Center, LH IP Courtesy Lamp


Object Number: 301329  Size: FS
Lighting Systems Components
Interior Lights Circuit Description
Cell 114: MID Bussed Electrical Center, Underhood Lamp Assembly
Handling ESD Sensitive Parts Notice
Power Distribution Schematics
Ground Distribution Schematics
Ground Distribution Schematics
Cell 114: MID Bussed Electrical Center, Underhood Lamp Assembly
Figure 6:

Cell 114: Underhood Lamp Assembly, Cargo Lamp Switch


Object Number: 301330  Size: FS
Lighting Systems Components
Interior Lights Circuit Description
Cell 114: Body Control Module, Ash Tray Lamp, Power Mirror Switch
Cell 114: Left Bussed Electrical Center, RH Power Door Lock Switch
Handling ESD Sensitive Parts Notice
Cell 114: Left Bussed Electrical Center, RH Power Door Lock Switch
Cell 117: G203, Headlamp and Panel Dimmer Switch
Cell 14: Full Feature Seat Heated/Memory Seat Switch, Light Bar Switch
Cell 14: Underhood Bussed Electrical Center, Windshield Wiper Motor
Cell 14: Full Feature Seat Heated/Memory Seat Switch, Light Bar Switch
Cell 14: Full Feature Seat Heated/Memory Seat Switch, Light Bar Switch
Cell 14: Temperature Door Motor, Passenger Heated Seat Switch, Roof Marker Lamps
Cell 14: Vehicle Control Module, S103, G102
Figure 7:

Cell 114: Body Control Module, Ash Tray Lamp, Power Mirror Switch


Object Number: 301331  Size: FS
Lighting Systems Components
Interior Lights Circuit Description
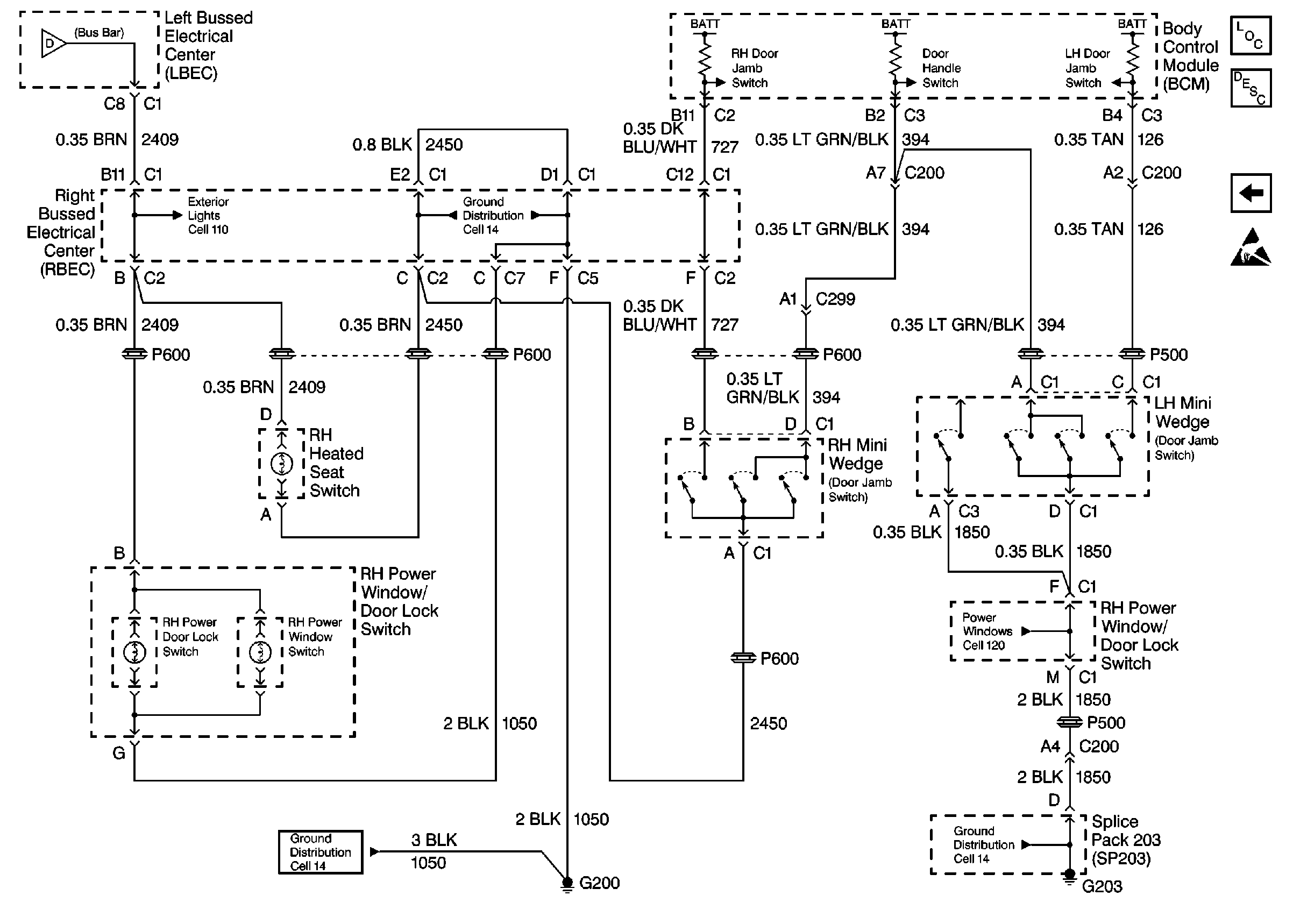
Cell 114: LH MinWedge Door Jamb Switch, RH Power Window/Door Lock Switch
Cell 114: Underhood Lamp Assembly, Cargo Lamp Switch
Handling ESD Sensitive Parts Notice
Cell 10: Underhood Bussed Electrical Center, HVAC Blower Switch
Cell 117: G203, Headlamp and Panel Dimmer Switch
Cell 110: Park Lamp Control and Front Marker Lamps
Cell 110: Roof Marker and Clearance Lamps
Cell 114: LH MinWedge Door Jamb Switch, RH Power Window/Door Lock Switch
Cell 14: Horn Switch, C201C, C207C
Cell 14: Full Feature Seat Heated/Memory Seat Switch, Light Bar Switch
Figure 8:

Cell 114: LH MinWedge Door Jamb Switch, RH Power Window/Door Lock Switch


Object Number: 301332  Size: FS
Lighting Systems Components
Interior Lights Circuit Description
Cell 114: Body Control Module, Ash Tray Lamp, Power Mirror Switch
Handling ESD Sensitive Parts Notice
Cell 114: Body Control Module, Ash Tray Lamp, Power Mirror Switch
Cell 110: Roof Marker and Clearance Lamps
Cell 14: Temperature Door Motor, Passenger Heated Seat Switch, Roof Marker Lamps
Cell 120: Right Power Window/Door Switch, Right Power Window Motor
Cell 14: Temperature Door Motor, Passenger Heated Seat Switch, Roof Marker Lamps
Cell 14: Full Feature Seat Heated/Memory Seat Switch, Light Bar Switch