GM Service Manual Online
For 1990-2009 cars only
Makes
🢒
Chevrolet
🢒
2000
🢒
Chevy C Silverado - 2WD
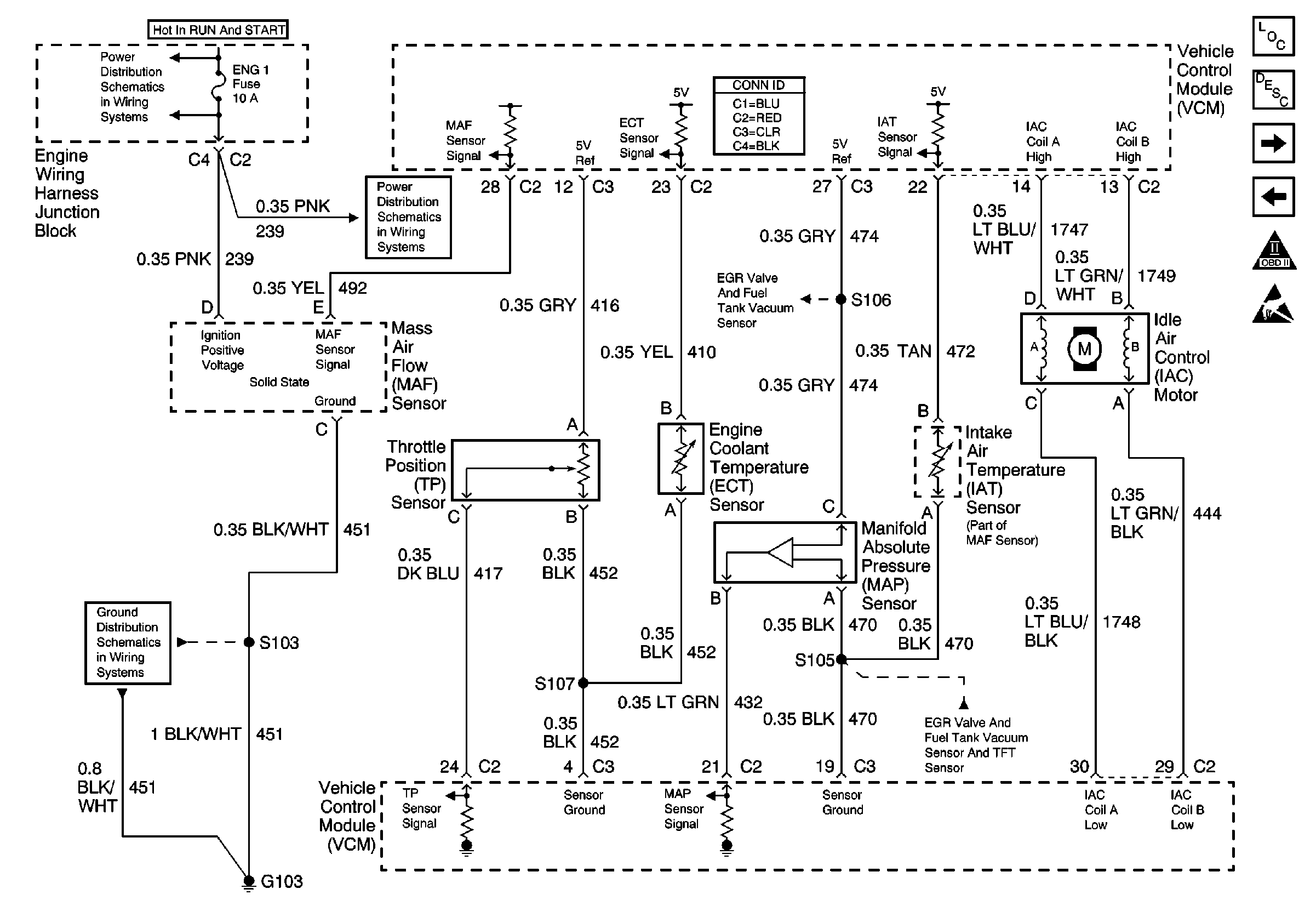
🢒 IAC, ECT, TPS, MAF, G103, MAP, IAT, VCM
IAC, ECT, TPS, MAF, G103, MAP, IAT, VCM
IAC, ECT, TPS, MAF, G103, MAP, IAT, VCM
Power Distribution Schematics
Power Distribution Schematics
Ground Distribution Schematics
Engine Controls Components
Evaporative Emission Control System Operation Description Enhanced
AIR Relay, AIR Pump, G104, VCM, IGN E Fuse
FPR, Fuel Pump/Sender, G403, G102, G104
OBD II Symbol Description Notice
Handling ESD Sensitive Parts Notice