GM Service Manual Online
For 1990-2009 cars only
Makes
🢒
Chevrolet
🢒
2000
🢒
Chevy C Silverado - 2WD
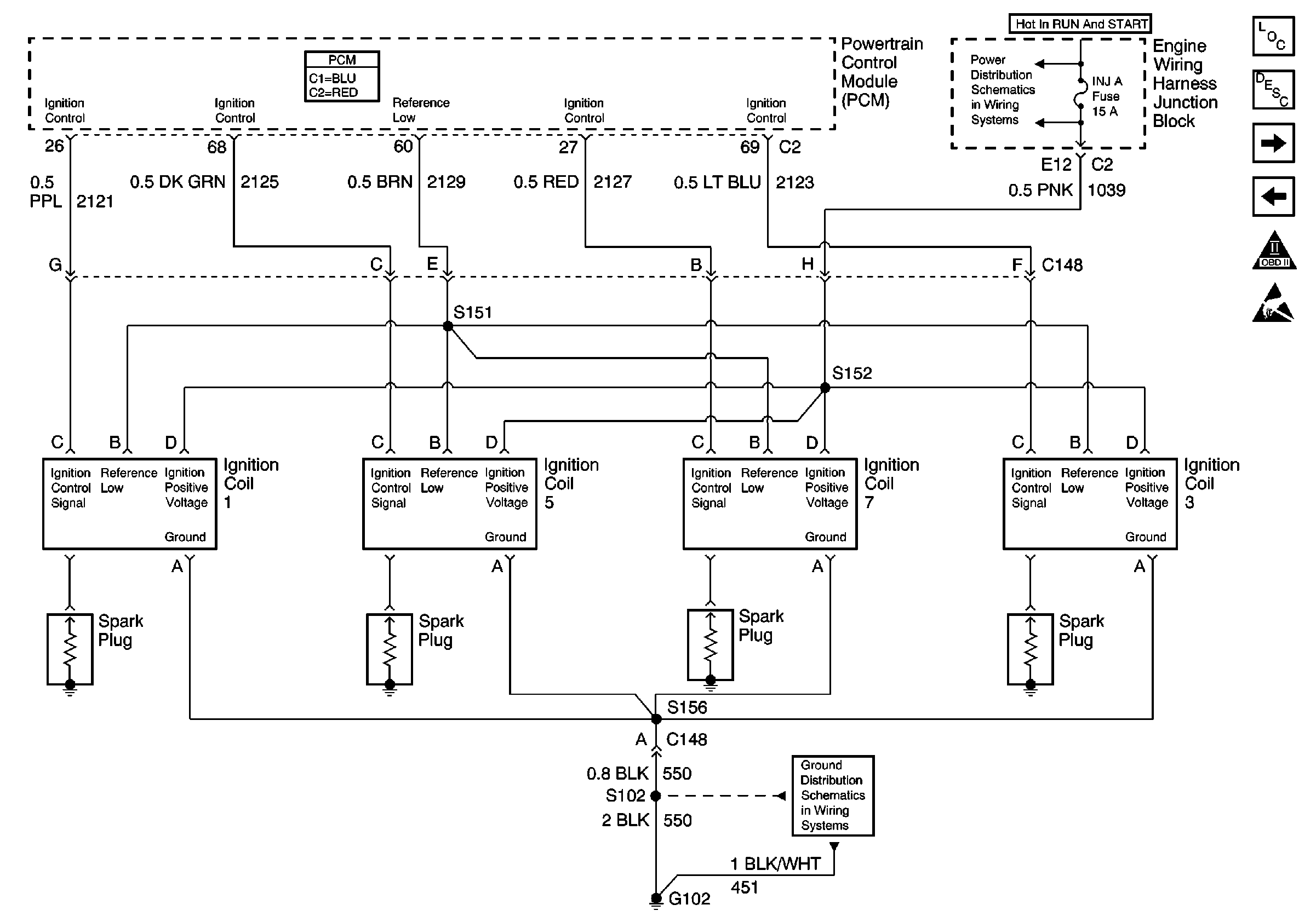
🢒 Ignition Controls - Ignition System Coils 1, 3, 5, 7
Ignition Controls - Ignition System Coils 1, 3, 5, 7
Ignition Controls - Ignition System Coils 1, 3, 5, 7
Ground Distribution Schematics
Power Distribution Schematics
Engine Controls Components
Evaporative Emission Control System Operation Description
PCM ,CMP Sensor, CKP Sensor, KS, IPC
Ignition Controls - Ignition System Coils 2, 4, 6, 8
OBD II Symbol Description Notice
Handling ESD Sensitive Parts Notice