GM Service Manual Online
For 1990-2009 cars only
Makes
🢒
Chevrolet
🢒
2001
🢒
Chevy C Silverado - 2WD
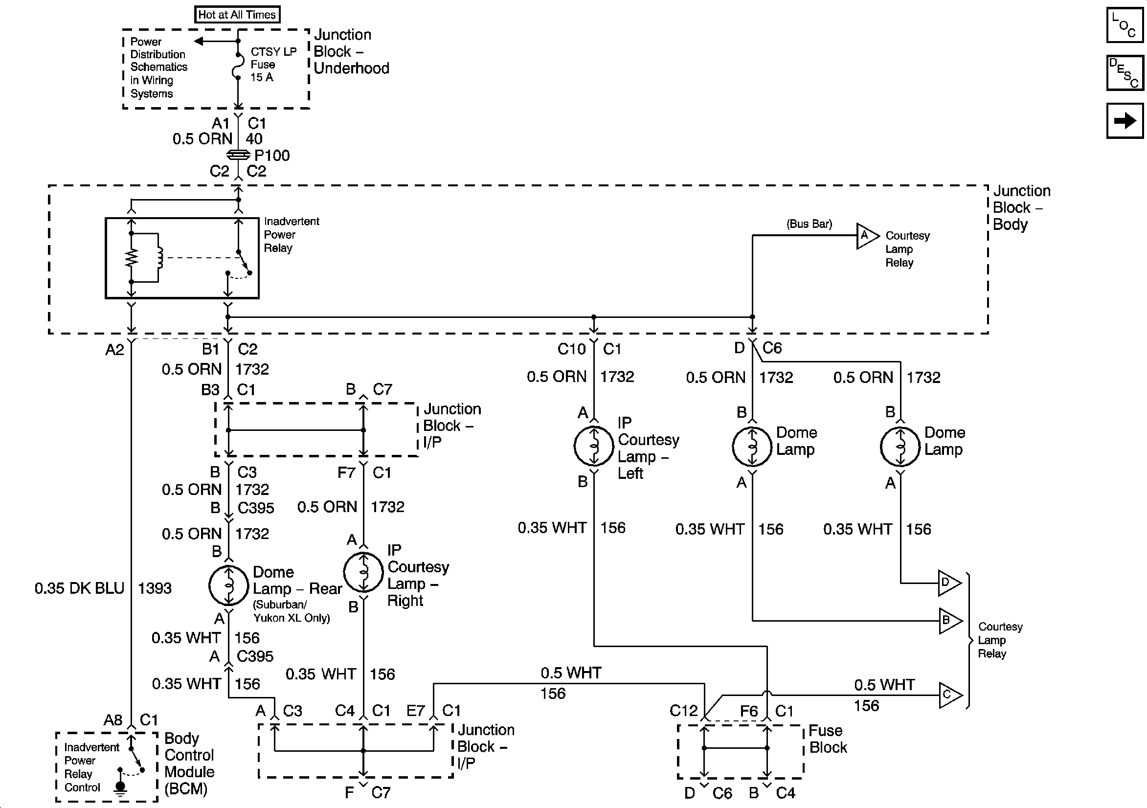
🢒 Courtesy Lamp and Dome Lamp Power
Courtesy Lamp and Dome Lamp Power
Courtesy Lamp and Dome Lamp Power
Master Electrical Component List
Interior Lighting Systems Description and Operation
I/P Compartment Lamp, Underhood Lamp and Map Lamp
B+ Bus Bar
I/P Compartment Lamp, Underhood Lamp and Map Lamp
I/P Compartment Lamp, Underhood Lamp and Map Lamp
I/P Compartment Lamp, Underhood Lamp and Map Lamp
I/P Compartment Lamp, Underhood Lamp and Map Lamp