GM Service Manual Online
For 1990-2009 cars only
Makes
🢒
Chevrolet
🢒
2001
🢒
Chevy C Silverado - 2WD
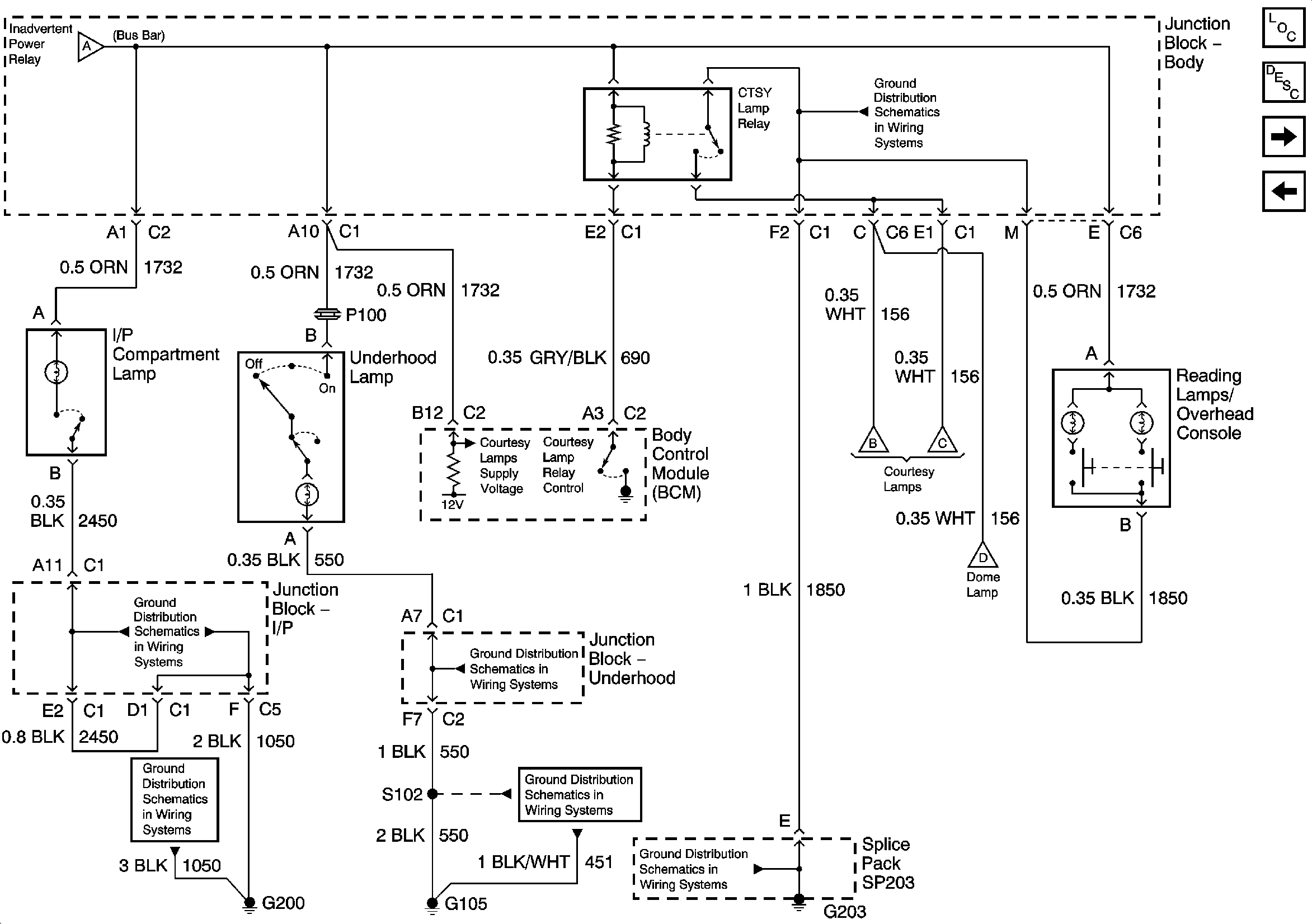
🢒 I/P Compartment Lamp, Underhood Lamp and Map Lamp
I/P Compartment Lamp, Underhood Lamp and Map Lamp
I/P Compartment Lamp, Underhood Lamp and Map Lamp
Master Electrical Component List
Interior Lighting Systems Description and Operation
Parklamp Control, Power Door Lock Switch, and Ashtray Lamp
Courtesy Lamp and Dome Lamp Power
Courtesy Lamp and Dome Lamp Power
G203 - 4 of 4 - Utility and Uplevel Pickup
Courtesy Lamp and Dome Lamp Power
Courtesy Lamp and Dome Lamp Power
Courtesy Lamp and Dome Lamp Power
Cargo Lamp Switch and Inadvertent Power Relay
G200 - 1 of 2
G200 - 1 of 2
G104 - Gas
G104 - Gas
G203 - 1 of 4