GM Service Manual Online
For 1990-2009 cars only
Makes
🢒
Chevrolet
🢒
2001
🢒
Chevy C Silverado - 2WD
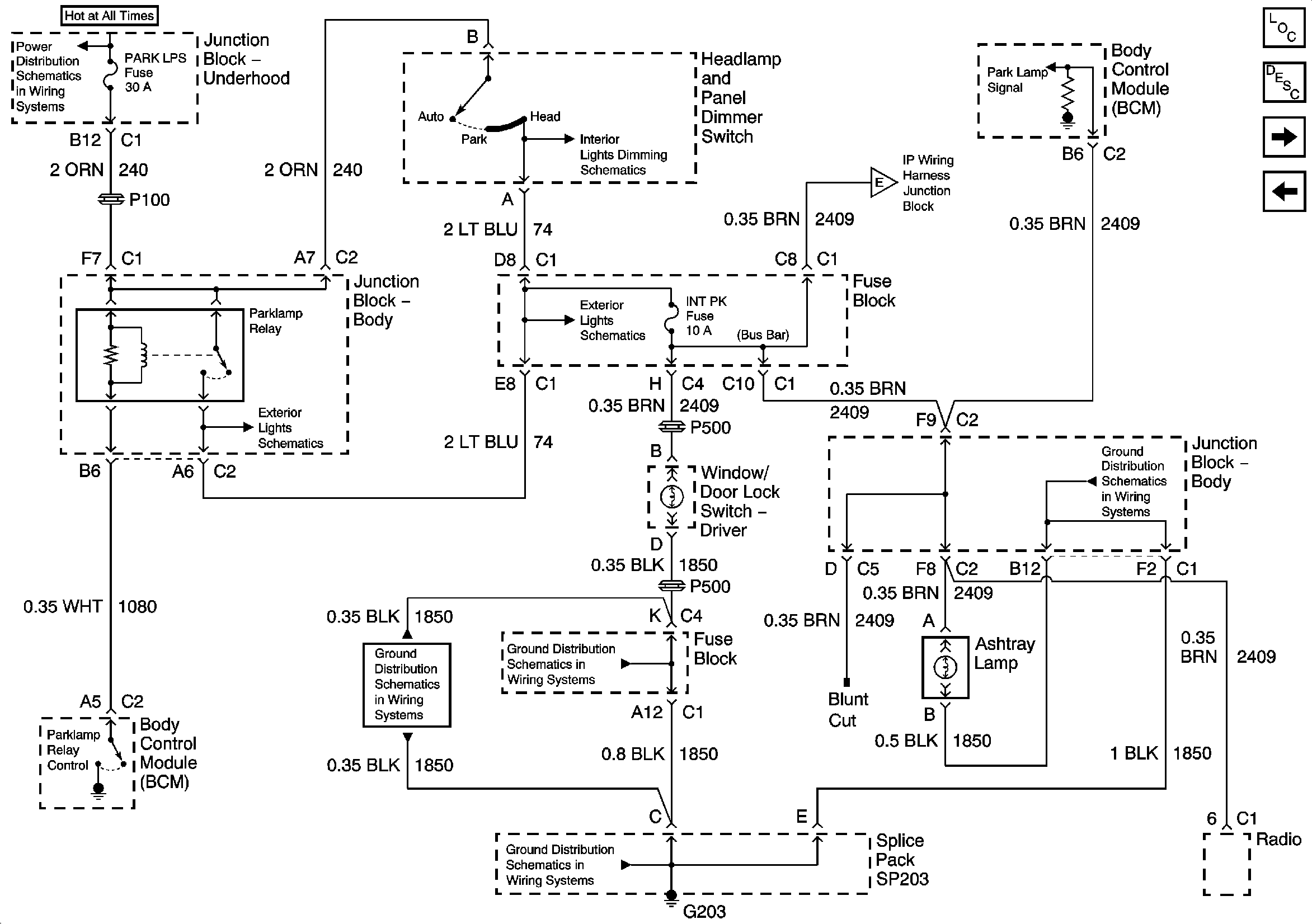
🢒 Parklamp Control, Power Door Lock Switch, and Ashtray Lamp
Parklamp Control, Power Door Lock Switch, and Ashtray Lamp
Parklamp Control, Power Door Lock Switch and Ashtray Lamp
Master Electrical Component List
Interior Lighting Systems Description and Operation
Door Jamb Switches
I/P Compartment Lamp, Underhood Lamp and Map Lamp
B+ Bus Bar
Dimming Control, Traction Control, Fog Lamp and Selectable Ride Switches
Door Jamb Switches
Park Lamp Relay, FR PRK, TRL PRK, LR PRK, and RR PRK Fuses
INT PRK Fuse, Roof Marker Lamps and Clearance Lamps
G203 - 4 of 4 - Utility and Uplevel Pickup
G203 - 2 of 4
G203 - 2 of 4
G203 - 1 of 4