GM Service Manual Online
For 1990-2009 cars only
Makes
🢒
Chevrolet
🢒
2002
🢒
Chevy C Silverado - 2WD
🢒
Body and Accessories
🢒
Instrument Panel, Gages, and Console
🢒 Instrument Cluster Schematics
Figure
1:
Power and Ground
Master Electrical Component List
Instrument Cluster Description and Operation
Indicators
BRAKE, Cruise, HTR A/C, RR WPR, WS WPR, and SEO ACCY Fuses
IGN 1, TURN, SEO IGN, AIR BAG, CRANK, and IGN 0 Fuses
AIR, RTD, RADIO, RDO AMP, ECM B, FRT HVAC, and CIGAR Fuses
BRAKE, Cruise, HTR A/C, RR WPR, WS WPR, and SEO ACCY Fuses
IGN 1, TURN, SEO IGN, AIR BAG, CRANK, and IGN 0 Fuses
AUX PWR and HORN Fuses
AIR, RTD, RADIO, RDO AMP, ECM B, FRT HVAC, and CIGAR Fuses
Wiper/Washer System Schematics
G103 and G105 - Gas
G105 - Diesel
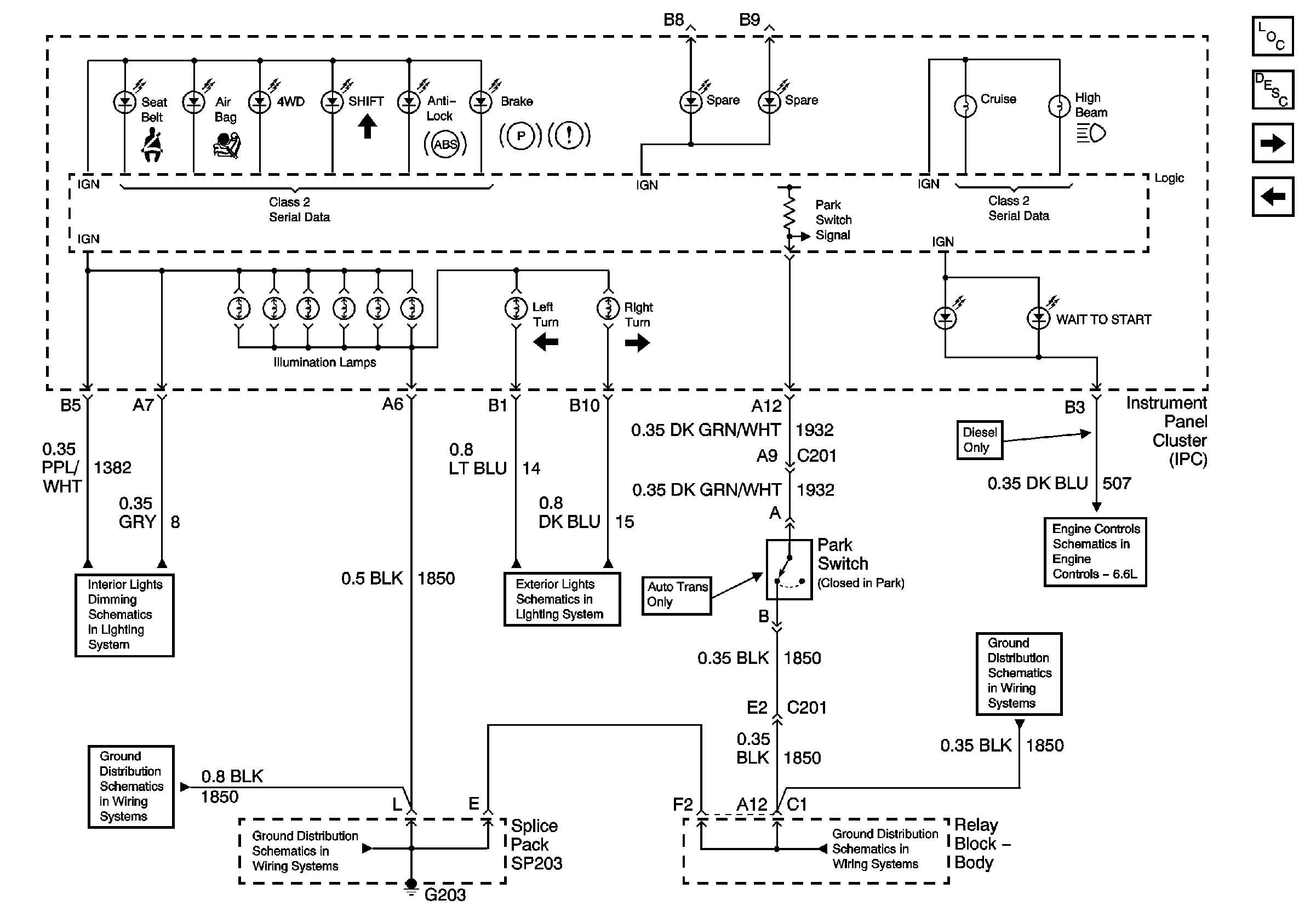
Figure
2:
Indicators
Master Electrical Component List
Instrument Cluster Description and Operation
Gages
Power and Ground
IPC, Roof Beacon, and Rear Wheel Steering Switch
G203 - 1 of 3
G203 - 1 of 3
Park/Turn Signal Lamps
G203 - 2 of 3 - Base Except Crew Cab
G203 - 2 of 3 - Base Except Crew Cab
Figure
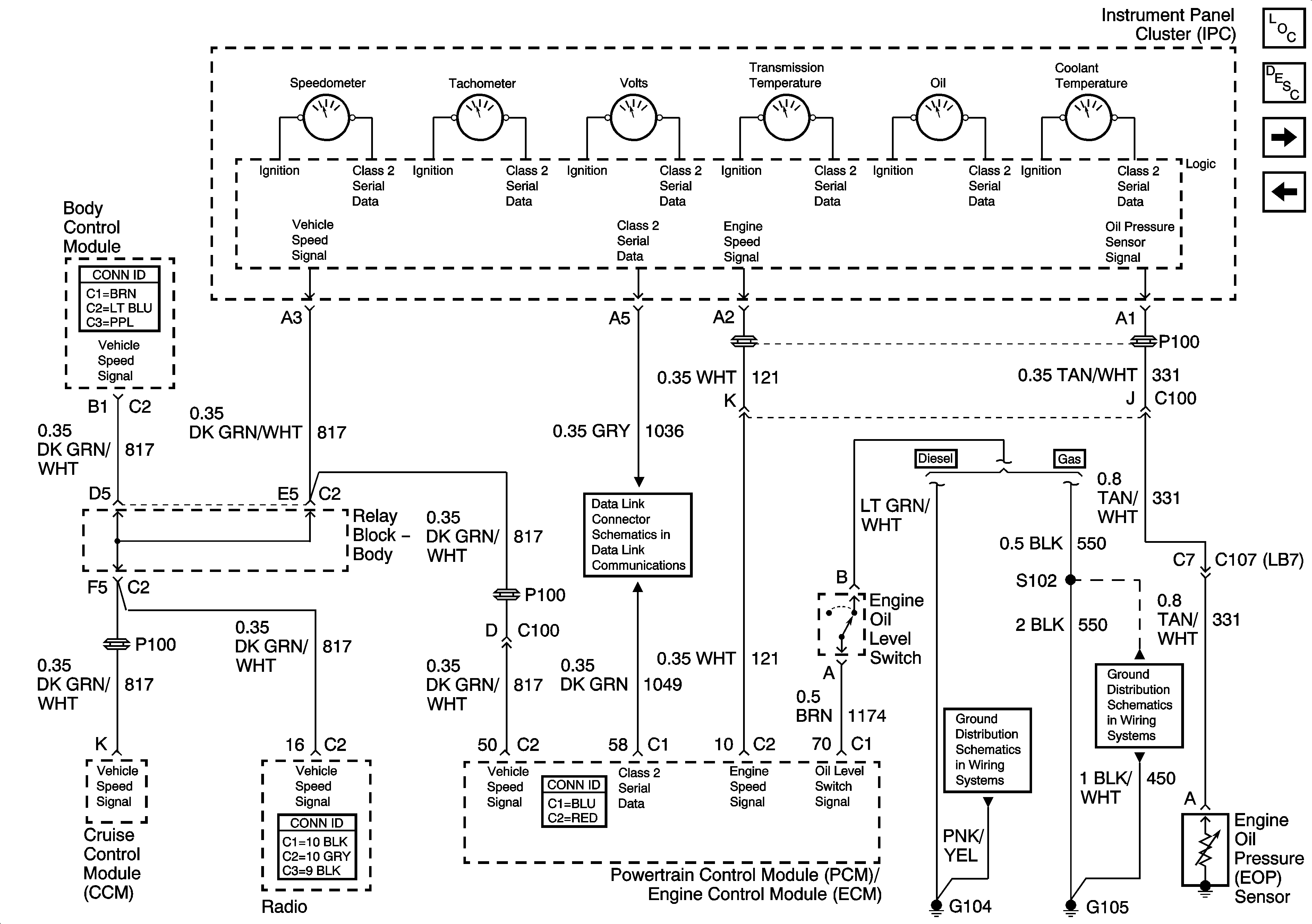
3:
Gages and Vehicle Speed
Master Electrical Component List
Instrument Cluster Description and Operation
Fuel Gage and Fuel Pump and Sender Assembly
Indicators
Splice Pack SP205
G102, G103, and G104 - Diesel
G103 and G105 - Gas
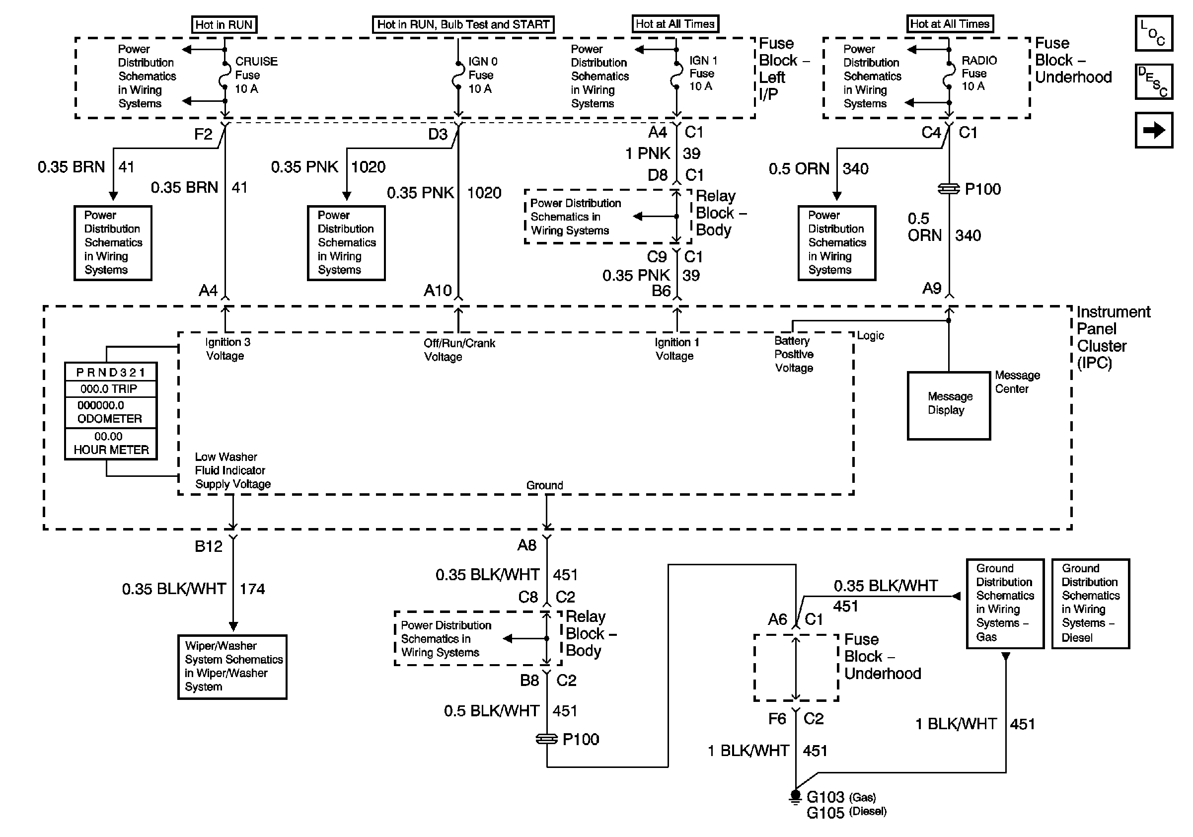
Figure
4:
Fuel Gage and Fuel Pump and Sender Assembly
Master Electrical Component List
Instrument Cluster Description and Operation
Gages
Splice Pack SP205