GM Service Manual Online
For 1990-2009 cars only
Makes
🢒
Chevrolet
🢒
2002
🢒
Chevy C Silverado - 2WD
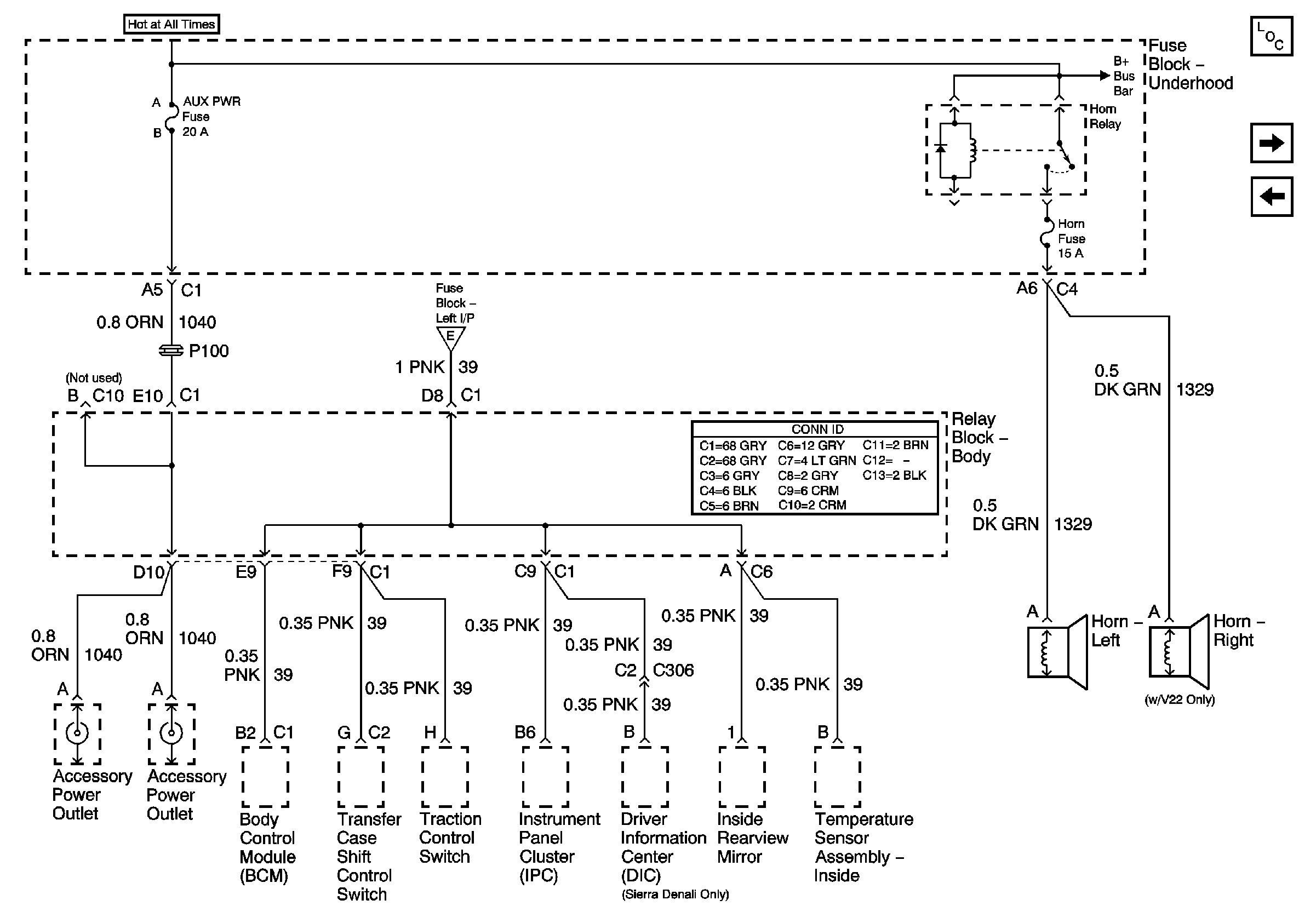
🢒 AUX PWR and HORN Fuses
AUX PWR and HORN Fuses
AUX PWR, and Horn Fuse
Master Electrical Component List
SEO 1, SEO 2, RR HVAC, EXP LPS, ATC, and RR WPR
ECM I, FUEL HT, ENG 1, IGN E, ECMRPV, and INJ B
IGN 1, TURN, SEO IGN, AIR BAG, CRANK, and IGN 0 Fuses
B+ Bus Bar