GM Service Manual Online
For 1990-2009 cars only
Makes
🢒
Chevrolet
🢒
2002
🢒
Chevy C Silverado - 2WD
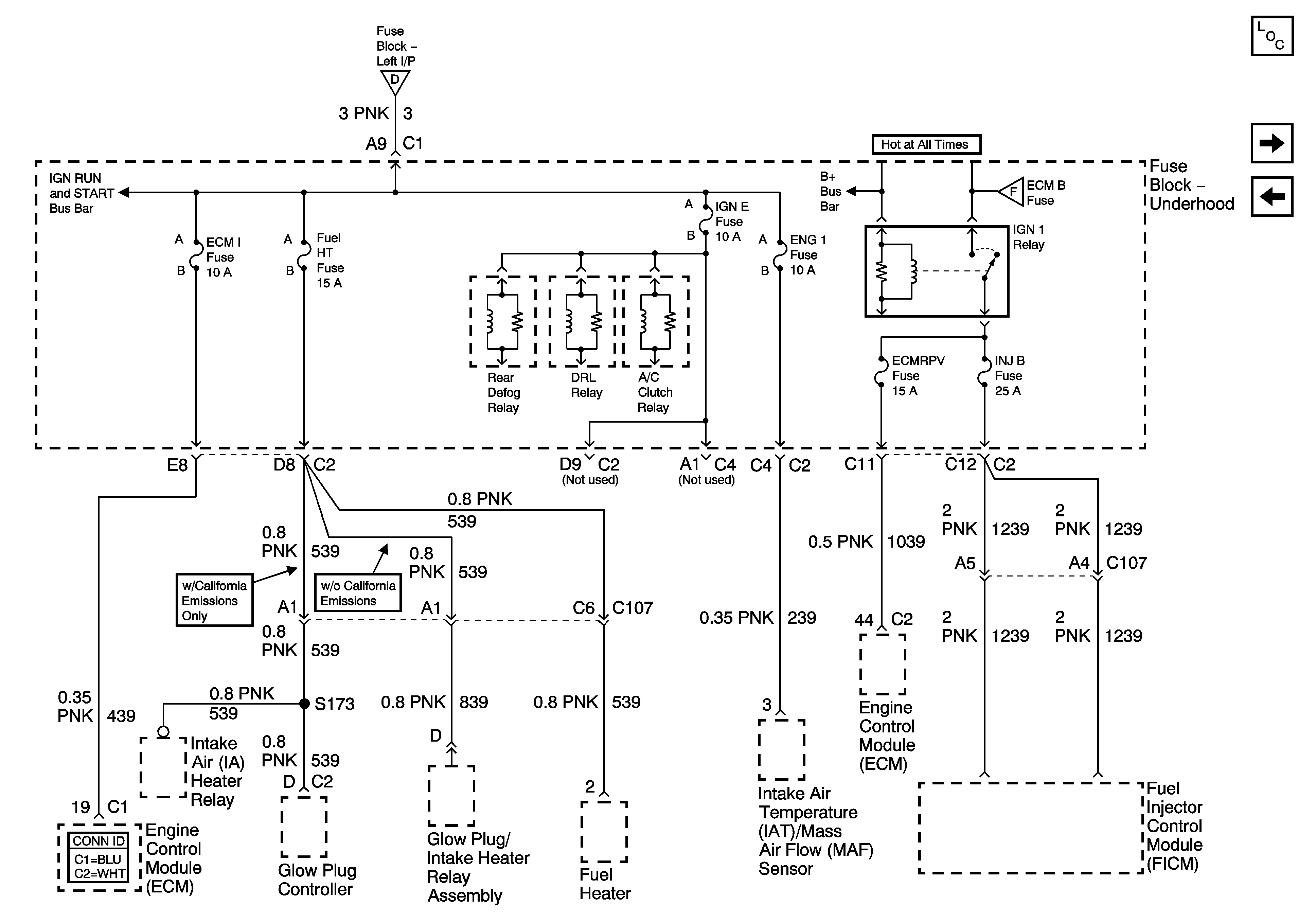
🢒 ECM I, FUEL HT, ENG 1, IGN E, ECMRPV, and INJ B
ECM I, FUEL HT, ENG 1, IGN E, ECMRPV, and INJ B
ECM I, FUEL HT, ENG 1, IGN E, ECMRPV, and INJ B Fuses - Diesel Only
Master Electrical Component List
AUX PWR and HORN Fuses
AIR, RTD, RADIO, RDO AMP, ECM B, FRT HVAC, and CIGAR Fuses
Ignition, Run, and Start Bus Bar
IGN 1, TURN, SEO IGN, AIR BAG, CRANK, and IGN 0 Fuses
B+ Bus Bar
AIR, RTD, RADIO, RDO AMP, ECM B, FRT HVAC, and CIGAR Fuses