GM Service Manual Online
For 1990-2009 cars only
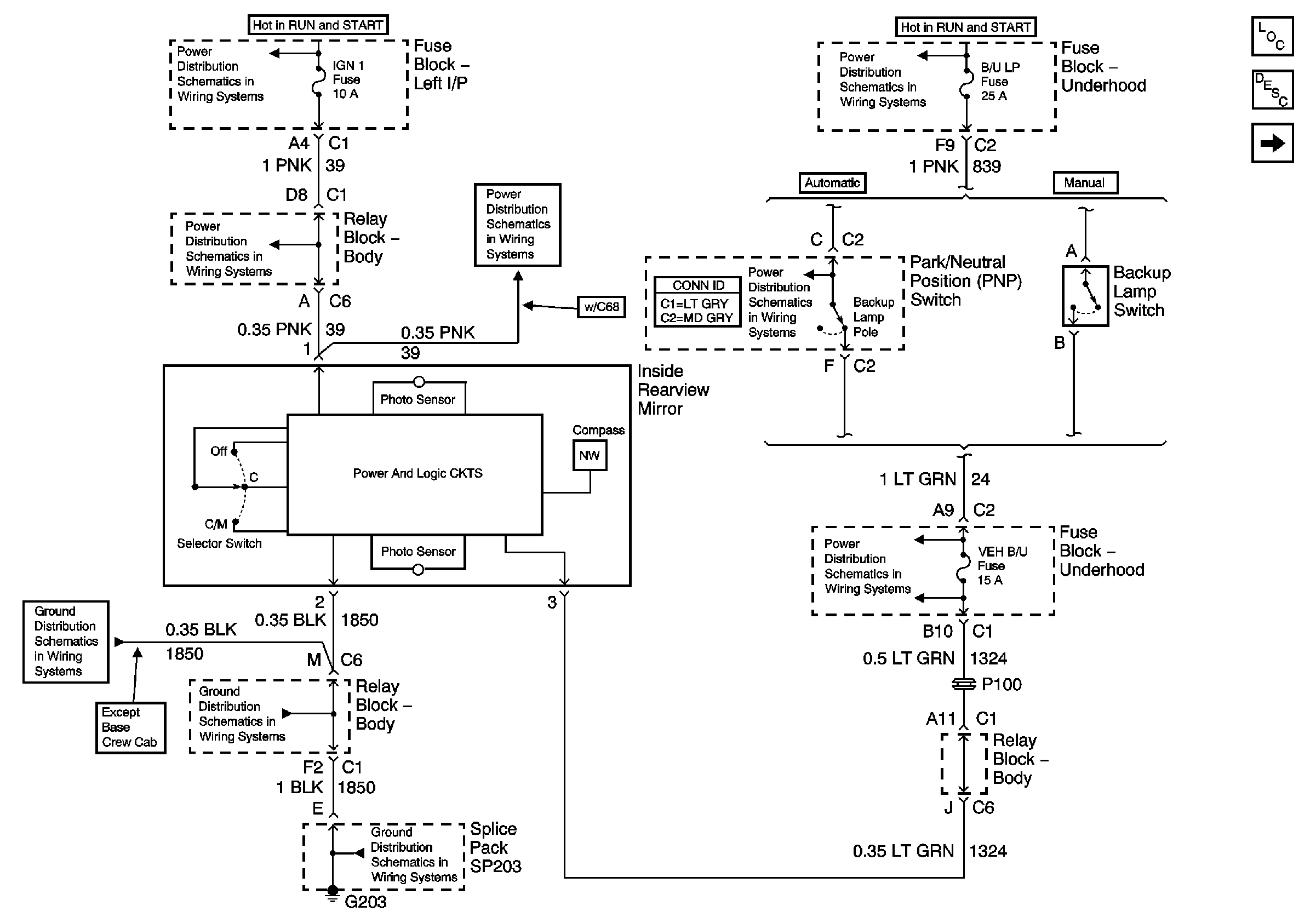
Figure 1:

w/Compass


Object Number: 803875  Size: FS
Master Electrical Component List
Inside Rearview Mirror Description and Operation
w/Compass and Outside Temp
IGN 1, TURN, SEO IGN, AIR BAG, CRANK, and IGN 0 Fuses
B/U LAMP, BTSI, VEH B/U and TRL B/U Fuses
AUX PWR and HORN Fuses
AUX PWR and HORN Fuses
B/U LAMP, BTSI, VEH B/U and TRL B/U Fuses
B/U LAMP, BTSI, VEH B/U and TRL B/U Fuses
G203 - 2 of 3 - Uplevel and Crew Cab
G203 - 2 of 3 - Base Except Crew Cab
G203 - 1 of 3
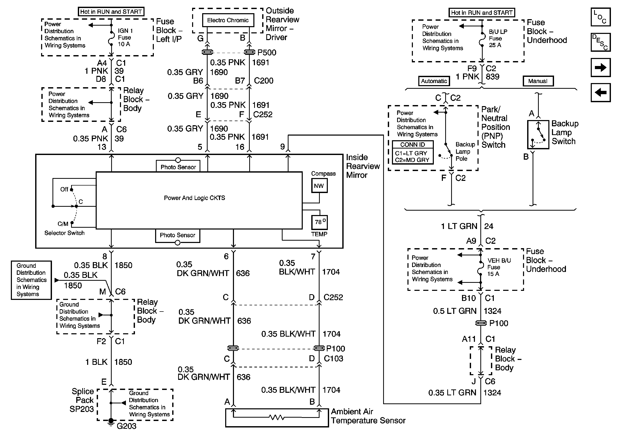
Figure 2:

w/Compass and Outside Temp


Object Number: 803876  Size: FS
Master Electrical Component List
Inside Rearview Mirror Description and Operation
w/ Compass, Outside Temp, and Electrochromic
w/Compass, Outside Temp, and Electrochromic
IGN 1, TURN, SEO IGN, AIR BAG, CRANK, and IGN 0 Fuses
B/U LAMP, BTSI, VEH B/U and TRL B/U Fuses
AUX PWR and HORN Fuses
AUX PWR and HORN Fuses
B/U LAMP, BTSI, VEH B/U and TRL B/U Fuses
B/U LAMP, BTSI, VEH B/U and TRL B/U Fuses
G203 - 2 of 3 - Uplevel and Crew Cab
G203 - 2 of 3 - Uplevel and Crew Cab
G203 - 1 of 3
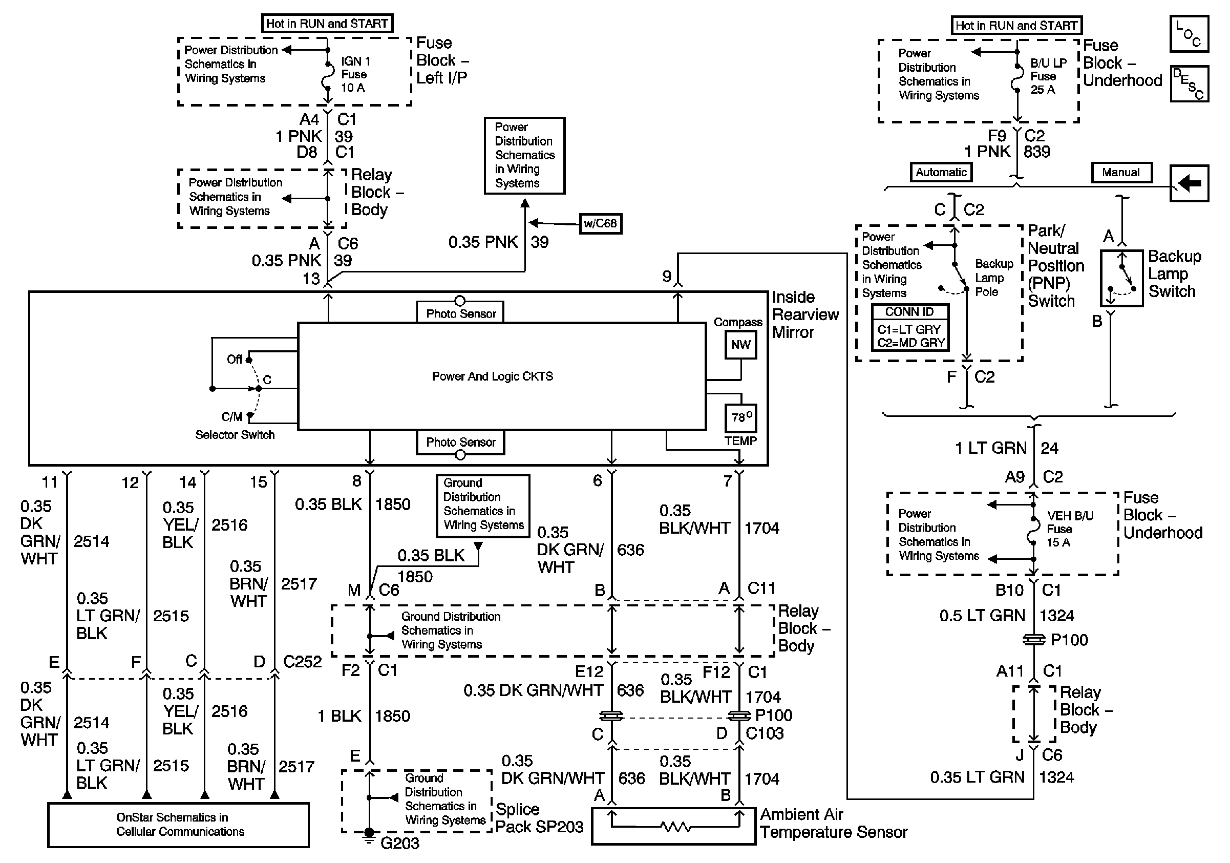
Figure 3:

w/ Compass, Outside Temp, and Electrochromic


Object Number: 880122  Size: FS
Master Electrical Component List
Inside Rearview Mirror Description and Operation
w/Compass, Outside Temp, and Onstar
w/Compass and Outside Temp
IGN 1, TURN, SEO IGN, AIR BAG, CRANK, and IGN 0 Fuses
AUX PWR and HORN Fuses
B/U LAMP, BTSI, VEH B/U and TRL B/U Fuses
B/U LAMP, BTSI, VEH B/U and TRL B/U Fuses
G203 - 2 of 3 - Uplevel and Crew Cab
G203 - 2 of 3 - Uplevel and Crew Cab
B/U LAMP, BTSI, VEH B/U and TRL B/U Fuses
G203 - 1 of 3
Figure 4:

w/Compass, Outside Temp, and Onstar


Object Number: 803878  Size: FS
Master Electrical Component List
Inside Rearview Mirror Description and Operation
w/ Compass, Outside Temp, and Electrochromic
IGN 1, TURN, SEO IGN, AIR BAG, CRANK, and IGN 0 Fuses
AUX PWR and HORN Fuses
AUX PWR and HORN Fuses
B/U LAMP, BTSI, VEH B/U and TRL B/U Fuses
B/U LAMP, BTSI, VEH B/U and TRL B/U Fuses
B/U LAMP, BTSI, VEH B/U and TRL B/U Fuses
G203 - 2 of 3 - Uplevel and Crew Cab
G203 - 2 of 3 - Uplevel and Crew Cab
G203 - 1 of 3
Communication Controls