GM Service Manual Online
For 1990-2009 cars only
Makes
🢒
Chevrolet
🢒
2002
🢒
Chevy C Silverado - 2WD
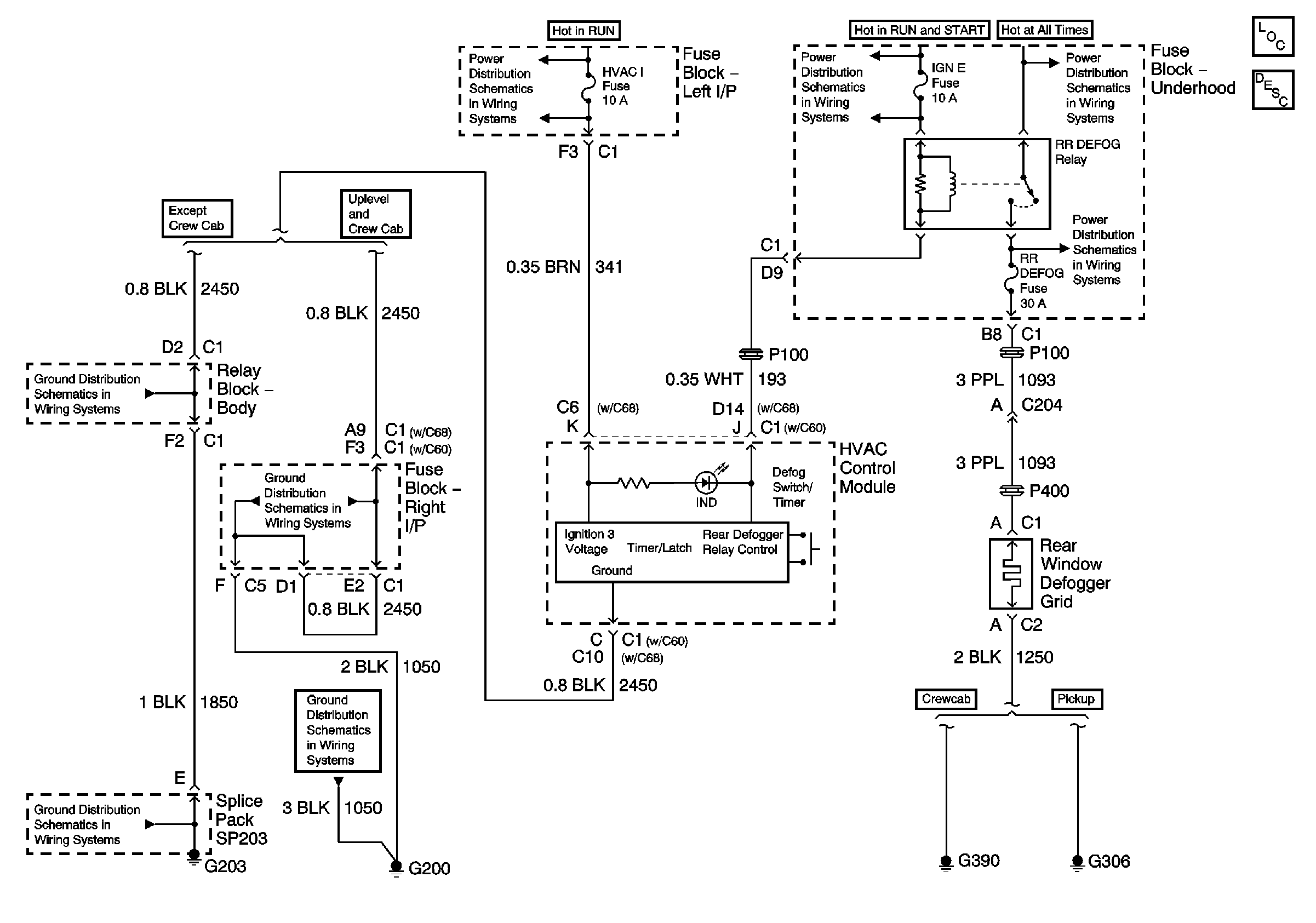
🢒 Rear Window Defogger Control
Rear Window Defogger Control
Rear Window Defogger Schematics
Master Electrical Component List
Rear Window Defogger Description and Operation
4WD, HVAC 1, and IGN 3 Fuses
02B, 02A, ENG 1, and IGN E Fuses - Gas Only
02B, 02A, ENG 1, and IGN E Fuses - Gas Only
ABS, HAZ LP, STUD 1, HTD MIR, RR DEFOG, STUD 2, CTSY LP, and PARK LP Fuses
G203 - 2 of 3 - Base Except Crew Cab
G200
G200
G203 - 1 of 3