GM Service Manual Online
For 1990-2009 cars only
Makes
🢒
Chevrolet
🢒
2002
🢒
Chevy C Silverado - 2WD
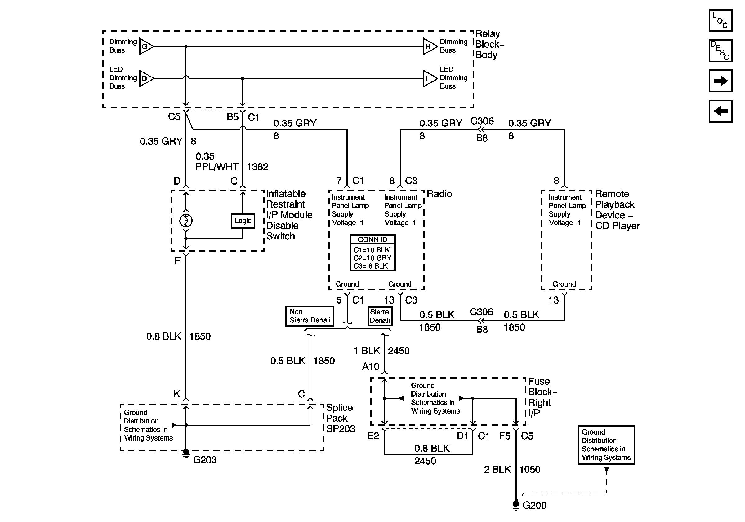
🢒 SIR Disable Switch, Radio, and CD Player
SIR Disable Switch, Radio, and CD Player
SIR Disable Switch, Radio and CD Player
Master Electrical Component List
Interior Lighting Systems Description and Operation
HVAC Control Module/Blower Control Switch, Traction Control Switch, and Transfer Case Shift Control Switch
Cargo/Fog Lamp Switch, DIC, and Steering Wheel Controls
Cargo/Fog Lamp Switch, DIC, and Steering Wheel Controls
IPC, Roof Beacon, and Rear Wheel Steering Switch
G203 - 1 of 3
HVAC Control Module/Blower Control Switch, Traction Control Switch, and Transfer Case Shift Control Switch
Selectable Ride/Roof Beacon Switch
G200
G200