GM Service Manual Online
For 1990-2009 cars only
Makes
🢒
Chevrolet
🢒
2002
🢒
Chevy C Silverado - 2WD
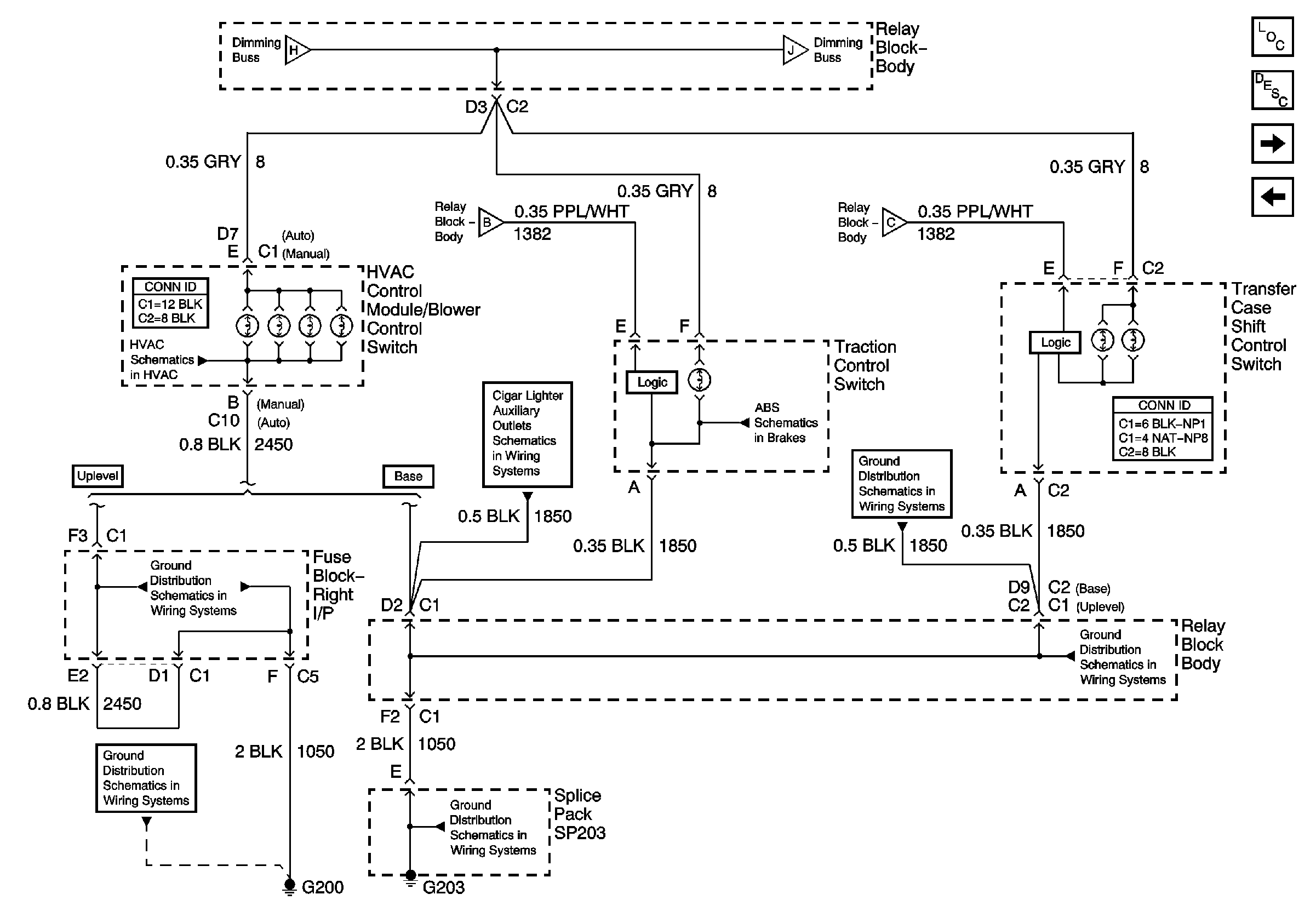
🢒 HVAC Control Module/Blower Control Switch, Traction Control Switch, and Transfer Case Shift Control Switch
HVAC Control Module/Blower Control Switch, Traction Control Switch, and Transfer Case Shift Control Switch
HVAC Control Module/Blower Control Switch,Traction Control Switch and Transfer Case Shift Control Switch
Master Electrical Component List
Interior Lighting Systems Description and Operation
Selectable Ride/Roof Beacon Switch
SIR Disable Switch, Radio, and CD Player
SIR Disable Switch, Radio, and CD Player
Selectable Ride/Roof Beacon Switch
IPC, Roof Beacon, and Rear Wheel Steering Switch
IPC, Roof Beacon, and Rear Wheel Steering Switch
Except Luxury
Speed Sensor Signals, Traction Control Switch (w/Traction Assist)
G203 - 2 of 3 - Base Except Crew Cab
G203 - 2 of 3 - Base Except Crew Cab
G200
G200
G203 - 1 of 3