GM Service Manual Online
For 1990-2009 cars only
Makes
🢒
Chevrolet
🢒
2002
🢒
Chevy C Silverado - 2WD
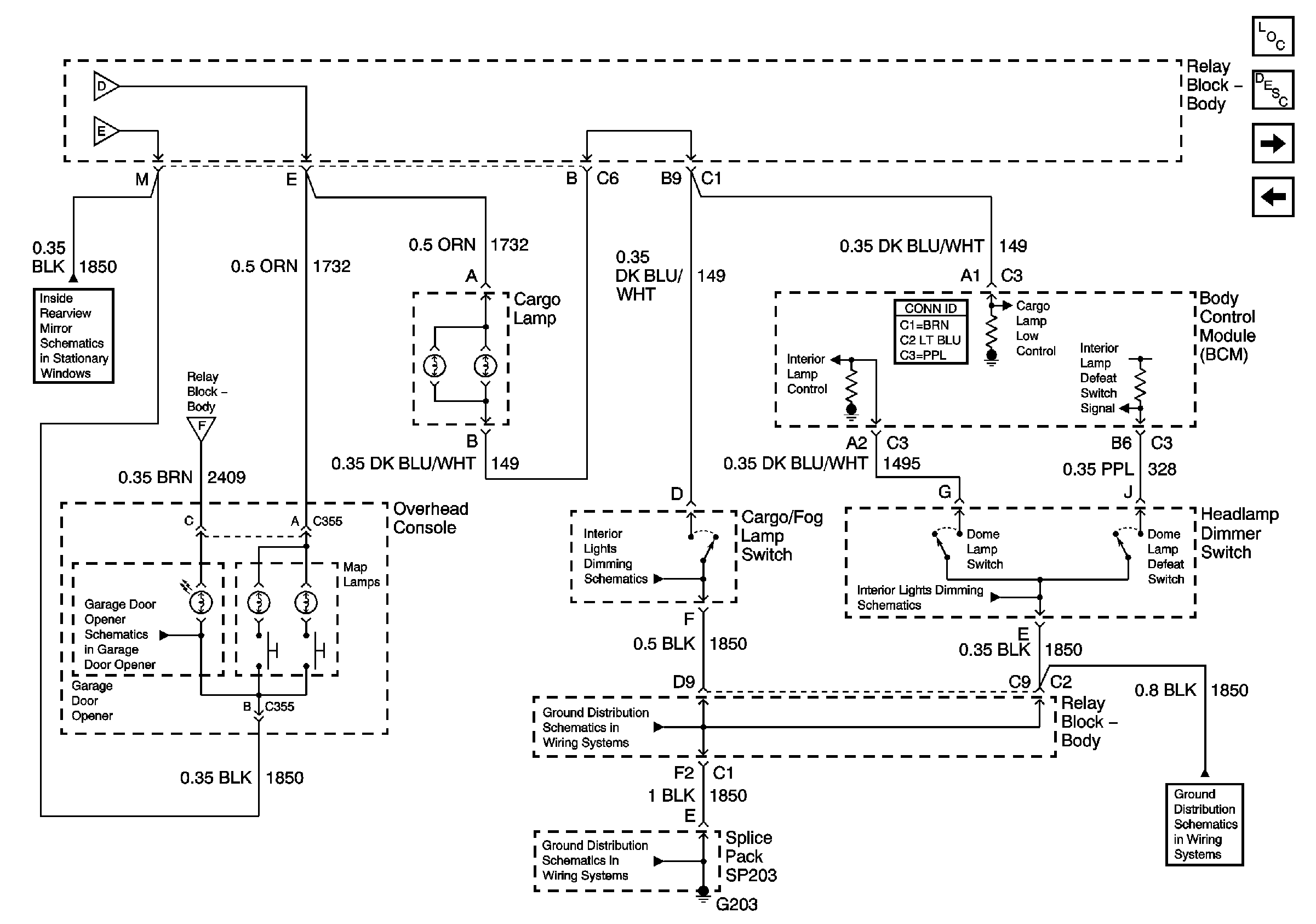
🢒 Courtesy Lamp Control - 4 of 4
Courtesy Lamp Control - 4 of 4
Courtesy Lamp Control - 4 of 4
Master Electrical Component List
Interior Lighting Systems Description and Operation
Parklamp Controls - 1 of 3
Courtesy Lamp Control - 3 of 4
Courtesy Lamp Control - 3 of 4
Courtesy Lamp Control - 3 of 4
w/Compass and Outside Temp
Parklamp Controls - 1 of 3
Cargo/Fog Lamp Switch, DIC, and Steering Wheel Controls
G203 - 2 of 3 - Uplevel and Crew Cab
G203 - 1 of 3
Cargo/Fog Lamp Switch, DIC, and Steering Wheel Controls
G203 - 2 of 3 - Uplevel and Crew Cab