GM Service Manual Online
For 1990-2009 cars only
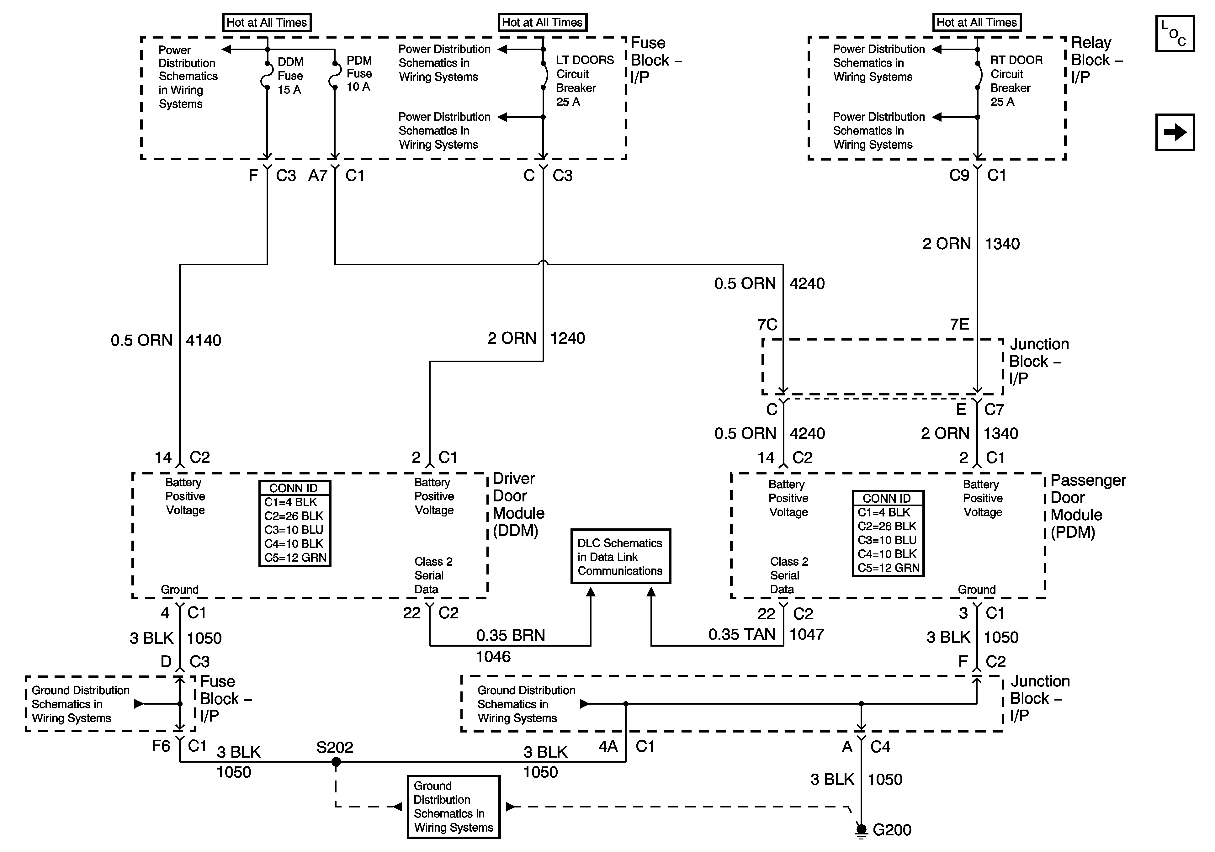
Figure 1:

Power, Ground and Serial Data


Object Number: 1242093  Size: FS
Master Electrical Component List
Driver Door Module (DDM) References - 1 of 2
LBEC 1, LBEC 2, and MBEC 1 Fuses
LBEC 1, LBEC 2, and MBEC 1 Fuses
LBEC 1, LBEC 2, and MBEC 1 Fuses
TBC 2A, TBC 2B, TBC 2C Fuses and LT DOORS, RT DOOR, SEAT Circuit Breakers
TBC 2A, TBC 2B, TBC 2C Fuses and LT DOORS, RT DOOR, SEAT Circuit Breakers
SP205 - 1 of 2
G200 - 3 of 3
G200 - 1 of 3
G200 - 1 of 3
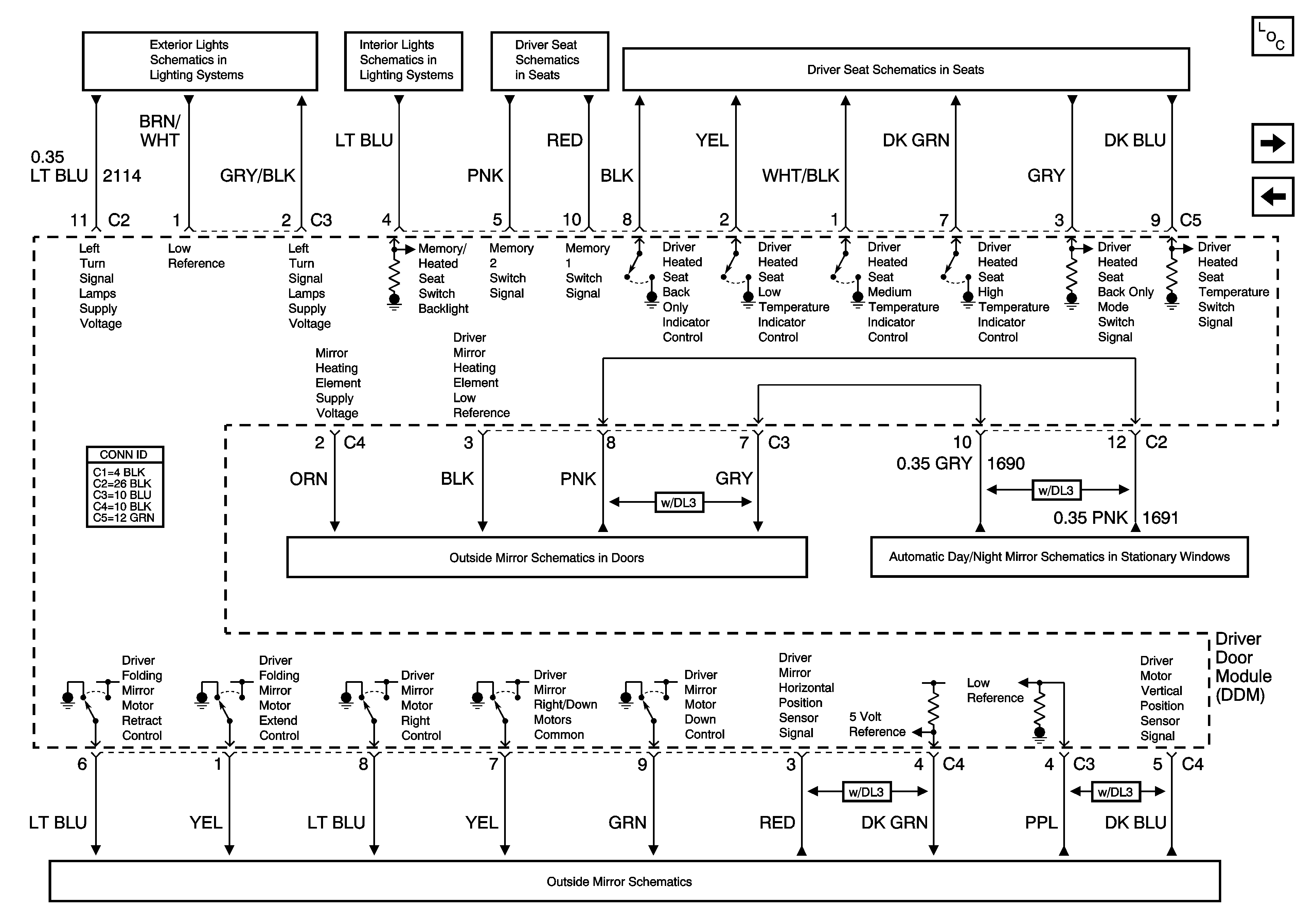
Figure 2:

Driver Door Module (DDM) References - 1 of 2


Object Number: 1242094  Size: FS
Master Electrical Component List
Driver Door Module (DDM) References - 2 of 2
Power, Ground and Serial Data
Switches and Front Door Actuators - YE9
Left Door
Courtesy Lamp Supply Voltage - 2 of 2
Exterior Illumination Lamps
Door Jamb Switches - w/YE9 or Y91
Figure 3:

Driver Door Module (DDM) References - 2 of 2


Object Number: 1242097  Size: FS
Master Electrical Component List
Passenger Door Module (PDM) References - 1 of 2
Driver Door Module (DDM) References - 1 of 2
Left Turn Signals - Domestic - GMC
Heat Controls - 1 of 2
Module Power, Ground, Serial Data and Memory Switch Signals - AN3
Heated Seat Controls - Driver
Heated Mirror and Electrochromic Controls
Heated Mirror and Electrochromic Controls
Mirror Motors and Position Sensors - Driver
Figure 4:

Passenger Door Module (PDM) References - 1 of 2


Object Number: 1242098  Size: FS
Master Electrical Component List
Passenger Door Module (PDM) References - 2 of 2
Driver Door Module (DDM) References - 2 of 2
Right Doors
Courtesy Lamp Supply Voltage - 2 of 2
Right Turn Signals - Domestic - GMC
Switches and Front Door Actuators - YE9
Door Jamb Switches - w/YE9 or Y91
Exterior Illumination Lamps
Figure 5:

Passenger Door Module (PDM) References - 2 of 2


Object Number: 1242100  Size: FS
Master Electrical Component List
Passenger Door Module (PDM) References - 1 of 2
Heated Mirror and Electrochromic Controls
Heat Controls - 1 of 2
Heat Controls - 1 of 2
Mirror Motors and Position Sensors - Front Passenger