GM Service Manual Online
For 1990-2009 cars only
Figure 1:

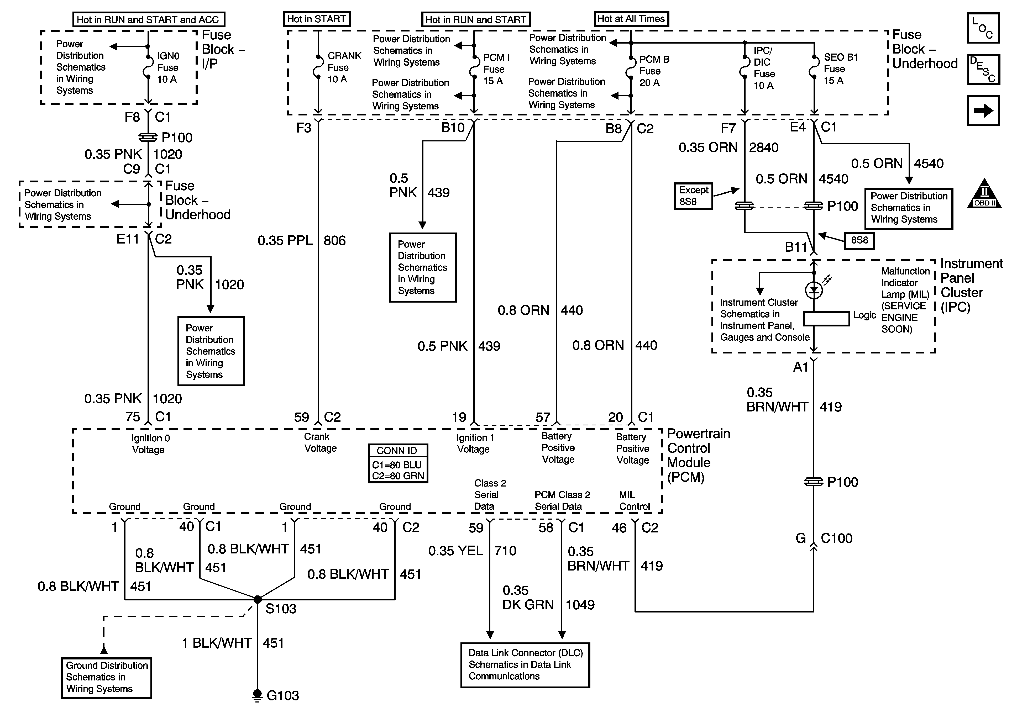
Module Power, Ground, Serial Data and MIL


Object Number: 1226213  Size: FS
Master Electrical Component List
Powertrain Control Module Description
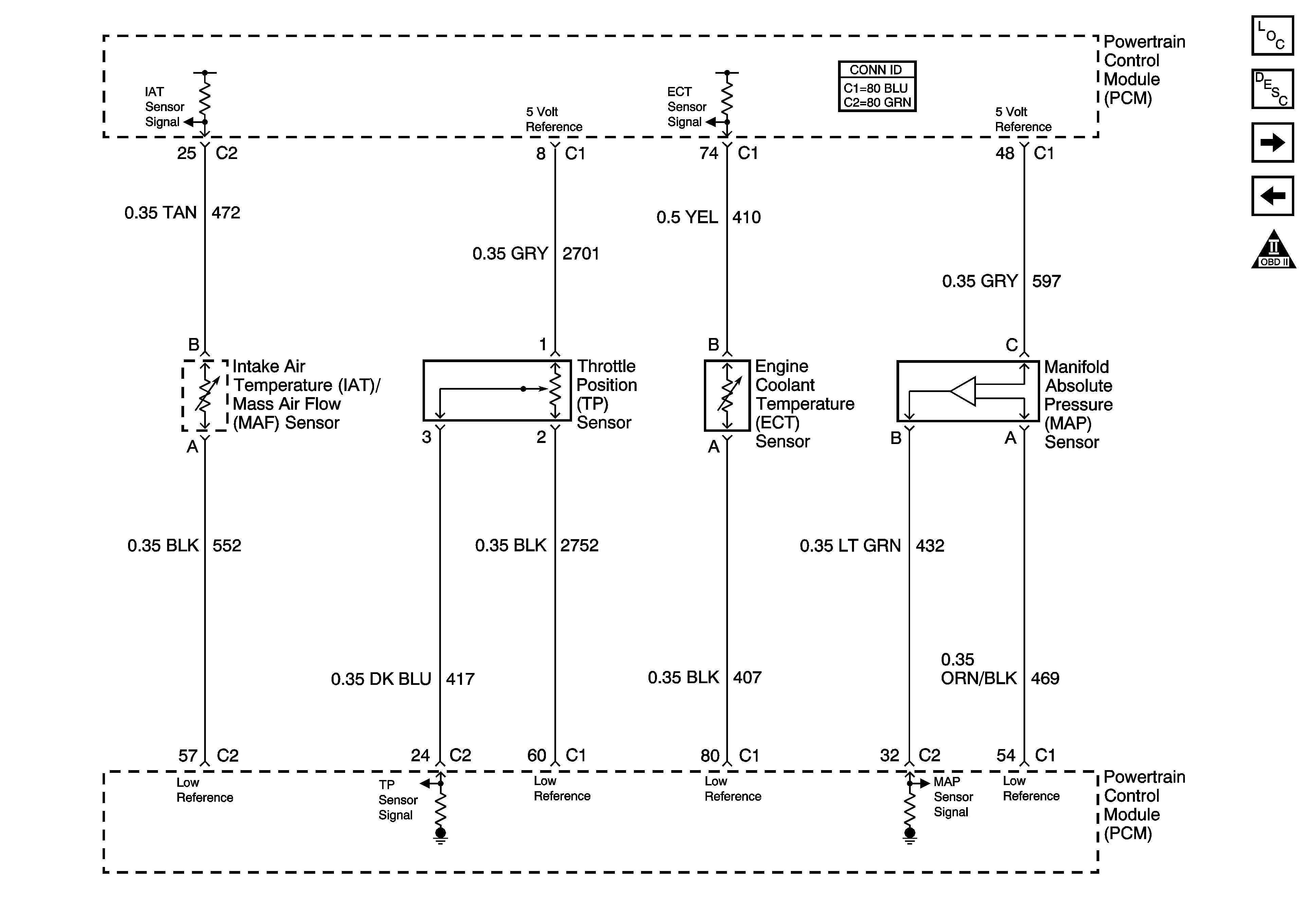
Engine Data Sensors - Pressure and Temperature
OBD II Symbol Description Notice
Ignition Switch - START, RUN, and ACC/RUN/START Bus Bars
B+ Bus Bar - 2 of 2
SBA, ETC/ECM, PCM 1, BTSI, and TRL B/U Fuses
B+ Bus Bar - 1 of 2
PCM B, ECMRPV, EDU Fuses, F/PMP and EDU/IGN 1 Relays - Diesel Only
IGN 0, TBC IGN 0,TBC ACCY, SEO ACCY, RR WPR, and WS WPR Fuses
IGN 0, TBC IGN 0,TBC ACCY, SEO ACCY, RR WPR, and WS WPR Fuses
SBA, ETC/ECM, PCM 1, BTSI, and TRL B/U Fuses
Indicators
RTD, IPC/DIC, SEO B1, SUNROOF, EAP, and RR WPR Fuses
PCM B, ECMRPV, EDU Fuses, F/PMP and EDU/IGN 1 Relays - Diesel Only
G103 - Gas
SP205 - 2 of 2
Figure 2:

Engine Data Sensors - Pressure and Temperature


Object Number: 1226216  Size: FS
Master Electrical Component List
Powertrain Control Module Description
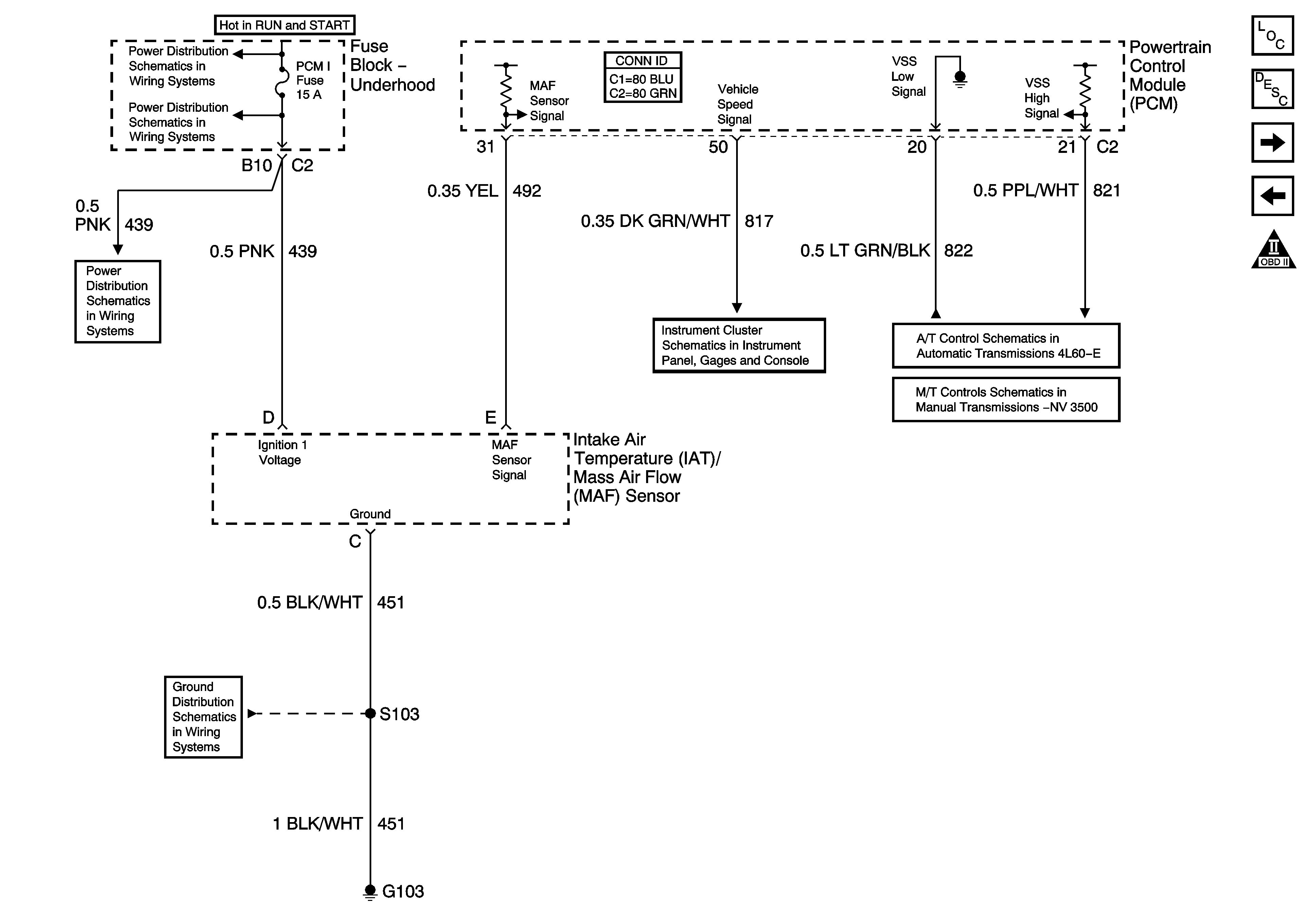
Engine Data Sensors - MAF and VSS
Module Power, Ground, Serial Data and MIL
OBD II Symbol Description Notice
Figure 3:

Engine Data Sensors - MAF and VSS


Object Number: 1226217  Size: FS
Master Electrical Component List
Powertrain Control Module Description
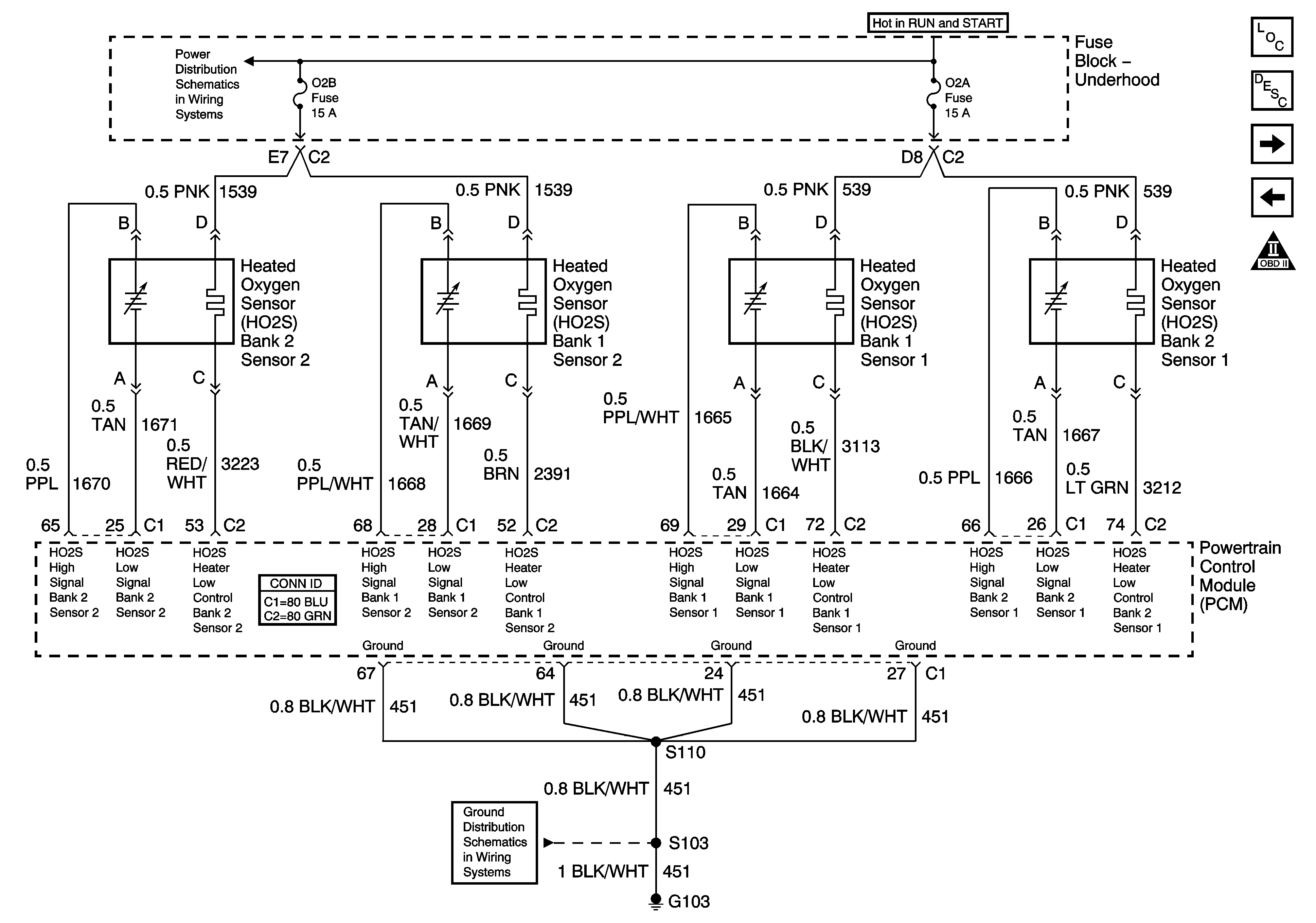
Engine Data Sensors - HO2S
Engine Data Sensors - Pressure and Temperature
OBD II Symbol Description Notice
B+ Bus Bar - 2 of 2
SBA, ETC/ECM, PCM 1, BTSI, and TRL B/U Fuses
SBA, ETC/ECM, PCM 1, BTSI, and TRL B/U Fuses
G103 - Gas
Vehicle Speed and Speedometer
Vehicle Speed and 4WD Signal
Manual Transmission Schematics
Figure 4:

Engine Data Sensors - HO2S


Object Number: 1226220  Size: FS
Master Electrical Component List
Powertrain Control Module Description
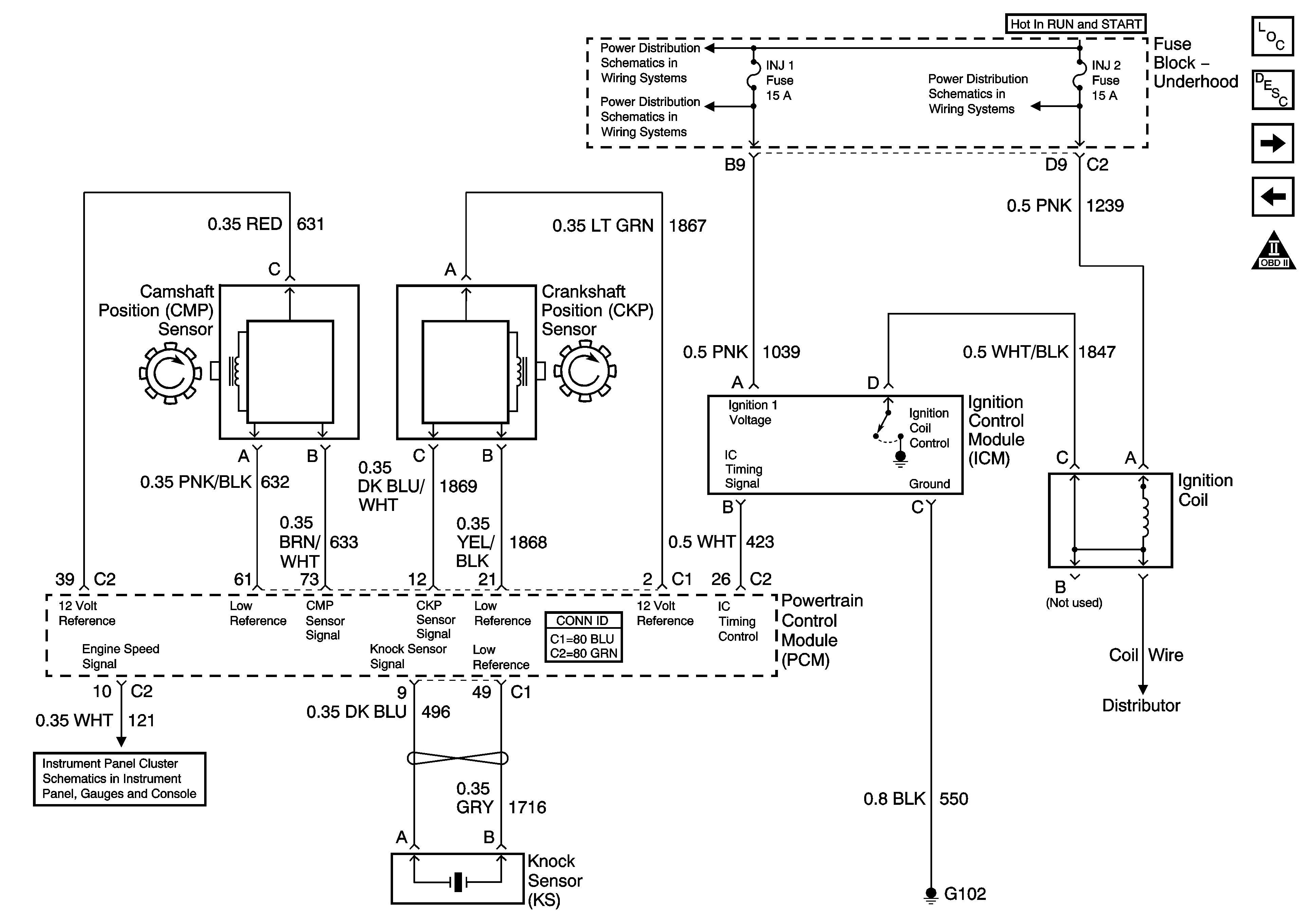
Ignition Controls
Engine Data Sensors - MAF and VSS
OBD II Symbol Description Notice
Ignition Switch - ACC/RUN and RUN/START Bus Bars
G103 - Gas
Figure 5:

Ignition Controls


Object Number: 1226222  Size: FS
Master Electrical Component List
Powertrain Control Module Description
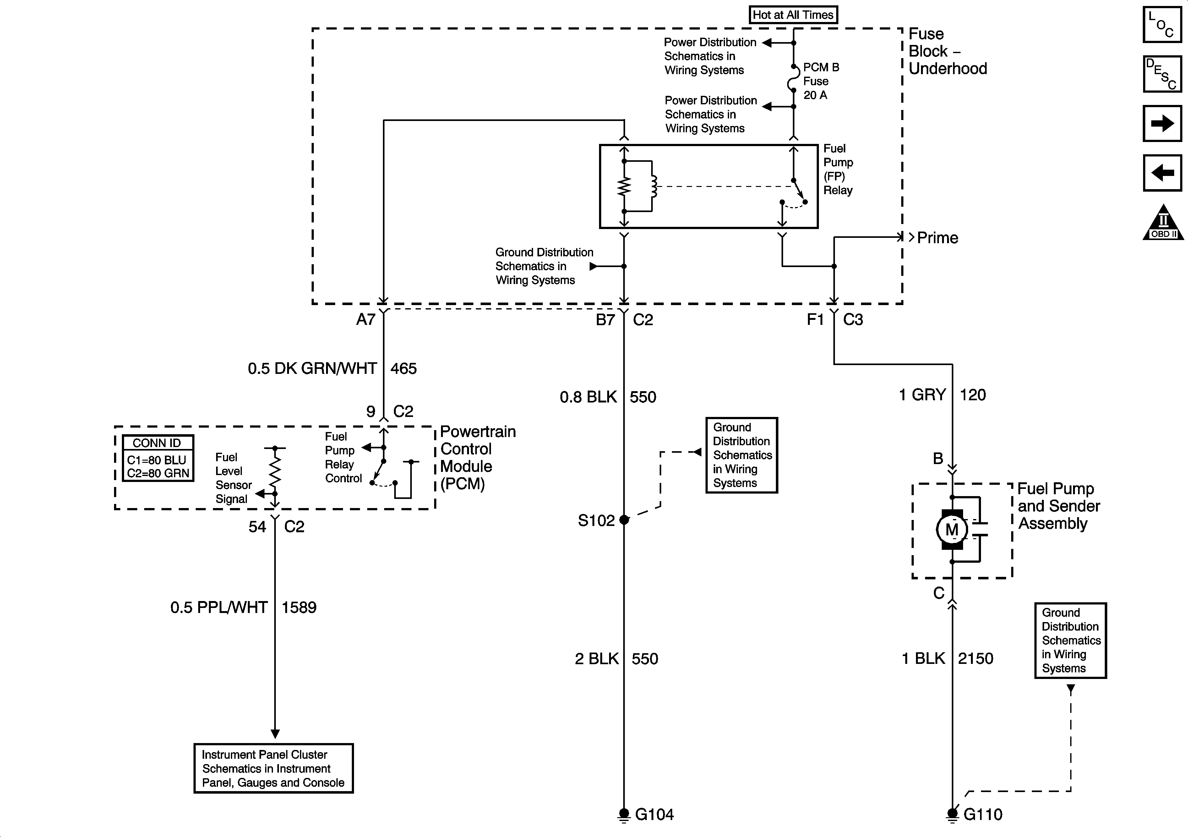
Fuel Controls - Fuel Pump Controls
Engine Data Sensors - HO2S
OBD II Symbol Description Notice
B+ Bus Bar - 2 of 2
INJ 1and INJ 2 Fuses - Gas Except 8.1L
INJ 1and INJ 2 Fuses - Gas Except 8.1L
Gages
Engine Controls Schematic Icons
Figure 6:

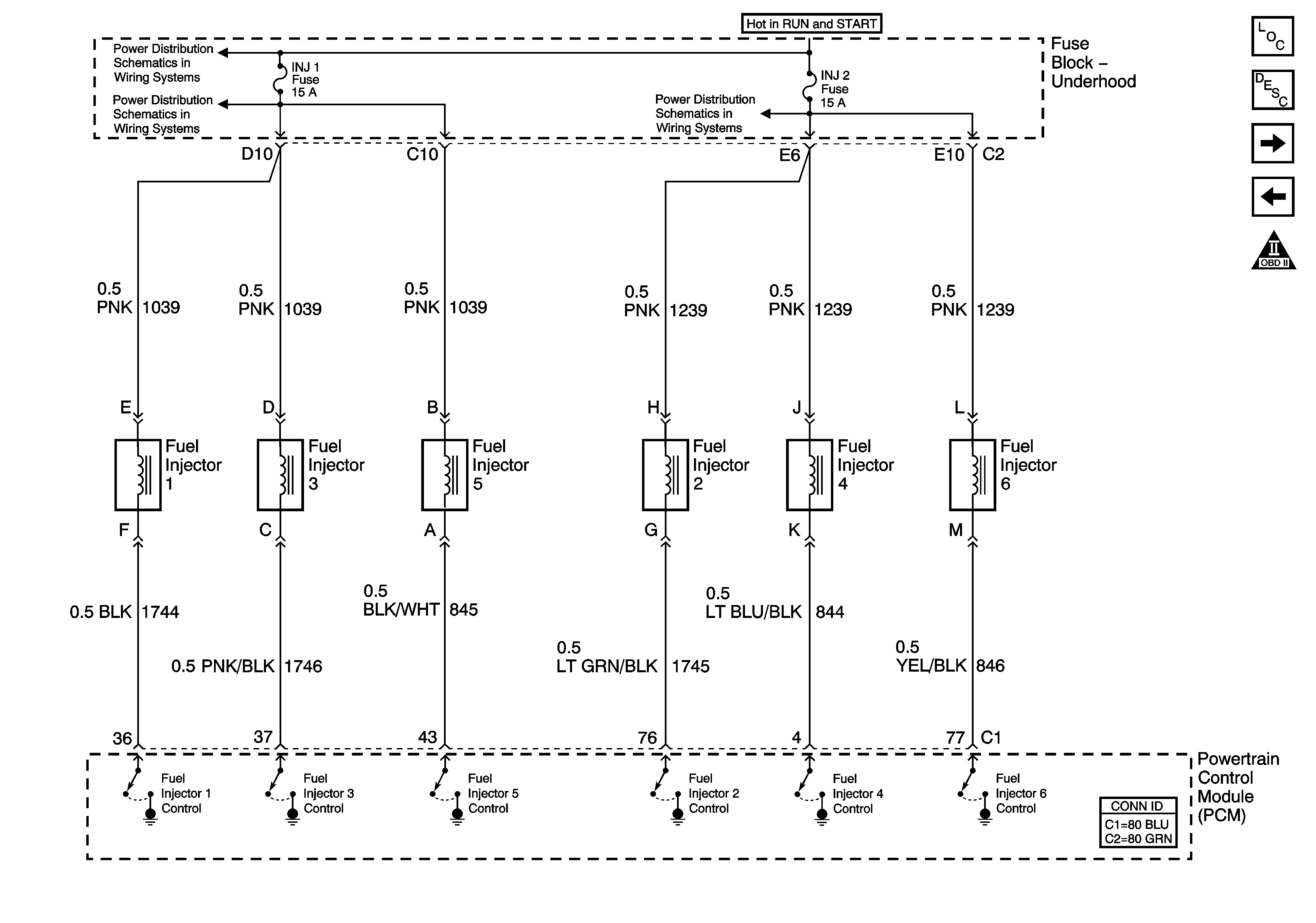
Fuel Controls - Fuel Pump Controls


Object Number: 1226224  Size: FS
Master Electrical Component List
Powertrain Control Module Description
Fuel Controls - Fuel Injectors
Ignition Controls
OBD II Symbol Description Notice
B+ Bus Bar - 2 of 2
LH HID, RH HID, PCM B, CRANK, HORN, and SIR Fuses
G104, G106, and G107
G104, G106, and G107
Fuel Gage
G110
Figure 7:

Fuel Controls - Fuel Injectors


Object Number: 1226226  Size: FS
Master Electrical Component List
Powertrain Control Module Description
Fuel/Device Controls - EVAP, Fuel Tank Pressure, and IAC
Fuel Controls - Fuel Pump Controls
OBD II Symbol Description Notice
B+ Bus Bar - 2 of 2
INJ 1and INJ 2 Fuses - Gas Except 8.1L
INJ 1and INJ 2 Fuses - Gas Except 8.1L
Figure 8:

Fuel/Device Controls - EVAP, Fuel Tanks Pressure, and IAC


Object Number: 1226227  Size: FS
Master Electrical Component List
Powertrain Control Module Description
Controlled/Monitored Subsystem References - 1 of 2
Fuel Controls - Fuel Injectors
OBD II Symbol Description Notice
B+ Bus Bar - 1 of 2
B+ Bus Bar - 2 of 2
SBA, ETC/ECM, PCM 1, BTSI, and TRL B/U Fuses
Fuel Gage
Figure 9:

Controlled/Monitored Subsystem References - 1 of 2


Object Number: 1226232  Size: FS
Master Electrical Component List
Powertrain Control Module Description
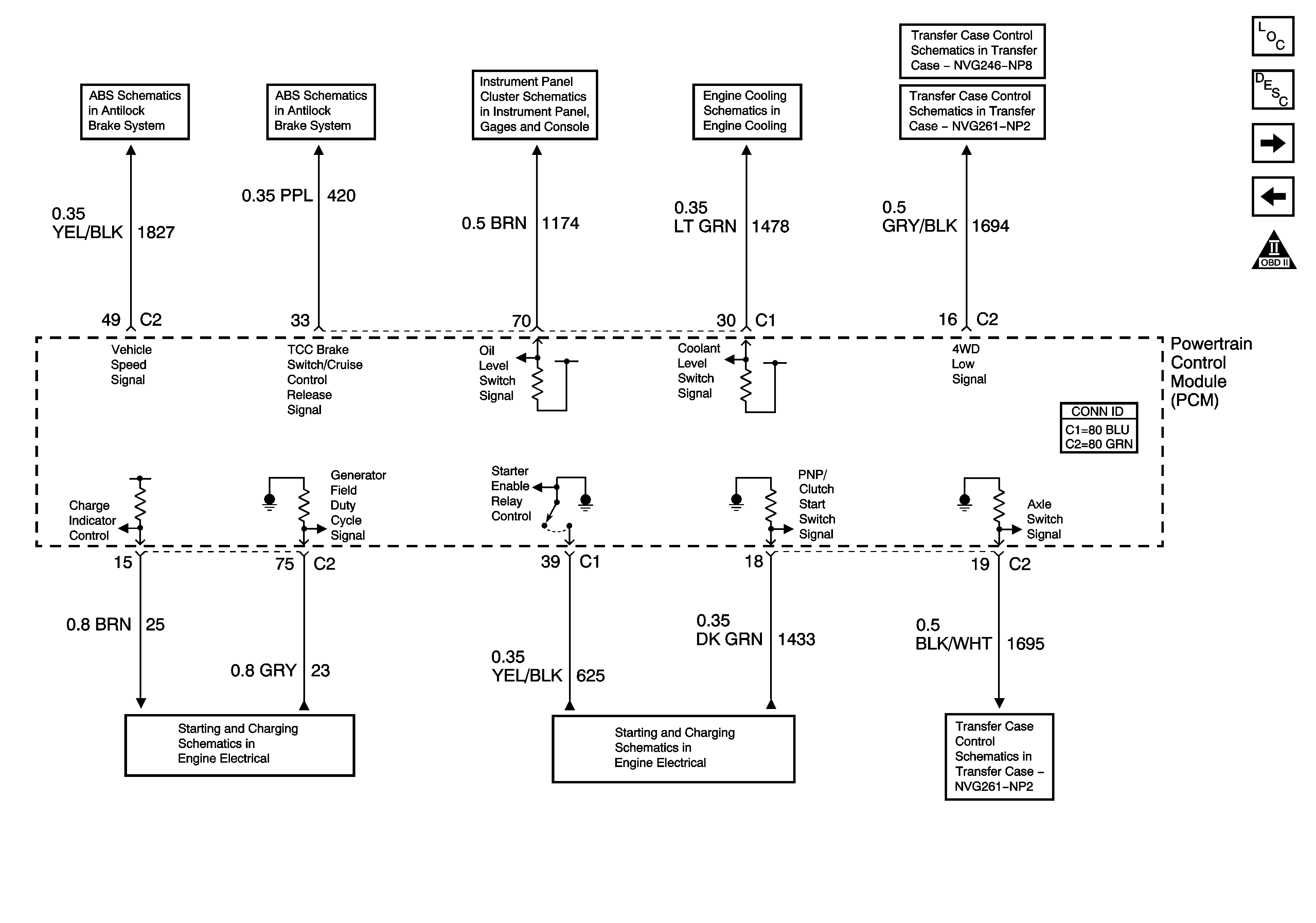
Controlled/Monitored Subsystem References 2 of 2
Fuel/Device Controls - EVAP, Fuel Tank Pressure, and IAC
OBD II Symbol Description Notice
8600 GVW or Less - 1 of 2
8600 GVW or Less - 2 of 2
Indicators
Coolant Level Indicator Control - Diesel and L18 Only
Power, Ground and Transfer Case Encoder Motor
Transfer Case Control Schematics
Charging - Gas
Starting - Gas
Transfer Case Control Schematics
Figure 10:

Controlled/Monitored Subsystem References - 2 of 2


Object Number: 1226234  Size: FS
Master Electrical Component List
Powertrain Control Module Description
Transmission Controls - A/T
Controlled/Monitored Subsystem References - 1 of 2
OBD II Symbol Description Notice
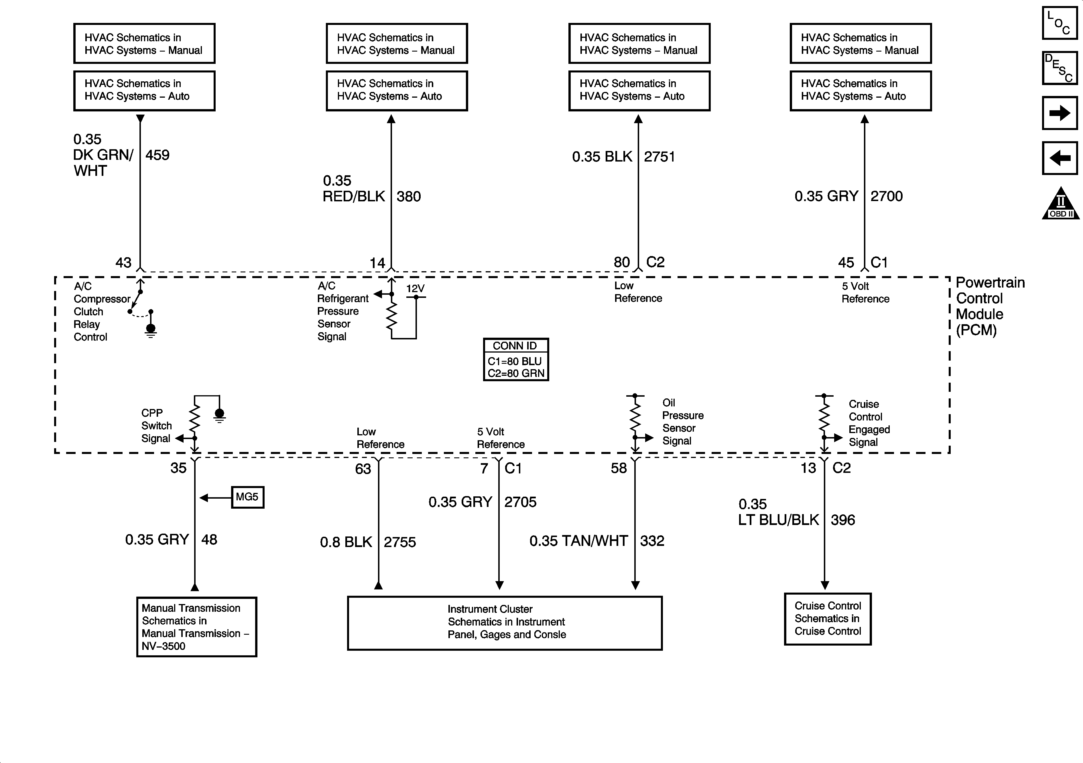
A/C Compressor Controls
A/C Compressor Controls
A/C Compressor Controls
A/C Compressor Controls
A/C Compressor Controls
A/C Compressor Controls
A/C Compressor Controls
A/C Compressor Controls
Manual Transmission Schematics
Gages
4.3L - 1 of 2
Figure 11:

Transmission Controls - A/T


Object Number: 1226236  Size: FS
Master Electrical Component List
Powertrain Control Module Description
Controlled/Monitored Subsystem References 2 of 2
OBD II Symbol Description Notice
Valve Controls and Brake Switch
Switch Inputs
Valve Controls and Brake Switch
Tow/Haul and PNP Switches