GM Service Manual Online
For 1990-2009 cars only
Makes
🢒
Chevrolet
🢒
2005
🢒
Chevy C Silverado - 2WD
🢒
Transmission/Transaxle
🢒
Automatic Transmission - Allison
🢒 Automatic Transmission Controls Schematics
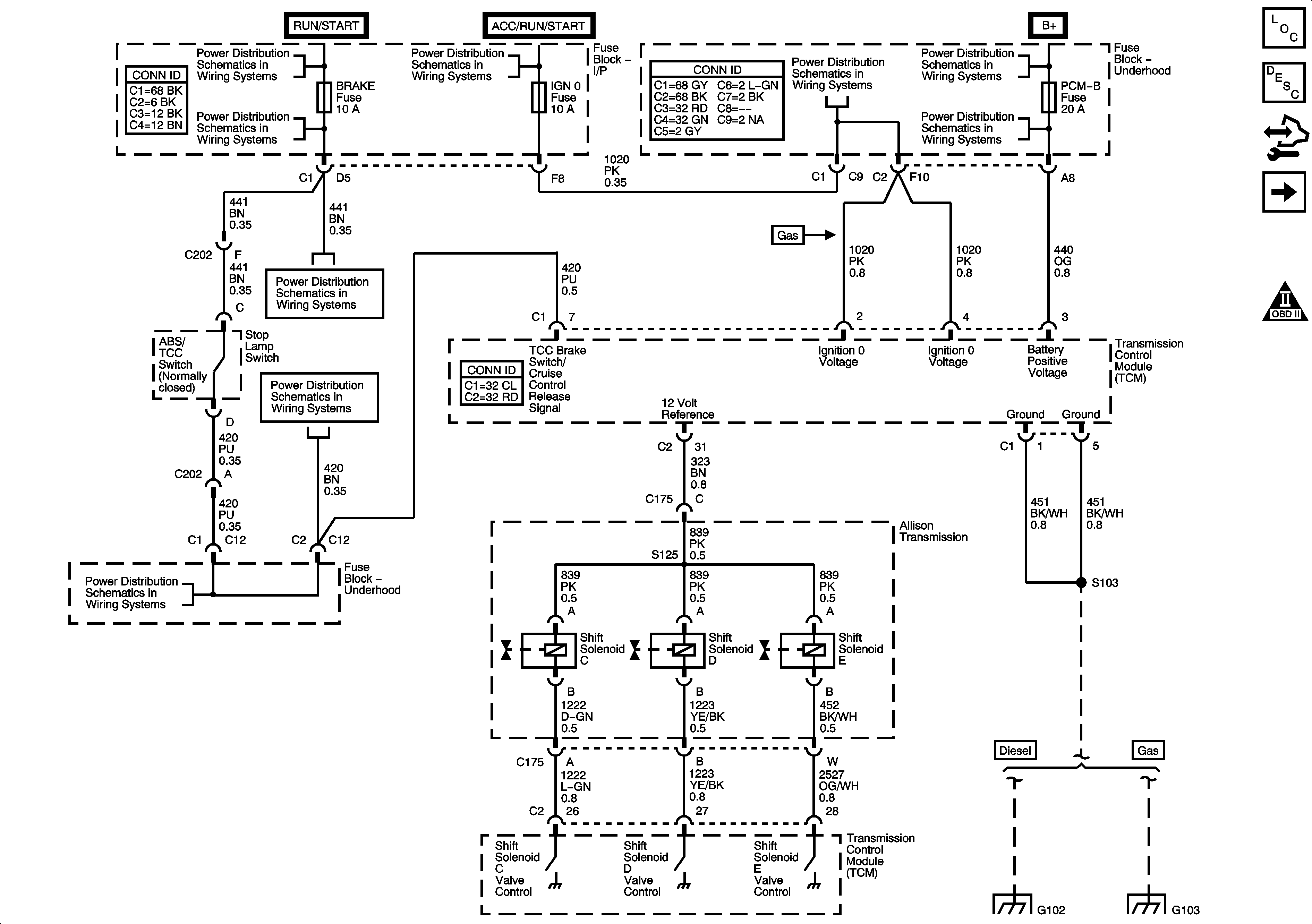
Figure
1:
Power, Ground, Shift Solenoids, and Brake Switch
Master Electrical Component List
Electronic Component Description
Control Module References
MIL Control, Serial Data, Torque Signal and Tow/Haul Switch
Automatic Transmission Schematic Icons
Ignition Switch - START, RUN, and ACC/RUN/START Bus Bars and IGN A and CRANK Fuses
4WD, BRAKE, CRUISE, HTR/AC, HVAC 1, and IGN 3 Fuses
Ignition Switch - START, RUN, and ACC/RUN/START Bus Bars and IGN A and CRANK Fuses
IGN 0, RR WPR, SEO ACCY, TBC ACCY, TBC IGN 0, and WS WPR Fuses
B+ Bar Bus
AUX PWR, AUX PWR 2, DDM, ECC, LBEC 2, LOCKS, PCM B, and PDM Fuses
4WD, BRAKE, CRUISE, HTR/AC, HVAC 1, and IGN 3 Fuses
4WD, BRAKE, CRUISE, HTR/AC, HVAC 1, and IGN 3 Fuses
Ignition Switch - START, RUN, and ACC/RUN/START Bus Bars and IGN A and CRANK Fuses
G102, G103, G108 and G109 - Diesel
G102, G103, G108 and G109 - Diesel
Figure
2:
MIL Control, Serial Data, Torque Signals, and Tow/Haul Switch
Master Electrical Component List
Electronic Component Description
Control Module References
Fluid Pressure Switches, Trim Solenoids, TCC PWR Solenoid and TFT Sensor
Power, Ground, Shift Solenoids and Brake Switch
Automatic Transmission Schematic Icons
Transfer Case Control Schematics NP2
Power, Ground, Serial Data and Transfer Case Encoder Motor
Automatic Transmission Schematic Icons
Automatic Transmission Schematic Icons
Power, Ground, DLC and Splice Pack SP 205
Controller Area Network (CAN) - Diesel
G203 - 2 of 2
Figure
3:
Fluid Pressure Switches, Trim Solenoids, TCC PWR Solenoid, and TFT Sensor
Master Electrical Component List
Electronic Component Description
Control Module References
Speed Sensors and PNP Switches
MIL Control, Serial Data, Torque Signal and Tow/Haul Switch
Automatic Transmission Schematic Icons
Figure
4:
PNP Switches and Speed Sensors
Master Electrical Component List
Electronic Component Description
Control Module References
Fluid Pressure Switches, Trim Solenoids, TCC PWR Solenoid and TFT Sensor
Automatic Transmission Schematic Icons
Automatic Transmission Schematic Icons
Automatic Transmission Schematic Icons
Automatic Transmission Schematic Icons
G102, G103, G108 and G109 - Diesel
G102, G103, G108 and G109 - Diesel