GM Service Manual Online
For 1990-2009 cars only
Figure 1:

Power, Ground, Serial Data, and MIL Indicator


Object Number: 1570486  Size: FS
Master Electrical Component List
Instrument Cluster Description and Operation
Control Module References
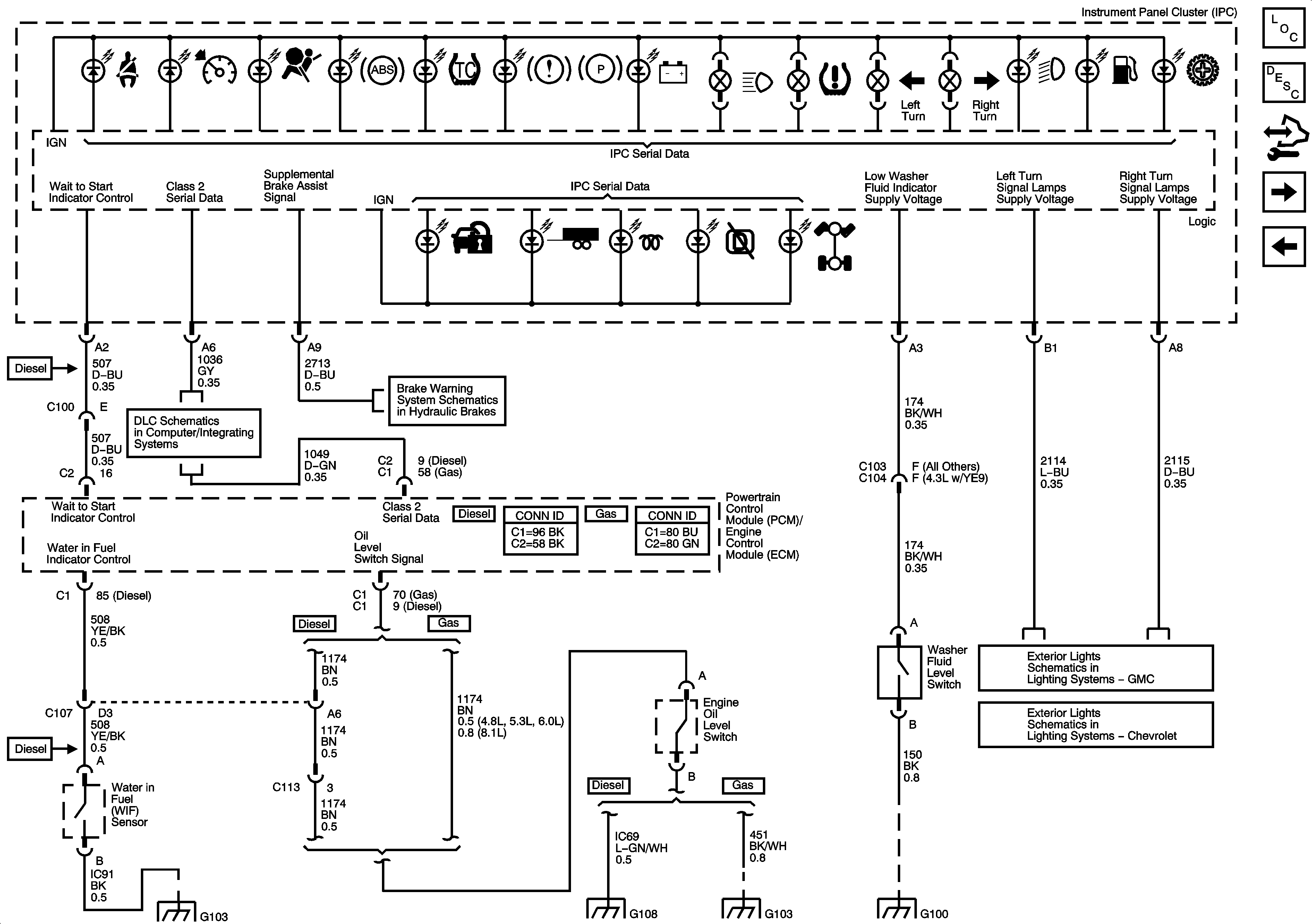
Indicators, Water in Fuel Sensor, Engine Oil Level Switch, and Washer Fluid Level Switch
B+ Bus Bar
Power, Ground, DLC, and Splice Pack SP205
G203 - 1 of 2
IPC/DIC, LH HID, RH HID, SEO B1, SEO B2, and TBC BATT Fuses
IGN E and AIRBAG Fuses
Ignition Switch - ACC/RUN and RUN/START BUS BARS and IGN B Fuse
B/U LP, BTSI, O2A, O2B, SEO IGN, TBC IGN 1, and TRL B/U Fuses
Figure 2:

Indicators, Water in Fuel Sensor, Engine Oil Level Switch, and Washer Fluid Level Sensor


Object Number: 1570489  Size: FS
Master Electrical Component List
Instrument Cluster Description and Operation
Control Module References
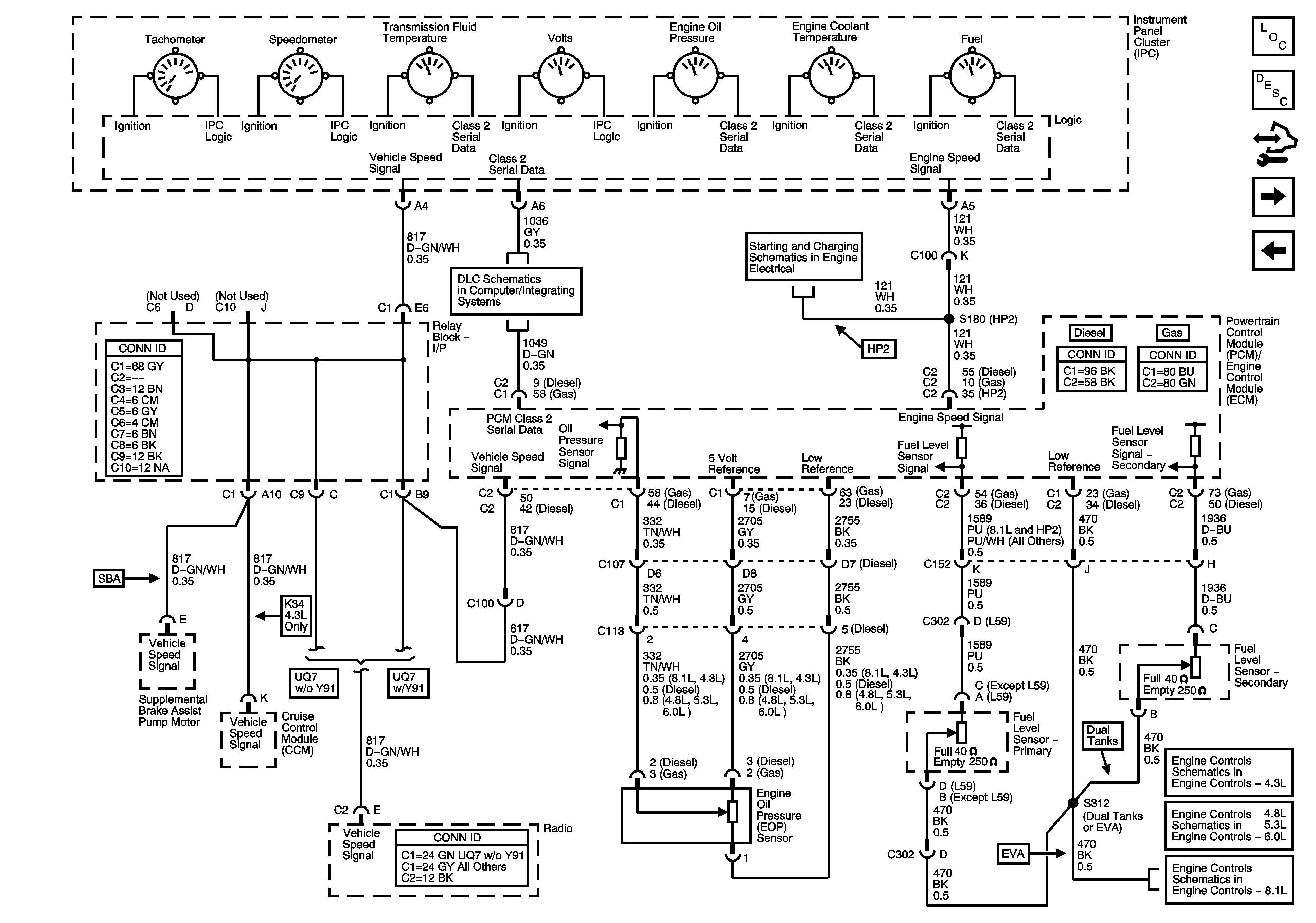
Gages, Vehicle Speed Signal, Engine Oil Pressure, and Fuel Level Sensors
Power, Ground, Serial Data, and MIL Indicator
Power, Ground, DLC, and Splice Pack SP205
Supplemental Brake Assist
G102, G103 and G108 - Diesel
G102, G103 and G108 - Diesel
G103 and G106 - Gas
G100 and G102
Turn Signals - Chevrolet
Turn Signals - GMC
Figure 3:

Gages, Vehicle Speed Signal, Engine Oil Pressure, and Fuel Level Sensors


Object Number: 1570492  Size: FS
Master Electrical Component List
Instrument Cluster Description and Operation
Control Module References
Driver Information Controls
Indicators, Water in Fuel Sensor, Engine Oil Level Switch, and Washer Fluid Level Switch
Power, Ground, DLC, and Splice Pack SP205
Starting - 1 of 2, and Engine Speed Signal
Fuel Controls - EVAP and Device Controls
Fuel Controls - EVAP Controls and FTP Sensor
Fuel Controls - EVAP Controls
Figure 4:

Driver Information Controls


Object Number: 1570495  Size: FS
Master Electrical Component List
Instrument Cluster Description and Operation
Control Module References
Gages, Vehicle Speed Signal, Engine Oil Pressure, and Fuel Level Sensors
I/P Lamps Dimming Control Supply - 1 of 3
I/P Lamps Dimming Control Supply - 1 of 3
G203 - 1 of 2
G203 - 2 of 2