GM Service Manual Online
For 1990-2009 cars only
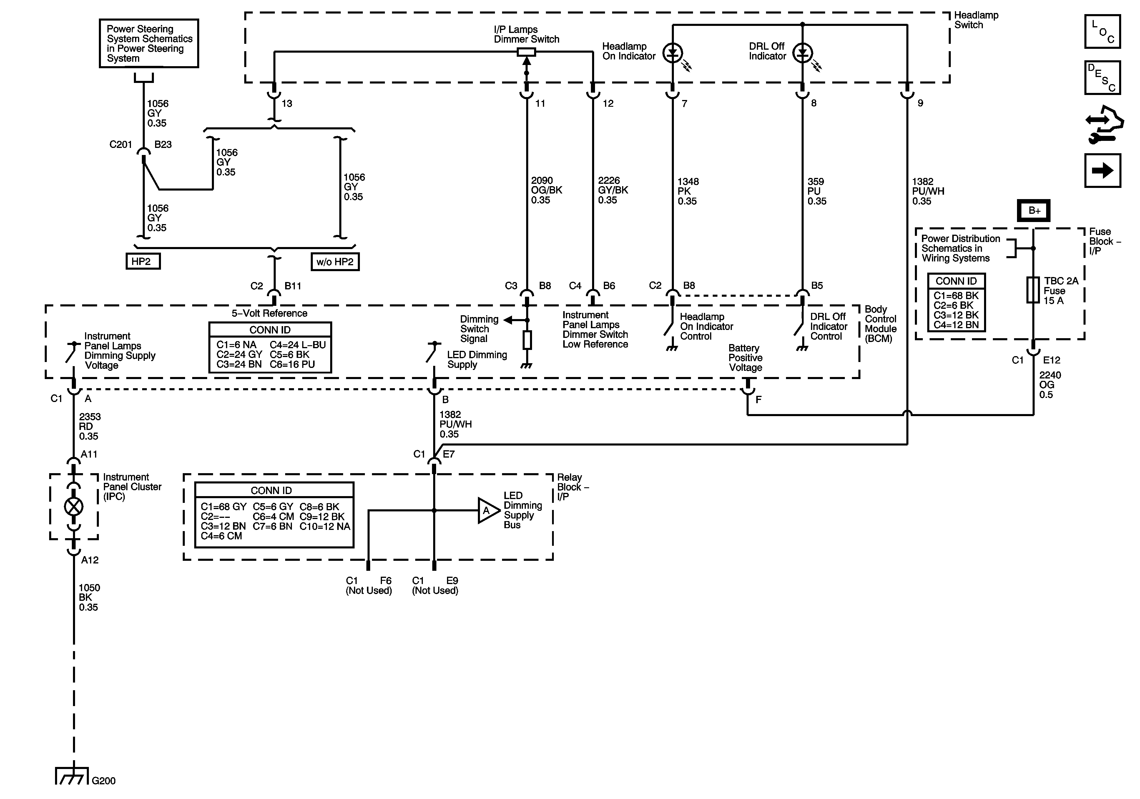
Figure 1:

Interior Lights Dimming Control and LED Dimming Supply 1 of 2


Object Number: 1570534  Size: FS
Master Electrical Component List
Interior Lighting Systems Description and Operation
Control Module References
LED Dimming Supply - 2 of 2
Power, Ground, Serial Data, Steering Wheel/Speed and Brake Pedal Position Sensor
G115 and G200 - 1 of 2
LED Dimming Supply - 2 of 2
BLWR, HAZRD, HVAC/ECAS, LBEC 1, RR DEFOG, RR HVAC, TBC 2A, TBC 2B, and TBC 2C Fuses and LT DOOR Circuit Breaker
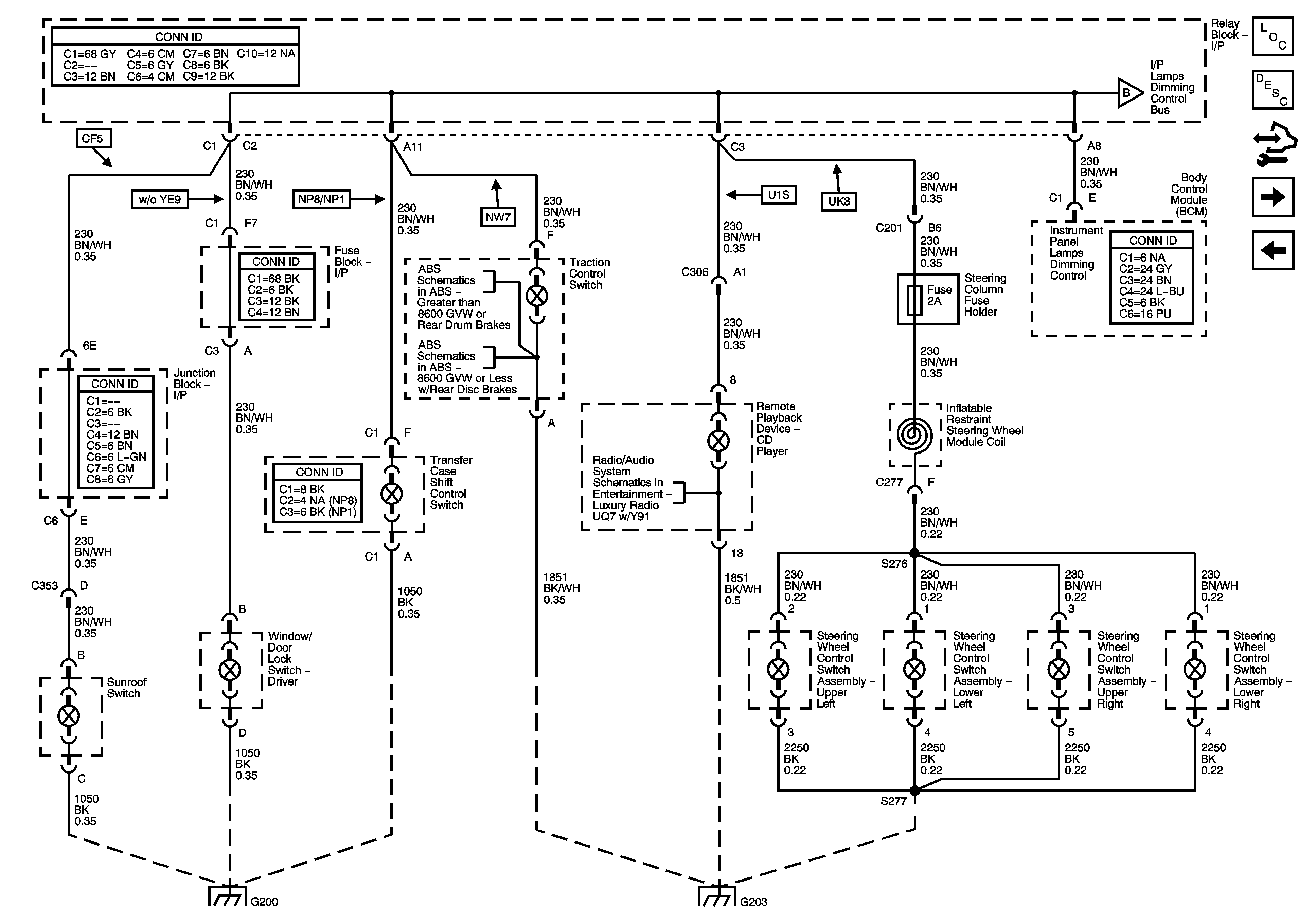
Figure 2:

LED Dimming Supply 2 of 2


Object Number: 1570536  Size: FS
Master Electrical Component List
Interior Lighting Systems Description and Operation
Control Module References
I/P Lamps Dimming Control Supply - 1 of 3
Interior Lights Dimming Control and LED Dimming Supply - 1 of 2
Interior Lights Dimming Control and LED Dimming Supply - 1 of 2
Suspension Controls
Roof Beacon Lighting (5G4/TRW)
G115 and G200 - 1 of 2
Fog Lamps
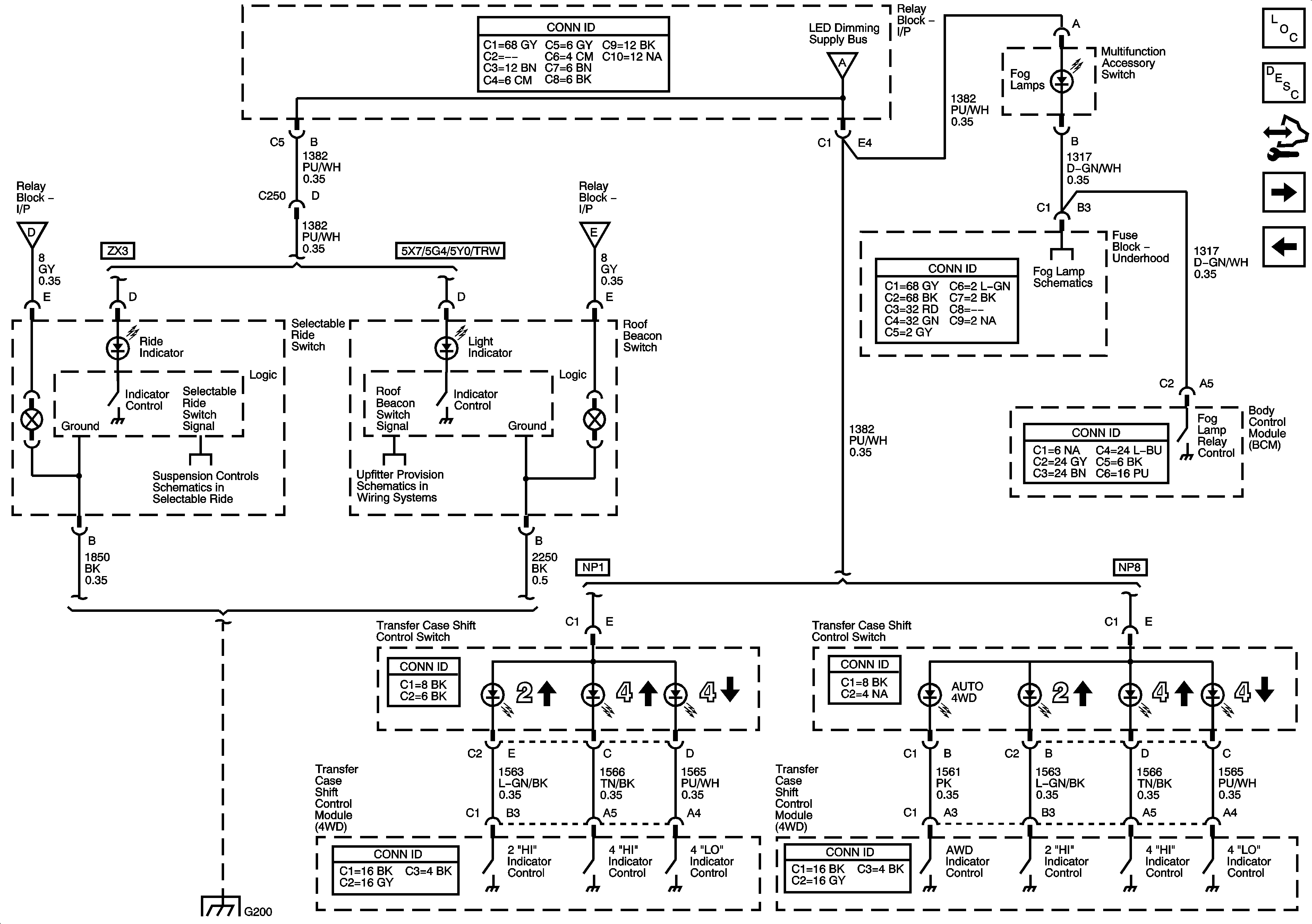
Figure 3:

I/P Lamps Dimming Control Supply 1 of 3


Object Number: 1570539  Size: FS
Master Electrical Component List
Interior Lighting Systems Description and Operation
Control Module References
I/P Lamps Dimming Control Supply - 2 of 3
LED Dimming Supply - 2 of 2
I/P Lamps Dimming Control Supply - 2 of 3
Traction Control Switch and Wheel Speed Sensors - Greater than 8600 GVW or w/Rear Drum Brakes
Traction Control Switch and Wheel Speed Sensors - 8600 GVW or less w/Rear Disc Brakes
Remote Playback Device - CD PLayer (U1S)
G115 and G200 - 1 of 2
G203 - 1 of 2
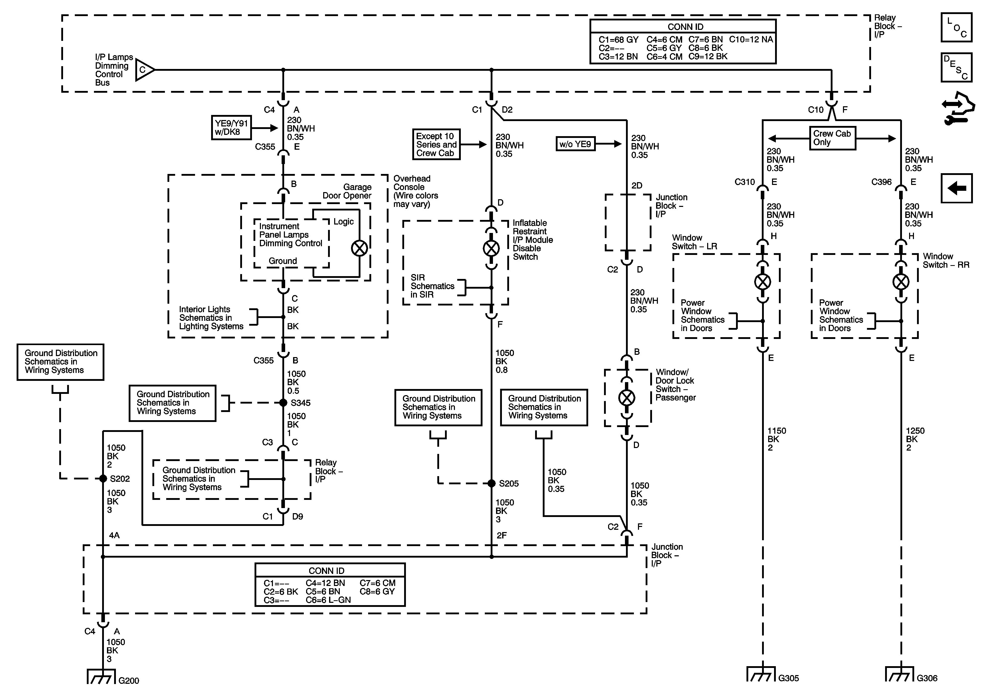
Figure 4:

I/P Lamps Dimming Control Supply 2 of 3


Object Number: 1570541  Size: FS
Master Electrical Component List
Interior Lighting Systems Description and Operation
Control Module References
I/P Lamps Dimming Control Supply - 3 of 3
I/P Lamps Dimming Control Supply - 1 of 3
I/P Lamps Dimming Control Supply - 1 of 3
Interior Lamp Controls and Interior Lamps - 1 of 2
Power Take Off
G200 - 2 of 2
G203 - 1 of 2
G115 and G200 - 1 of 2
G115 and G200 - 1 of 2
G200 - 2 of 2
G200 - 2 of 2
Suspension Controls
Roof Beacon Lighting (5G4/TRW)
I/P Lamps Dimming Control Supply - 3 of 3
Figure 5:

I/P Lamps Dimming Control Supply - 3 of 3


Object Number: 1570542  Size: FS
Master Electrical Component List
Interior Lighting Systems Description and Operation
Control Module References
I/P Lamps Dimming Control Supply - 2 of 3
I/P Lamps Dimming Control Supply - 2 of 3
G115 and G200 - 1 of 2
Interior Lamp Controls and Interior Lamps - 1 of 2
G200 - 2 of 2
G200 - 2 of 2
G115 and G200 - 1 of 2
Power, Ground, Serial Data, and Disable Switch
G200 - 2 of 2
G115 and G200 - 1 of 2
Left Doors
Right Doors
G304, G305, G306, and G390
G304, G305, G306, and G390