GM Service Manual Online
For 1990-2009 cars only

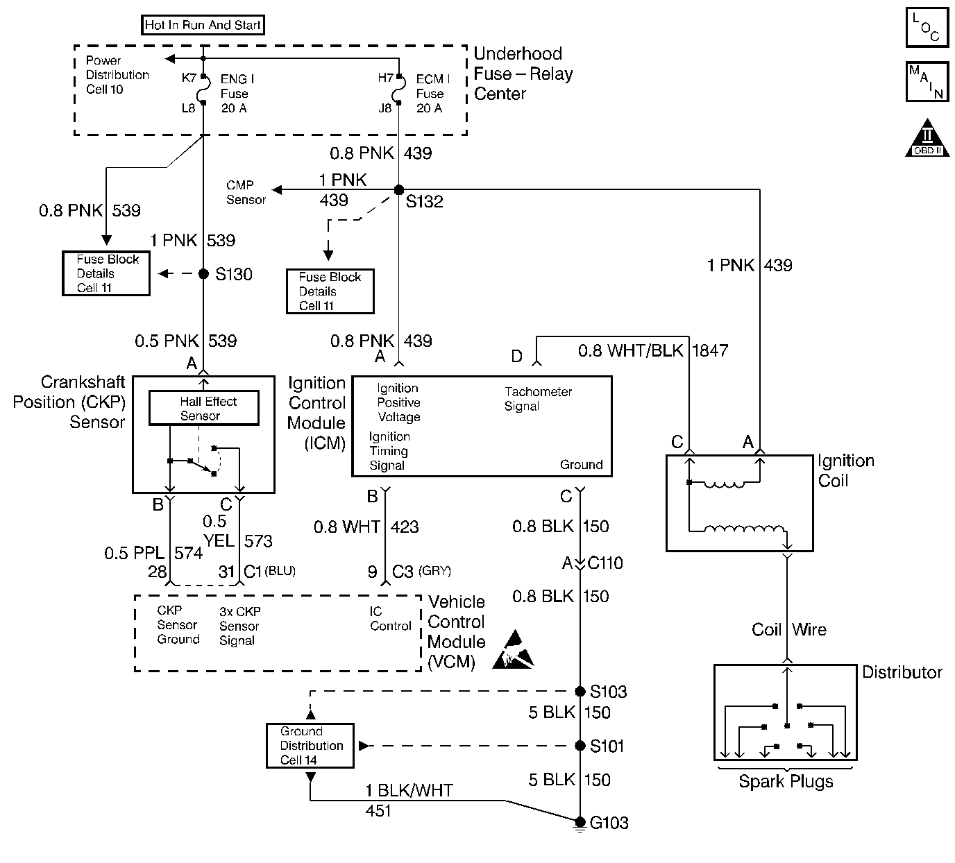
Object Number: 45985  Size: LF
Engine Controls Components
CKP, CMP Sensors, ICM with Ignition Coil
OBD II Symbol Description Notice
Handling ESD Sensitive Parts Notice

Circuit Description

The diagnosis for an engine that cranks but does not run must have three elements present before proceeding with the diagnostic table. The following conditions must exist:

    • The battery must be adequately charged.
    • The engine cranking speed must be sufficient.
    • There must be an adequate amount of fuel in the fuel tank.

Diagnostic Aids

If no trouble is found in the fuel pump circuit or the ignition system and the cause of an Engine Cranks But Will Not Run has not been found, check for the following conditions:

    • Fouled spark plugs
    • An EGR valve stuck open
    • Low fuel pressure. Refer to Fuel System Diagnosis .
    • Water or foreign material in the fuel system
    • A grounded Ignition Control (IC) signal circuit may cause a No Start or a Start then Stall condition
    • Basic engine problem

The VCM has integrated IC circuits that are fault protected; therefore, if a circuit has failed, the integrated IC may not be damaged. If that is the case, the IC will keep the circuit open until the fault in the circuit has been corrected.

When the fault has been corrected, reinstall the VCM and check the circuit. Replace the VCM only if the circuit is still inoperative.

Test Description

The numbers below refer to the step numbers on the diagnostic tables.

  1. If the signal is over 2.5 volts, the engine may be in the clear flood mode which will cause starting problems.

  2. If the engine coolant sensor is below -30°C, the VCM provides fuel for this extremely cold temperature which will severely flood the engine.

  3. Use the injector test lamp J 34730-350 in order to test the injector circuit. A blinking lamp indicates that the VCM is controlling the injector.

  4. Voltage at the spark plug is checked using the spark plug tester tool J 26792 . No spark indicates a basic ignition problem.

  5. This test will determines if there is fuel pressure at the fuel injection unit and holding steady.

Step

Action

Value(s)

Yes

No

1

Was the Powertrain On-Board Diagnostic (OBD) System Check performed?

--

Go to Step 2

Go to Powertrain On Board Diagnostic (OBD) System Check

2

  1. Install the scan tool.
  2. Monitor the TP sensor on the scan tool.

With the throttle closed is the TP sensor over the specified value?

2.5 Volts

Go to DTC P0123 Throttle Position (TP) Sensor Circuit High Voltage

Go to Step 3

3

Monitor the ECT sensor on the scan tool.

Is the ECT sensor below the specified value?

-30°C

Go to DTC P0118 Engine Coolant Temperature (ECT) Sensor Circuit High Voltage

Go to Step 4

4

  1. Turn off the ignition for 10 seconds.
  2. Turn ON the ignition.

Does the fuel pump operate for 2 seconds?

--

Go to Step 5

Go to Fuel Pump Circuit Diagnosis

5

  1. Disconnect the injector connector at the intake manifold.
  2. Connect a test lamp to a ground.
  3. Probe the injector ignition feed circuit.
  4. Crank the engine.

Does the test lamp flash?

--

Go to Step 6

Go to Step 8

6

  1. Disconnect one spark plug wire.
  2. Install the spark tester J 26792 .
  3. Crank the engine.

Is the spark present?

--

Go to Step 7

Go to Enhanced Ignition System

7

  1. Reconnect the one spark plug wire.
  2. Turn off the ignition.
  3. Connect the fuel pressure guage J 34730-1A .

Is the fuel pressure beween the specified values?

380-420 kPa (55-61 psi

Go to Fuel Injector Solenoid Coil Test

Go to Fuel System Diagnosis

8

Repair the injector ignition feed circuit. Refer to Wiring Repairs in Engine Electrical.

Is the action complete?

--

Go to Step 9

--

9

  1. Using the scan tool, select the DTC and the Clear Info.
  2. Attempt to start the engine.

Does the engine start and continue to run?

--

Go to Step 9

Go to Step 2

10

  1. Allow the engine to idle until normal operating temperature is reached.
  2. Select the DTC and the Failed This Ign.

Are any DTCs displayed?

--

Go to The Applicable DTC Table

Go to Step 10

11

Using the scan tool, select the Capture info and the Review info.

Are any DTCs displayed that have not been diagnosed?

--

Go to The Applicable DTC Table

System OK