GM Service Manual Online
For 1990-2009 cars only

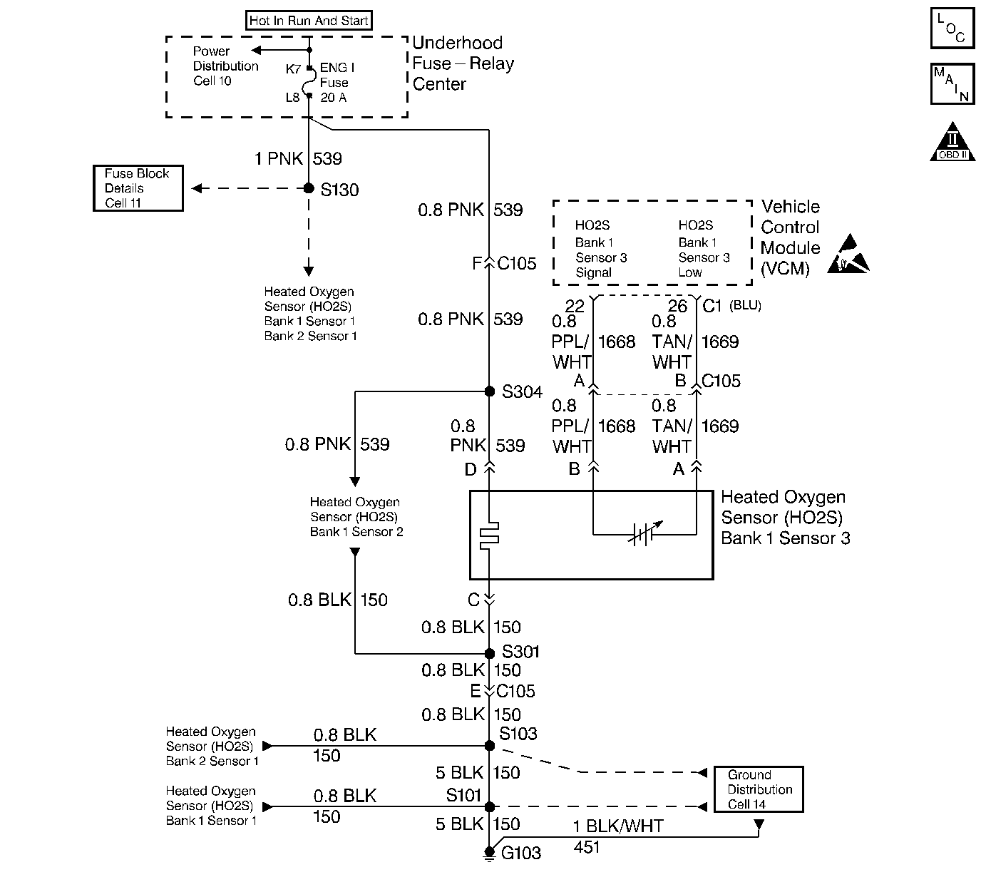
Object Number: 46019  Size: LF
Engine Controls Components
CKP, CMP Sensors, ICM with Ignition Coil
OBD II Symbol Description Notice
Handling ESD Sensitive Parts Notice

Circuit Description

In order to control emissions of Hydrocarbons (HC), Carbon Monoxide (CO) and Oxides of Nitrogen (NOx), a three-way catalytic converter is used. The catalyst within the converter promotes a chemical reaction which oxidizes the HC and CO present in the exhaust gas, converting them into harmless water vapor and carbon dioxide. The catalyst also reduces NOx, converting it to nitrogen. The VCM has the capability to monitor this process using HO2S 2. HO2S 2, located in the exhaust stream past the three-way catalytic converter, produces an output signal which indicates the oxygen storage capacity of the catalyst; this in turn indicates the catalyst's ability to convert exhaust emissions effectively. If the catalyst is functioning correctly, the HO2S 2 signal will be far less active than that produced by HO2S 1. If a problem exists which causes the VCM to detect excessive HO2S 2 activity outside of an acceptable range for an extended period of time, the VCM will set DTC P0430, indicating that the three-way catalytic converter's oxygen storage capacity is below a threshold considered acceptable. DTC P0430 is a type A DTC.

Conditions for Setting the DTC

    • No VS sensor DTCs.
    • No TP sensor DTCs.
    • No HO2 sensor DTCs.
    • No misfire DTCs.
    • No MAP sensor DTCs.
    • No fuel trim DTCs.
    • No ECT sensor DTCs.
    • Engine coolant temperature is above 75°C (167°F).
    • Vehicle is in Closed Loop fuel control.
    • Above conditions met for a period of time to ensure a warm catalyst (at least 2 consecutive minutes).
    • Calc. eng. load is steady.
    • Vehicle speed is steady between 20 mph and 70 mph.
    • HO2S 2 activity has been determined to be excessive by the VCM.
    • All above conditions for up to 2 additional minutes after catalyst warm-up criteria has been met.

Action Taken When the DTC Sets

The VCM will turn ON the Malfunction Indicator Lamp (MIL).

Conditions for Clearing the MIL/DTC

The VCM turns OFF the MIL after 3 consecutive driving trips without a fault condition present. A history DTC will clear if no fault conditions have been detected for 40 warm-up cycles (the coolant temperature has risen 22°C (40°F) from the start-up coolant temperature and the engine coolant temperature exceeds 71°C (160°F) during that same ignition cycle) or the scan tool clearing feature has been used.

Diagnostic Aids

Difficulty running the OBD II status DTC P0430 test may be encountered in areas where test conditions cannot be maintained easily, especially in urban areas. To minimize the amount of driving required to complete the test, use the following procedure

    • Catalyst can be warmed up in service bay previous to drive cycle.
    • Engine also can be warmed up in bay also. HO2S 2 activity test: Using a scan tool, monitor MAP, HO2S 1, and HO2S 2 displays in Park or Neutral above idle. Compare HO2S 1 and HO2S 2 activity (amplitude and frequency) to each other during a 30 second period. If HO2S 2 activity is nearly as great as HO2S 1 activity, a problem exists; use diagnostic table on facing page. If much less activity is noted, system is functioning properly.

Test Description

Number(s) below refer to the step number(s) on the Diagnostic Table.

  1. This table includes checks for conditions that can cause the three-way catalytic converter efficiency to appear degraded. Inspect and repair exhaust system as necessary per Exhaust System. Also inspect the HO2S 2 pigtail and engine harness for any damage that can cause an intermittent fault in HO2S 2 sensor signal HIGH and LOW circuits.

  2. If the three-way catalytic converter needs to be replaced, make sure that another condition is not present which caused the catalyst to be damaged. These conditions include a) misfire; b) high engine oil consumption or coolant consumption; c) retarded spark timing or weak spark. To avoid damaging the replacement three-way catalytic converter, correct engine misfire or mechanical fault before replacing three-way catalytic converter.

Step

Action

Value(s)

Yes

No

1

Important: Before clearing DTC(s) use the scan tool to record freeze frame and failure records for reference, as data will be lost when Clear Info function is used.

Was the Powertrain On-Board Diagnostic (OBD) System Check performed?

--

Go to Step 2

Go to the Powertrain On Board Diagnostic (OBD) System Check

2

Important: If any MAP sensor, HO2S 1 or HO2S 2, Misfire, Fuel Trim, Vehicle Speed sensor, or ECT sensor DTC(s) are set, diagnose those DTC(s) before using this table.

Are any other DTC(s) set?

--

Go to Step 4

Go to Step 3

3

Visually/physically check the following:

    • Verify that the Three-Way Catalytic Converter is an original equipment manufacturer part.
    • Three-Way Catalytic Converter for damage (dents, severe discoloration caused by excessive temperatures, holes, etc).
    • Ensure that internal converter rattle (caused by damaged catalyst) is not present.
    • Exhaust system between the Three-Way Catalytic Converter and the rear converter flange for leaks, damage, or loose or missing hardware.
    • Ensure that the HO2S 2 is secure and that the HO2S 2 pigtail and wiring is not damaged or contacting the exhaust.

Was a problem found?

--

Go to Step 10

Go to Step 5

4

Go to appropriate DTC(s).

--

--

--

5

Check all the VCM grounds.

Was a problem found?

--

Go to Step 10

Go to Step 6

6

Check all the sensor grounds.

Was a problem found?

--

Go to Step 10

Go to Step 7

7

Check the H02S 2 sensor high and low circuits for an intermittent open.

Was a problem found?

--

Go to Step 10

Go to Step 8

8

Check the H02S 2 sensor high and low circuits for a intermittent short to ground.

Was a problem found?

--

Go to Step 10

Go to Step 9

9

Replace the Three-Way Catalytic Converter.

Important: If Three-Way Catalytic Converter needs to be replaced, check for a possible misfire (refer to DTC P0300 Table) or an engine mechanical problem (refer to Engine Mechanical).

Is the action complete?

--

Go to Step 11

--

10

Repair the problem as necessary.

Is the action complete?

--

Go to Step 11

--

11

  1. Using the scan tool, select DTC, Clear Info.
  2. Start the engine and idle at normal operating temperature.
  3. Select DTC, Specific, then enter the DTC number which was set.
  4. Operate the vehicle within the conditions for setting this DTC as specified in the supporting text.

Does the scan tool indicate that this diagnostic Ran and Passed?

--

Go to Step 12

Go to Step 2

12

Using the scan tool, select Capture Info, Review Info.

Are any DTCs displayed that have not been diagnosed?

--

Go to the Applicable DTC Table

System OK