GM Service Manual Online
For 1990-2009 cars only
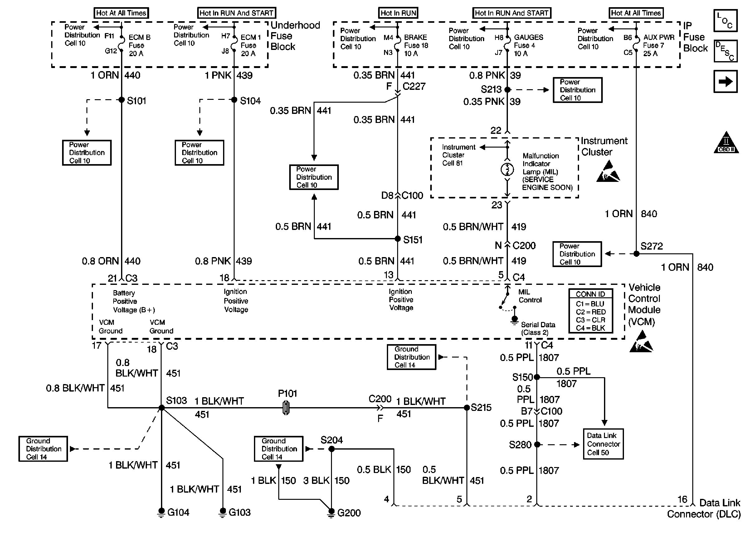
Figure 1:

Power, Ground, and DLC


Object Number: 333399  Size: FS
Cell 10: Battery, and Underhood Fuse Block
Cell 10: IGN A Fuse and Ignition Switch
Cell 10: IGN B Fuse and Ignition Switch
Cell 10: IGN A Fuse and Ignition Switch
Cell 10: LIGHTING and BATTERY Fuses
Cell 10: ECM-B, HORN and A/C COMP Fuses
Cell 10: ECM 1 Fuse (5.0L/5.7L)
Cell 10: BRAKE and HTR-A/C Fuses
Cell 10: GAUGES Fuse
Cell 10: STOP/HAZ, RADIO BATT, and AUX PWR Fuses
VCM Connector End Views
Cell 14: G103 and G104
Cell 50
Cell 14: G103 and G104
Ignition
OBD II Symbol Description Notice
Figure 2:

Ignition


Object Number: 333402  Size: FS
Cell 10: Battery, and Underhood Fuse Block
Cell 10: ENG-1 Fuse
Cell 10: ENG 1 and ECM 1 Fuses (Diesel)
VCM Connector End Views
Cell 14: G103 and G104
Fuel Controls
Power, Ground, and DLC
OBD II Symbol Description Notice
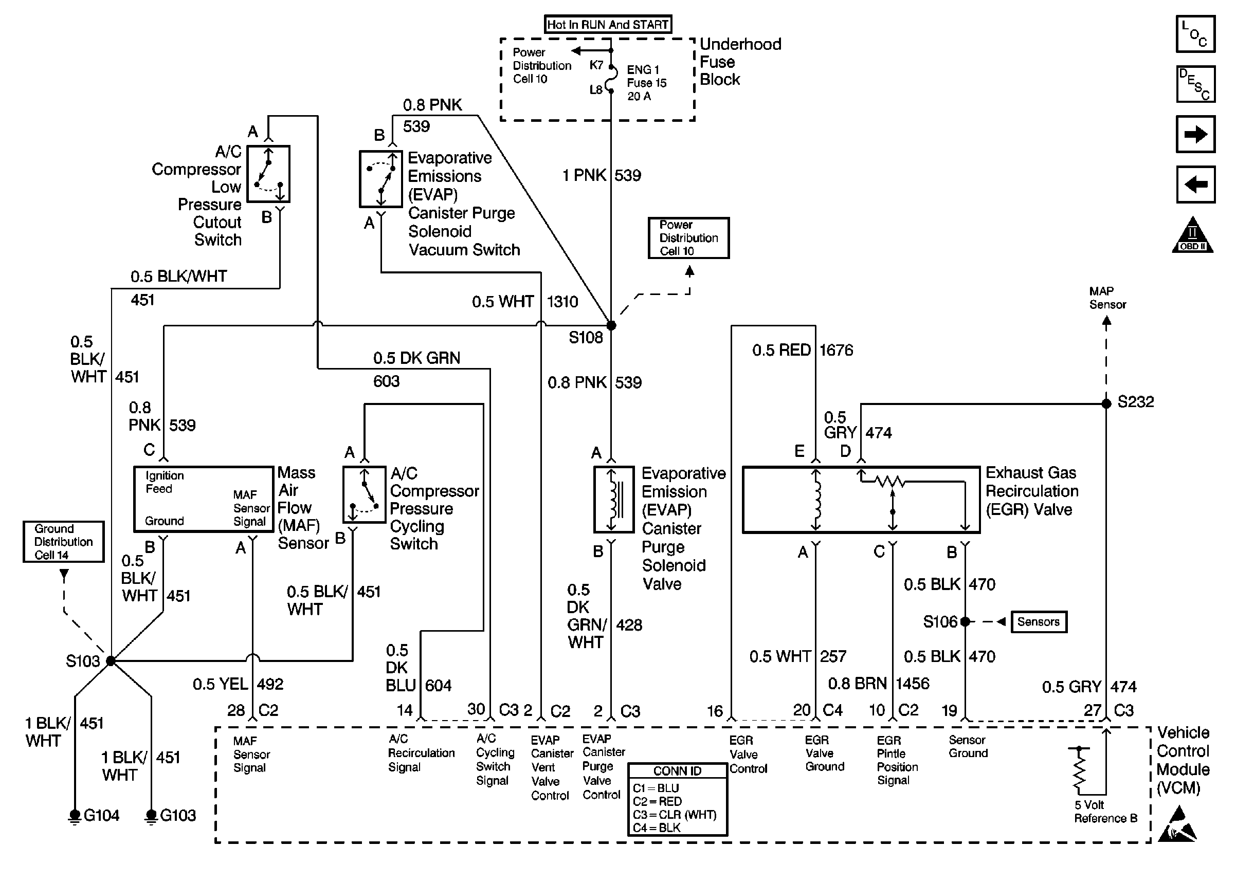
Figure 3:

Fuel Controls


Object Number: 333406  Size: FS
Cell 10: Battery, and Underhood Fuse Block
Cell 10: ECM-B, HORN and A/C COMP Fuses
Fuel Gauge Sender (Dual Tank, Gas)
Cell 14: G201, G300, G404
Cell 14: G103 and G104
VCM Connector End Views
OBD II Symbol Description Notice
Ignition
Fuel Injector Controls
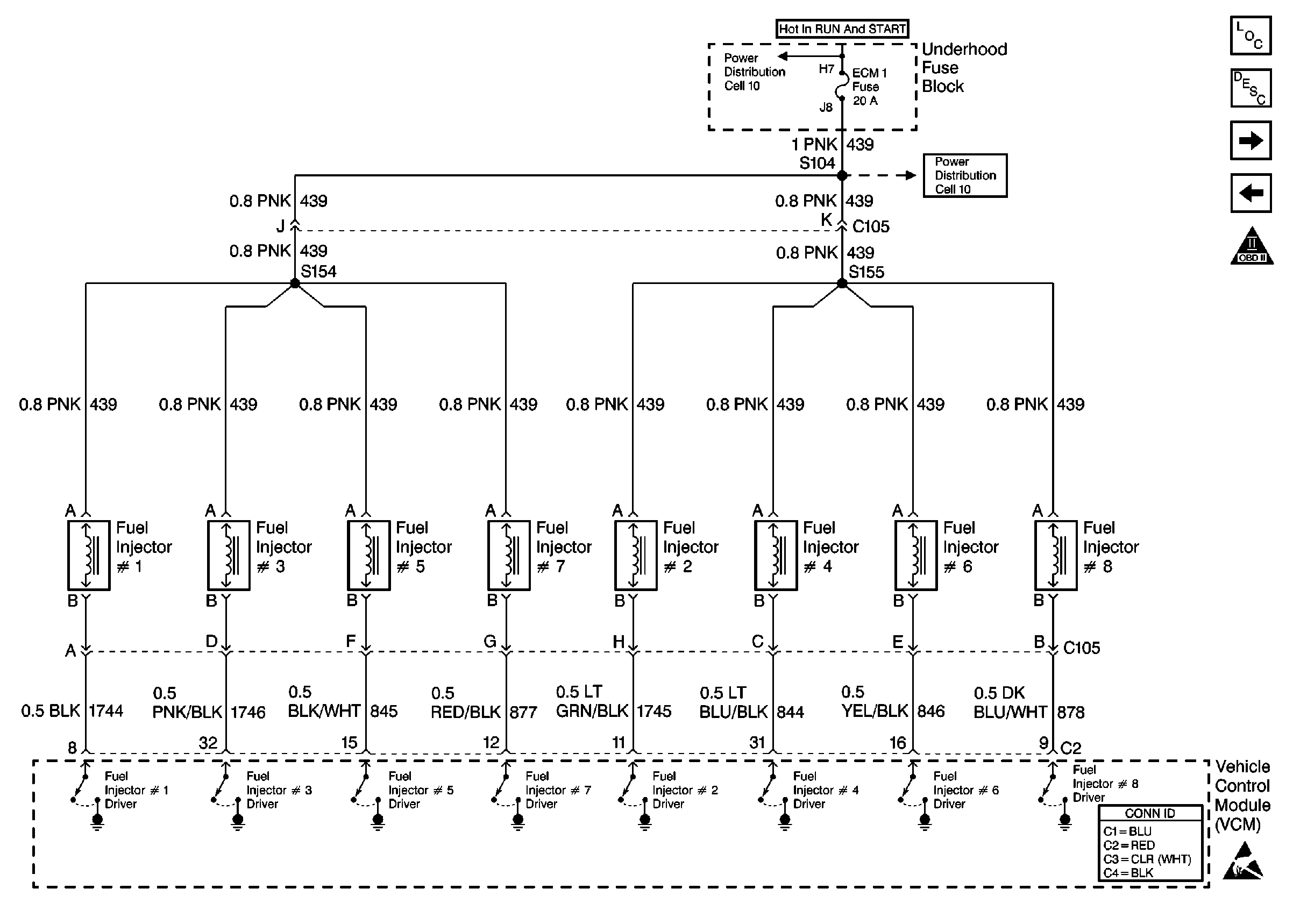
Figure 4:

Fuel Injector Controls


Object Number: 333410  Size: FS
Cell 10: IGN A Fuse and Ignition Switch
Cell 10: ECM 1 Fuse (5.0L/5.7L)
VCM Connector End Views
Handling ESD Sensitive Parts Notice
OBD II Symbol Description Notice
Fuel Controls
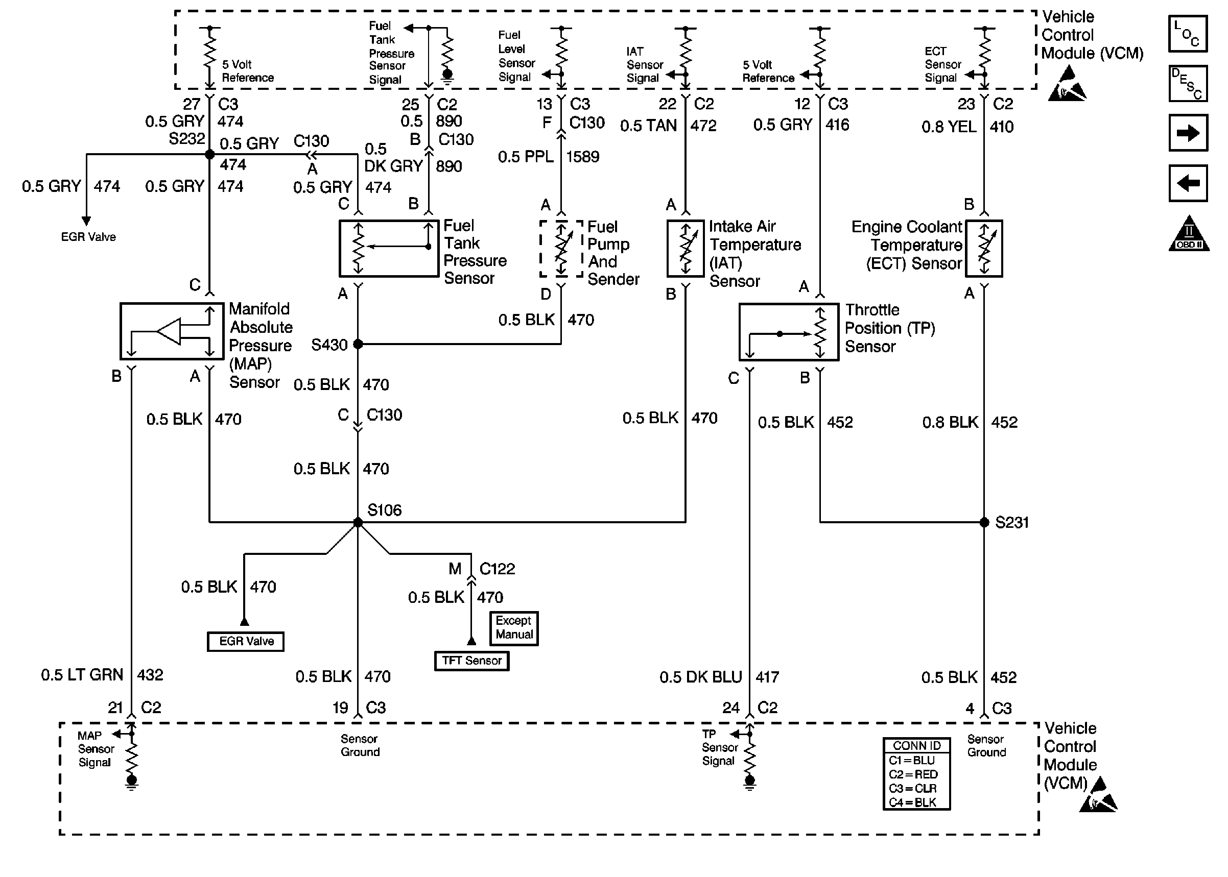
Engine Sensors
Figure 5:

Engine Sensors


Object Number: 333403  Size: FS
VCM Connector End Views
OBD II Symbol Description Notice
Fuel Injector Controls
Heated Oxygen Sensors
Figure 6:

Heated Oxygen Sensors


Object Number: 333413  Size: FS
Cell 10: IGN A Fuse and Ignition Switch
Cell 10: ENG-1 Fuse
VCM Connector End Views
Cell 14: G105 (2 of 2)
Cell 14: G105 (1 of 2)
Handling ESD Sensitive Parts Notice
OBD II Symbol Description Notice
Engine Sensors
4WD, IAC, and Upshift Controls
Figure 7:

4WD, IAC, and Upshift Controls


Object Number: 333415  Size: FS
Cell 10: IGN A Fuse and Ignition Switch
Cell 10: GAUGES Fuse
Front Axle Actuator
VCM Connector End Views
Handling ESD Sensitive Parts Notice
OBD II Symbol Description Notice
Heated Oxygen Sensors
VCM, Underhood Fuse Relay Center
Figure 8:

VCM, Underhood Fuse Relay Center


Object Number: 333423  Size: FS
Figure 9:

VSS and Cruise Controls


Object Number: 333416  Size: FS
Handling ESD Sensitive Parts Notice
Handling ESD Sensitive Parts Notice
Handling ESD Sensitive Parts Notice
VCM Connector End Views
Handling ESD Sensitive Parts Notice
OBD II Symbol Description Notice
VCM, Underhood Fuse Relay Center
Evaporative and EGR Controls
Figure 10:

Evaporative and EGR Controls


Object Number: 333411  Size: FS
Cell 10: IGN A Fuse and Ignition Switch
Cell 10: ENG-1 Fuse
Cell 14: G103 and G104
VCM Connector End Views
Handling ESD Sensitive Parts Notice
OBD II Symbol Description Notice
VSS and Cruise Controls
Transmission Controls
Figure 11:

Transmission Controls


Object Number: 333420  Size: FS
Handling ESD Sensitive Parts Notice
VCM Connector End Views
Handling ESD Sensitive Parts Notice
OBD II Symbol Description Notice
Evaporative and EGR Controls
Shift Solenoids
Figure 12:

Shift Solenoids


Object Number: 333418  Size: FS
Cell 10: IGN B Fuse and Ignition Switch
Cell 10: BRAKE and HTR-A/C Fuses
Cell 10: AIR BAG, TURN B/U, CRANK, and TRANS Fuses
Cell 34: Cruise Control Module, VCM (Gas) (2 of 2)
ABS Schematics
VCM Connector End Views
OBD II Symbol Description Notice
Transmission Controls
Figure 13:

A/C Controls


Object Number: 333421  Size: FS
Cell 10: ECM-B, HORN and A/C COMP Fuses
Cell 10: IGN A Fuse and Ignition Switch
Cell 10: IGN B Fuse and Ignition Switch
Cell 10: BRAKE and HTR-A/C Fuses
Cell 10: IGN E Fuse
Cell 14: G105 (1 of 2)
Cell 14: G105 (1 of 2)
VCM Connector End Views
Handling ESD Sensitive Parts Notice
Cell 14: G103 and G104
Cell 14: G200 (4 of 4)
OBD II Symbol Description Notice
Shift Solenoids