GM Service Manual Online
For 1990-2009 cars only
Figure 1:

PWR, GND, and DLC


Object Number: 185277  Size: FS
Cell 10: Battery, and Underhood Fuse Block
Cell 10: LIGHTING and BATTERY Fuses
Cell 10: IGN A Fuse and Ignition Switch
Cell 10: LIGHTING and BATTERY Fuses
Cell 10: ECM-B, HORN and A/C COMP Fuses
Cell 10: ENG 1 and ECM 1 Fuses (Diesel)
Cell 10: GAUGES Fuse
Powertrain Control Module Connector End Views
Cell 11: G104 Diesel
Cell 11: G104 Diesel
Cell 14: G200 (1 of 4)
Handling ESD Sensitive Parts Notice
Handling ESD Sensitive Parts Notice
Handling ESD Sensitive Parts Notice
Handling ESD Sensitive Parts Notice
OBD II Symbol Description Notice
Fuel Controls
Figure 2:

Fuel Controls


Object Number: 185298  Size: FS
Cell 10: IGN A Fuse and Ignition Switch
Cell 10: Battery, and Underhood Fuse Block
Cell 10: GAUGES Fuse
Cell 10: ENG 1 and ECM 1 Fuses (Diesel)
Cell 10: ENG-1 Fuse
Cell 14: G105 (1 of 2)
Powertrain Control Module Connector End Views
OBD II Symbol Description Notice
Fuel Controls
PWR, GND, and DLC
Figure 3:

Fuel Controls


Object Number: 185296  Size: FS
Cell 10: Battery, and Underhood Fuse Block
Cell 10: ECM-B, HORN and A/C COMP Fuses
Fuel Gauge Sender (Dual Tank, Gas)
Cell 14: G201, G300, G404
Cell 14: G103 and G104
Powertrain Control Module Connector End Views
Handling ESD Sensitive Parts Notice
OBD II Symbol Description Notice
Fuel Controls
Glow Plug Controls
Figure 4:

Glow Plug Controls


Object Number: 185292  Size: FS
Cell 10: GAUGES Fuse
Cell 10: ENG-1 Fuse
Cell 10: Battery, and Underhood Fuse Block
Cell 10: Battery, and Underhood Fuse Block
Handling ESD Sensitive Parts Notice
Handling ESD Sensitive Parts Notice
Powertrain Control Module Connector End Views
Cell 14: G105 (1 of 2)
OBD II Symbol Description Notice
Fuel Controls
Ignition System
Figure 5:

Engine Sensors


Object Number: 185303  Size: FS
Ignition System
Ignition System
Ignition System
OBD II Symbol Description Notice
Ignition System
VSS Controls
Figure 6:

Ignition System


Object Number: 185301  Size: FS
Engine Sensors
Engine Sensors
Engine Sensors
Engine Sensors
Powertrain Control Module Connector End Views
Handling ESD Sensitive Parts Notice
Handling ESD Sensitive Parts Notice
OBD II Symbol Description Notice
Glow Plug Controls
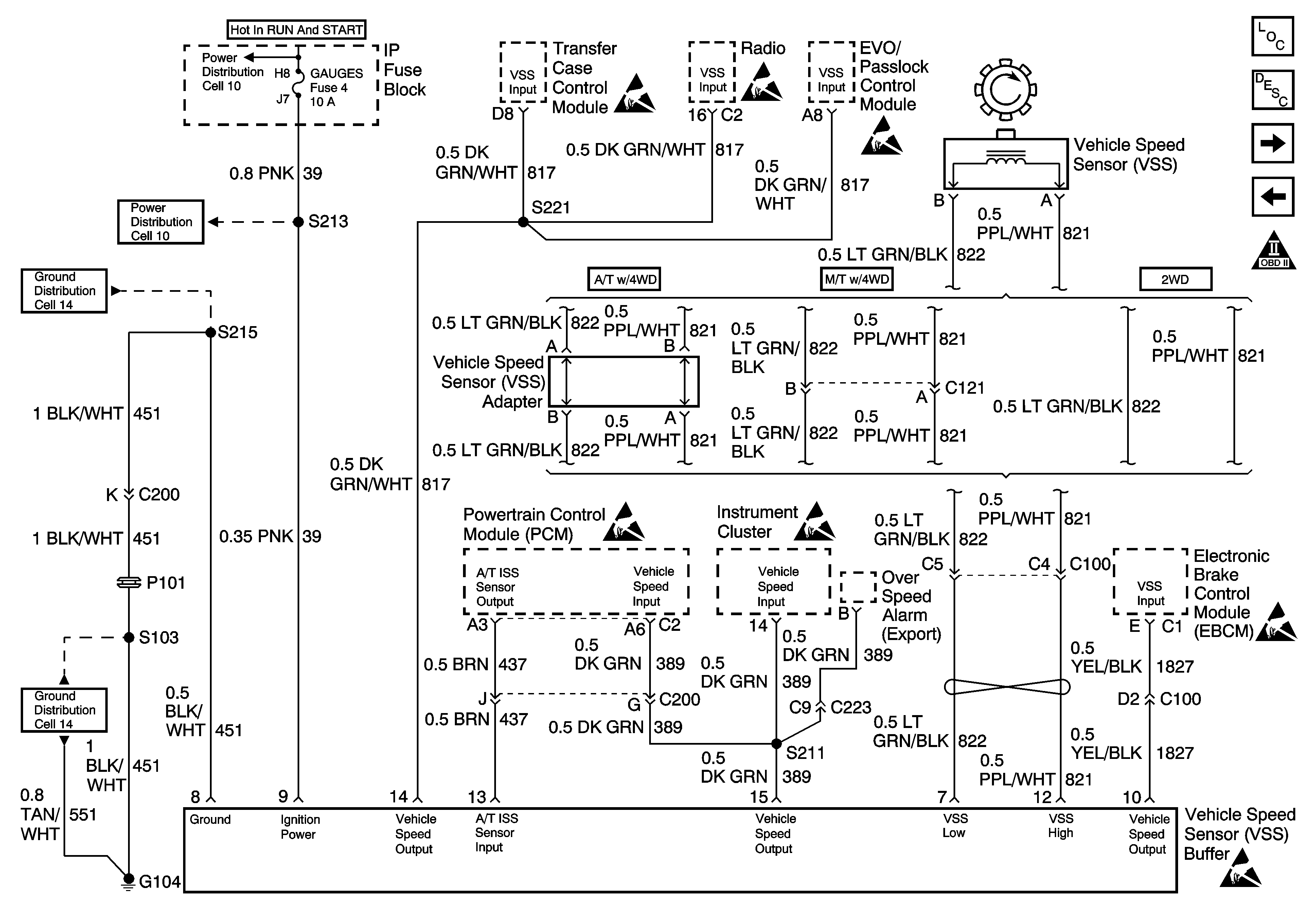
Engine Sensors
Figure 7:

VSS Controls


Object Number: 185306  Size: FS
Cell 10: IGN A Fuse and Ignition Switch
Cell 11: G104 Diesel
Cell 10: GAUGES Fuse
Cell 11: G104 Diesel
Handling ESD Sensitive Parts Notice
Handling ESD Sensitive Parts Notice
Handling ESD Sensitive Parts Notice
Handling ESD Sensitive Parts Notice
Handling ESD Sensitive Parts Notice
Handling ESD Sensitive Parts Notice
Handling ESD Sensitive Parts Notice
OBD II Symbol Description Notice
Engine Sensors
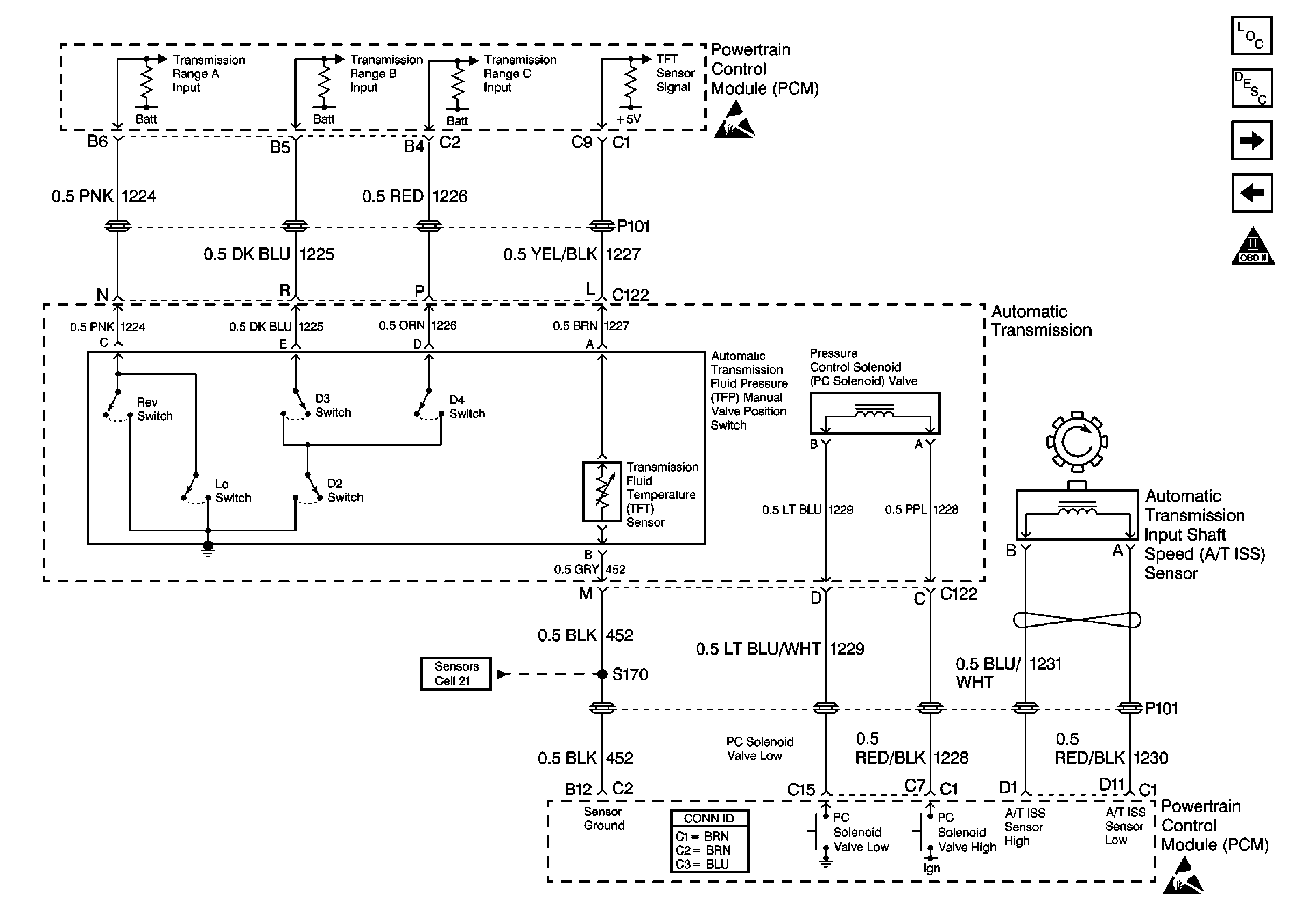
Transmission Controls
Figure 8:

Transmission Controls


Object Number: 185309  Size: FS
Handling ESD Sensitive Parts Notice
Ignition System
Powertrain Control Module Connector End Views
Handling ESD Sensitive Parts Notice
OBD II Symbol Description Notice
VSS Controls
Transmission and TCC Controls
Figure 9:

Transmission and TCC Controls


Object Number: 185308  Size: FS
Cell 10: LIGHTING and BATTERY Fuses
Cell 10: IGN B Fuse and Ignition Switch
Cell 10: AIR BAG, TURN B/U, CRANK, and TRANS Fuses
Cell 10: AIR BAG, TURN B/U, CRANK, and TRANS Fuses
Cell 110: STOP/HAZ Fuse 1, Turn/Hazard Switch, Turn/Hazard Flasher
ABS Schematics
Powertrain Control Module Connector End Views
Handling ESD Sensitive Parts Notice
OBD II Symbol Description Notice
Transmission Controls
EGR, MAF and Accelerator Pedal Controls
Figure 10:

EGR, MAF and Accelerator Pedal Controls


Object Number: 185304  Size: FS
Cell 10: Battery, and Underhood Fuse Block
Cell 10: ENG-1 Fuse
Cell 11: G104 Diesel
Powertrain Control Module Connector End Views
Handling ESD Sensitive Parts Notice
Handling ESD Sensitive Parts Notice
Handling ESD Sensitive Parts Notice
OBD II Symbol Description Notice
Transmission and TCC Controls
4WD and Cruise Controls
Figure 11:

4WD and Cruise Controls


Object Number: 185305  Size: FS
Cell 10: IGN B Fuse and Ignition Switch
Powertrain Control Module Connector End Views
Handling ESD Sensitive Parts Notice
OBD II Symbol Description Notice
EGR, MAF and Accelerator Pedal Controls
A/C Controls
Figure 12:

A/C Controls


Object Number: 185307  Size: FS
Cell 10: ECM-B, HORN and A/C COMP Fuses
Cell 10: IGN A Fuse and Ignition Switch
Cell 10: BRAKE and HTR-A/C Fuses
Cell 10: IGN B Fuse and Ignition Switch
Cell 14: G105 (1 of 2)
Cell 14: G105 (1 of 2)
Cell 14: G105 (1 of 2)
Powertrain Control Module Connector End Views
Handling ESD Sensitive Parts Notice
Cell 14: G200 (4 of 4)
Handling ESD Sensitive Parts Notice
OBD II Symbol Description Notice
4WD and Cruise Controls