GM Service Manual Online
For 1990-2009 cars only
Makes
🢒
Chevrolet
🢒
1999
🢒
Chevy K Pickup - 4WD
🢒
Driveline/Axle
🢒
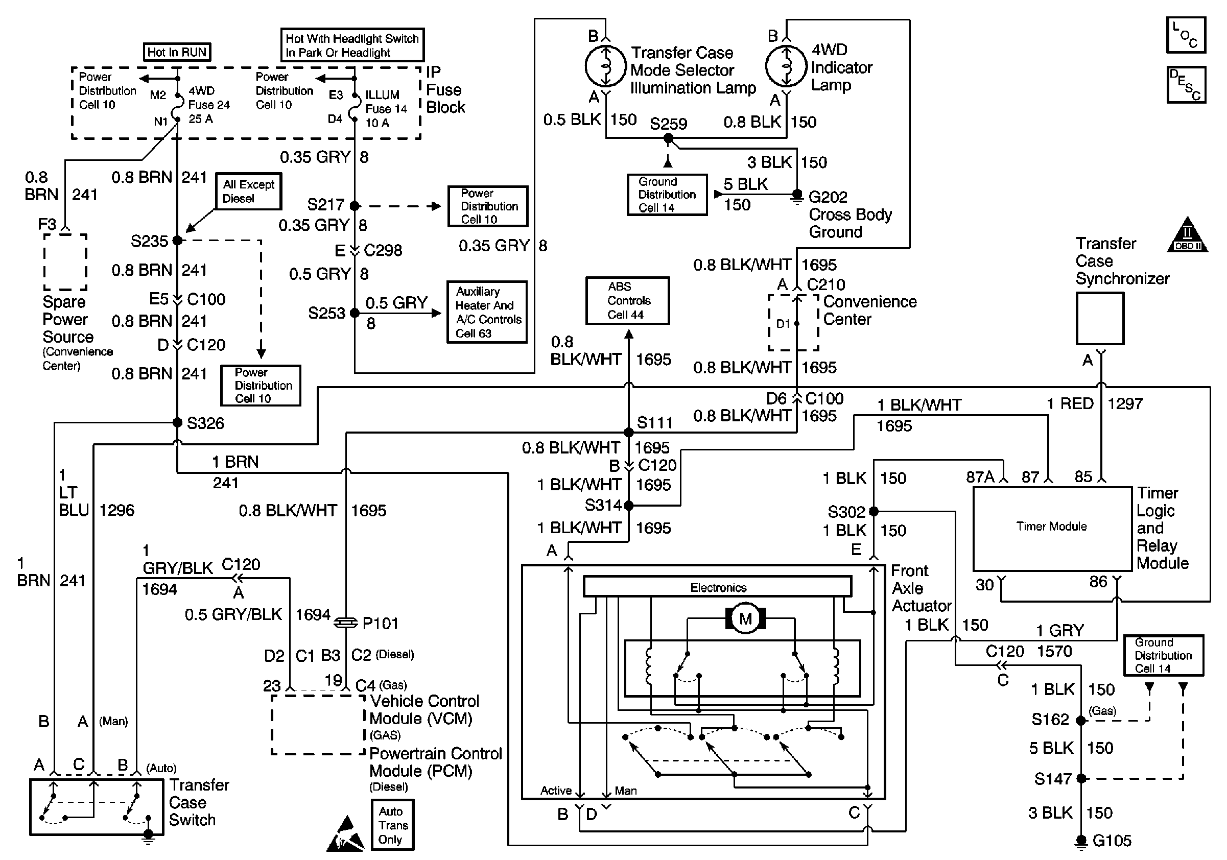
Transfer Case - BW 4401 (Two Speed Manual)
🢒 Transfer Case Control Schematics
Front Axle Actuator and Transfer Case Synchronizer Circuit
OBD II Symbol Description Notice
Cell 14: G202 (2 of 4)
ABS Schematics
Cell 60: Rear Blower Controls Relays and Motor
Cell 10: ILLUM Fuse
Cell 10: CRUISE and 4WD Fuses
Handling ESD Sensitive Parts Notice
Cell 14: G105 (1 of 2)