GM Service Manual Online
For 1990-2009 cars only
Makes
🢒
Chevrolet
🢒
2000
🢒
Chevy K Pickup - 4WD
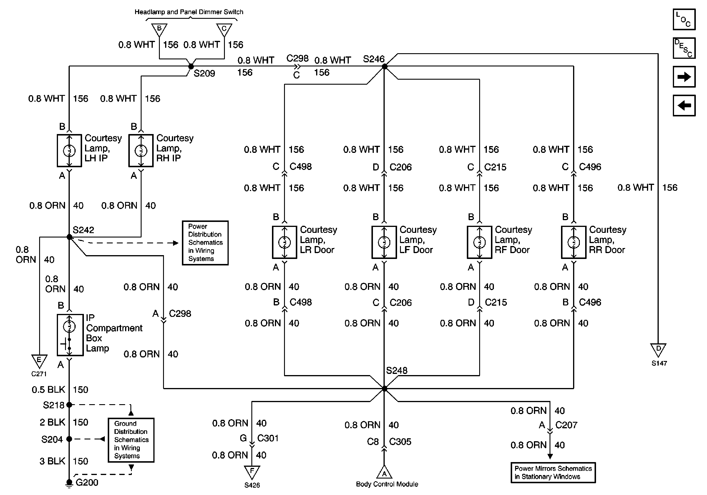
🢒 Courtesy Lamps and Rearview Mirror Switch
Courtesy Lamps and Rearview Mirror Switch
Courtesy Lamps and Rearview Mirror Switch
Lighting Systems Components
Interior Lights Circuit Description Luxury
Illuminated Mirrors
Courtesy Lamps and Door Jambs
Dome Lamps and Reading Lamps
Courtesy Lamps and Door Jambs
Dome Lamps and Reading Lamps
G200 (1 of 4)
Illuminated Mirrors
T CASE, and CTSY Fuses (1 of 2)
Courtesy Lamps and Door Jambs
Courtesy Lamps and Door Jambs
Power Outside Rearview Mirrors - Except Luxury