GM Service Manual Online
For 1990-2009 cars only

Object Number: 367981  Size: MF
Body Control Module Components
Body Control System Schematics
Handling ESD Sensitive Parts Notice
Exterior Lights Schematics
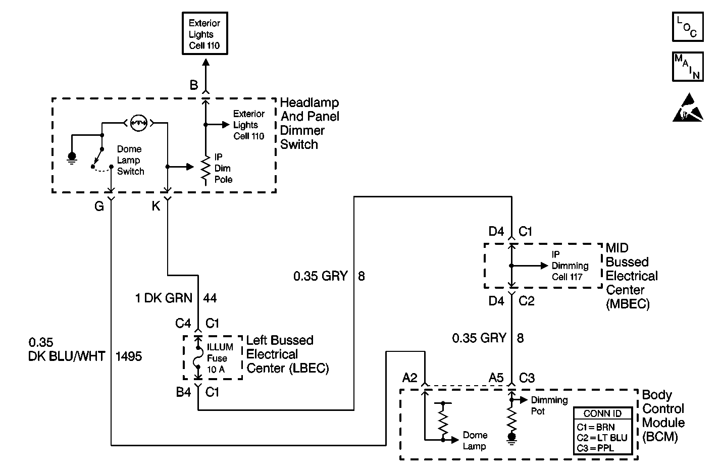
Interior Lights Dimming Schematics

Circuit Description

The body control module (BCM) monitors the instrument panel (IP) dimming voltage on CKT 8 from the dimmer switch (thumb wheel , part of the headlamp and panel dimmer switch). The dimmer switch controls the IP dimming by sending voltage to the BCM on CKT 8 in order to indicate the position of the thumb wheel when the headlamps are ON. The dimmer switch (thumb wheel) also provides dimming for the back lights, the instrument panel cluster (IPC) , the radio and the overhead console.

Conditions for Setting the DTC

To set B2613, the following conditions must be present:

    • The park lamp input inactive.
    • The thumb wheel must be turned completely down in the MAXIMUM DIM position.
    • CKT 8 is shorted to battery voltage.
    • The system voltage must be between 9.0-16.0 volts.
    • The above conditions must be met for 0.5 seconds.

Action Taken When the DTC Sets

The instrument panel lights remain full bright at all times.

Conditions for Clearing the MIL/DTC

    • A current DTC will clear after the next fault free operation.
    • A history DTC will clear after 100 consecutive ignition cycles without a fault present.
    • Use a scan tool in order to clear history and current DTCs.

Diagnostic Aids

    • Always diagnose the first DTC listed on the scan tool.
    • The scan tool must display DTC B2613 as a current code before performing diagnostics.
    • Perform a visual inspection for loose or poor connections at all related components.
    • Refer to Intermittents and Poor Connections Diagnosis in Wiring Systems for intermittent and poor connections.

Test Description

Step number(s) below refer to the same step number(s) in the Diagnostic Table

  1. This step determines if the BCM is defective or CKT 8 is shorted to battery voltages. By disconnecting the BCM connector, other DTCs will be set.

  2. This step determines if the headlamp and panel dimmer switch is defective or CKT 44 is shorted to battery voltage.

Step

Action

Value(s)

Yes

No

1

Was the BCM Diagnostic System Check performed?

--

Go to Step 2

Go to Diagnostic System Check - Body Control System

2

  1. Set the park brake.
  2. Turn the ignition switch to the OFF position.
  3. Turn the dimmer switch (thumb wheel) completely down to the MAXIMUM DIM position.
  4. With the scan tool, monitor the current DTCs.
  5. Remove the ILLUM fuse from the left bussed electrical center (LBEC).

Does the scan tool display B2613 as a current code?

--

Go to Step 3

Go to Step 4

3

  1. Continue to monitor the current DTCs
  2. Disconnect the purple BCM (C3) connector.

Does the scan tool display B2613 as a current code?

--

Go to Step 8

Go to Step 5

4

  1. Reinstall the ILLUM fuse.
  2. Continue to monitor the current DTCs
  3. Disconnect the headlamp and panel dimmer switch.

Does the scan tool display B2613 as a current code?

--

Go to Step 6

Go to Step 7

5

Locate and repair the short to battery on CKT 8 (GRY) between the BCM and the ILLUM fuse located in the LBEC.

Is the repair complete?

--

Go to Step 9

--

6

Locate and repair the short to battery CKT 44 (DK GRN) between the headlamp and panel dimmer switch and the ILLUM fuse located in the LBEC.

Is the repair complete?

--

Go to Step 9

--

7

Replace the headlamp and panel dimmer switch. Refer to Headlamp Switch Replacement .

Is the repair complete?

--

Go to Step 9

--

8

  1. Replace the BCM. Refer to Body Control Module Replacement .
  2. Program BCM with the proper calibrations. Refer to Body Control Module (BCM) Programming/RPO Configuration .
  3. Perform the learn procedure.

Is the repair complete?

--

System OK

--

9

Clear the DTCs. Refer to Clearing DTCs .

Is the action complete?

--

System OK

--