GM Service Manual Online
For 1990-2009 cars only
Makes
🢒
Chevrolet
🢒
2001
🢒
Chevy K Silverado - 4WD
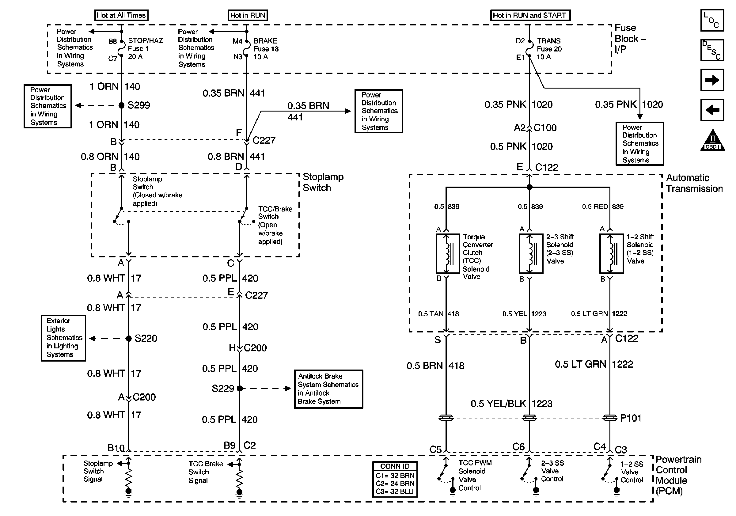
🢒 A/T TCC/Stop Lamps Switch and Shift Solenoids
A/T TCC/Stop Lamps Switch and Shift Solenoids
A/T TCC/Stop Lamps Switch and Shift Solenoids
Master Electrical Component List
Electronic Component Description
A/T Internal Switches, TFT, PC Solenoid Valve, and Input Shaft Speed Sensor
Accelerator Pedal Position, Clutch Pedal Position Switch, and Cruise Control Switch Inputs
OBD II Symbol Description Notice
Lighting and Battery Fuses
Stop/Haz, Radio Batt, Aux Pwr, and Cig Ltr Fuses
ABS, Blower, Stop-Haz, and IGN B Fuses, and Ignition Switch
Brake, Cruise, SEO TP-2, and Htr-A/C Fuses
IGN A Fuse and Ignition Switch
ENG-I and ECM-I Fuses (L65)
EBCM Stoplamp Switch and Wheel Speed Inputs
Stop and Turn/Hazard Lamps Controls