GM Service Manual Online
For 1990-2009 cars only
Makes
🢒
Chevrolet
🢒
2001
🢒
Chevy K Silverado - 4WD
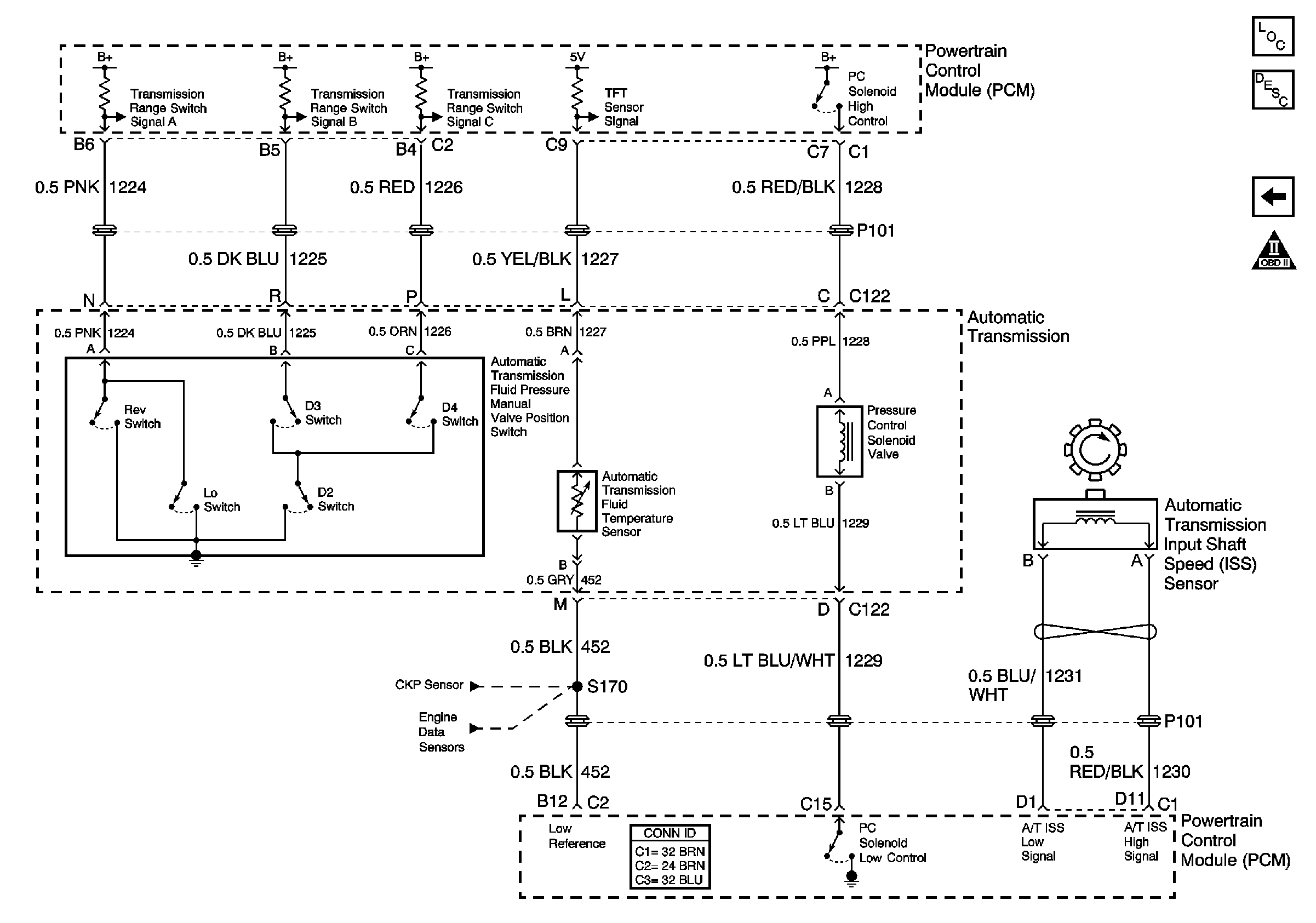
🢒 A/T Internal Switches, TFT, PC Solenoid Valve, and Input Shaft Speed Sensor
A/T Internal Switches, TFT, PC Solenoid Valve, and Input Shaft Speed Sensor
A/T Internal Switches, TFT, PC Solenoid Valve, and Input Shaft Speed Sensor
Master Electrical Component List
Electronic Component Description
A/T TCC/Stop Lamps Switch and Shift Solenoids
OBD II Symbol Description Notice
CKP and Injection Timing Stepper Motor
Wastegate Solenoid, Boost Sensor, IAT Sensor, ECT Sensor, and PTO