GM Service Manual Online
For 1990-2009 cars only
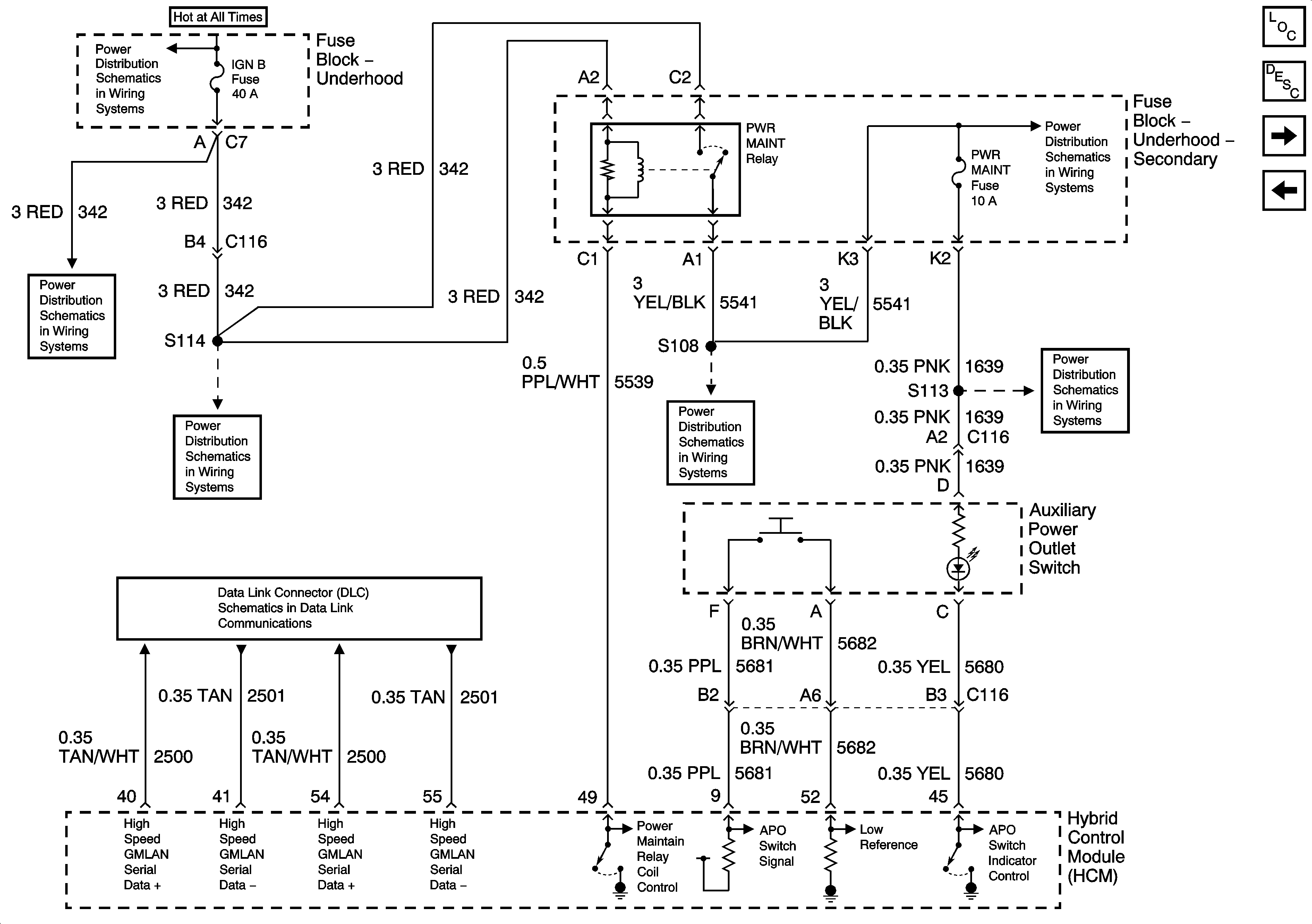
Figure 1:

Except UQ7


Object Number: 1215066  Size: FS
Master Electrical Component List
UQ7 Except Y91
B+ Bus Bar - 1 of 2
INFO and CIG LTR Fuses
G200 - 1 of 3
G200 - 2 of 3
G200 - 1 of 3
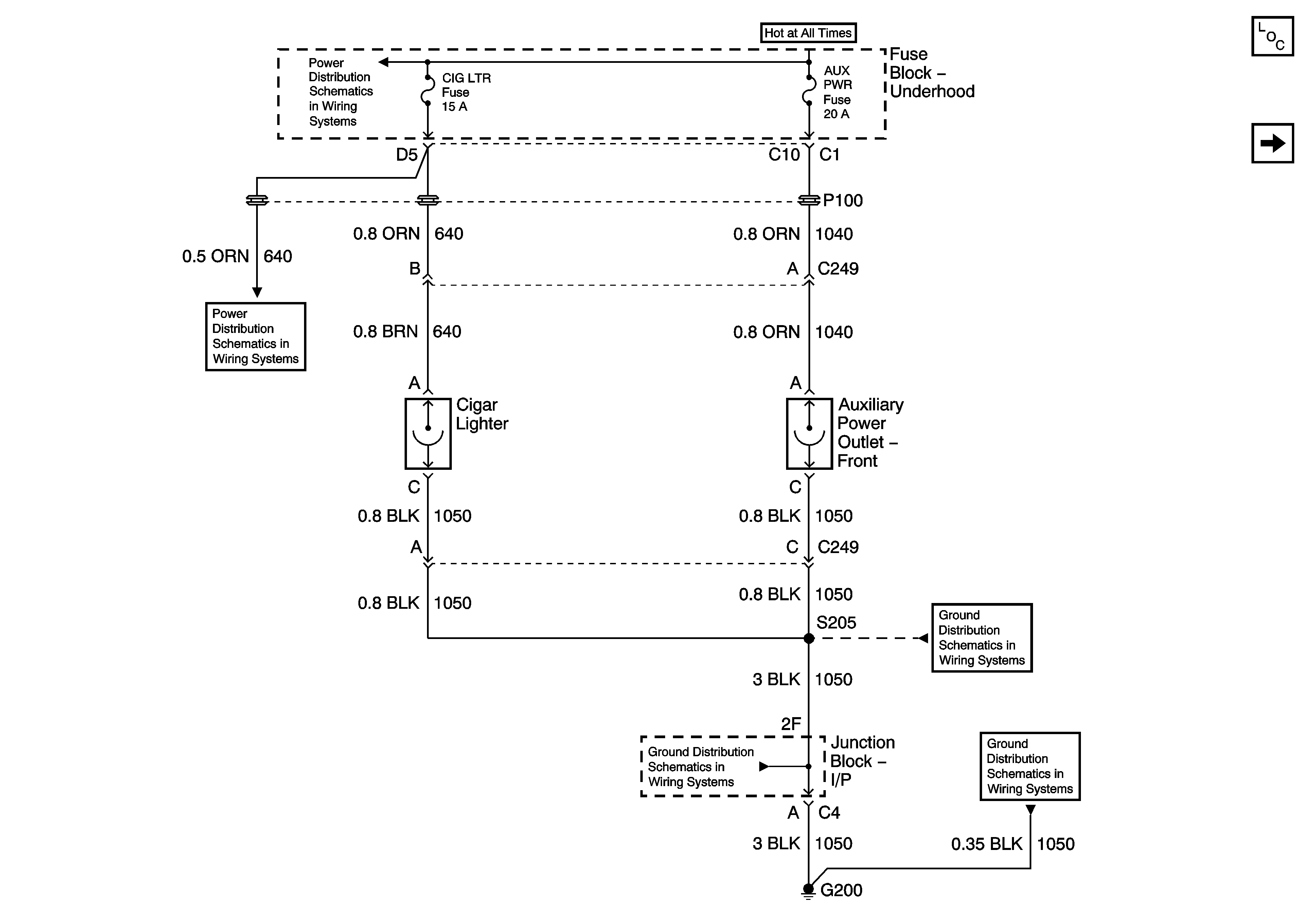
Figure 2:

UQ7 Except Y91


Object Number: 1215067  Size: FS
Master Electrical Component List
Y91
Except UQ7
B+ Bus Bar - 1 of 2
INFO and CIG LTR Fuses
G200 - 1 of 3
G200 - 2 of 3
G200 - 1 of 3
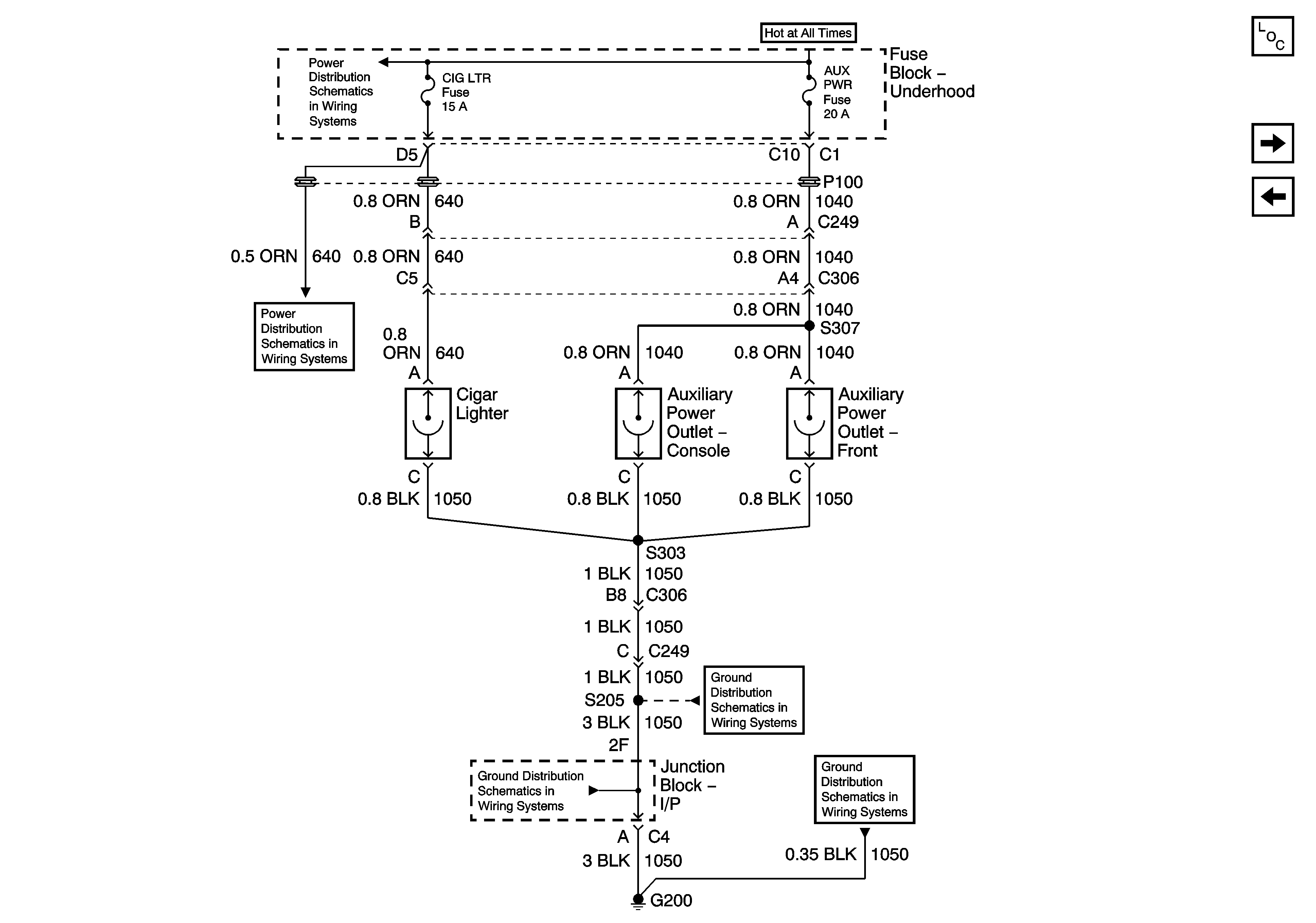
Figure 3:

Y91


Object Number: 1215068  Size: FS
Master Electrical Component List
120V AC Outlets - 1 of 2 - HP2
UQ7 Except Y91
B+ Bus Bar - 1 of 2
INFO and CIG LTR Fuses
G200 - 2 of 3
G200 - 1 of 3
G200 - 1 of 3
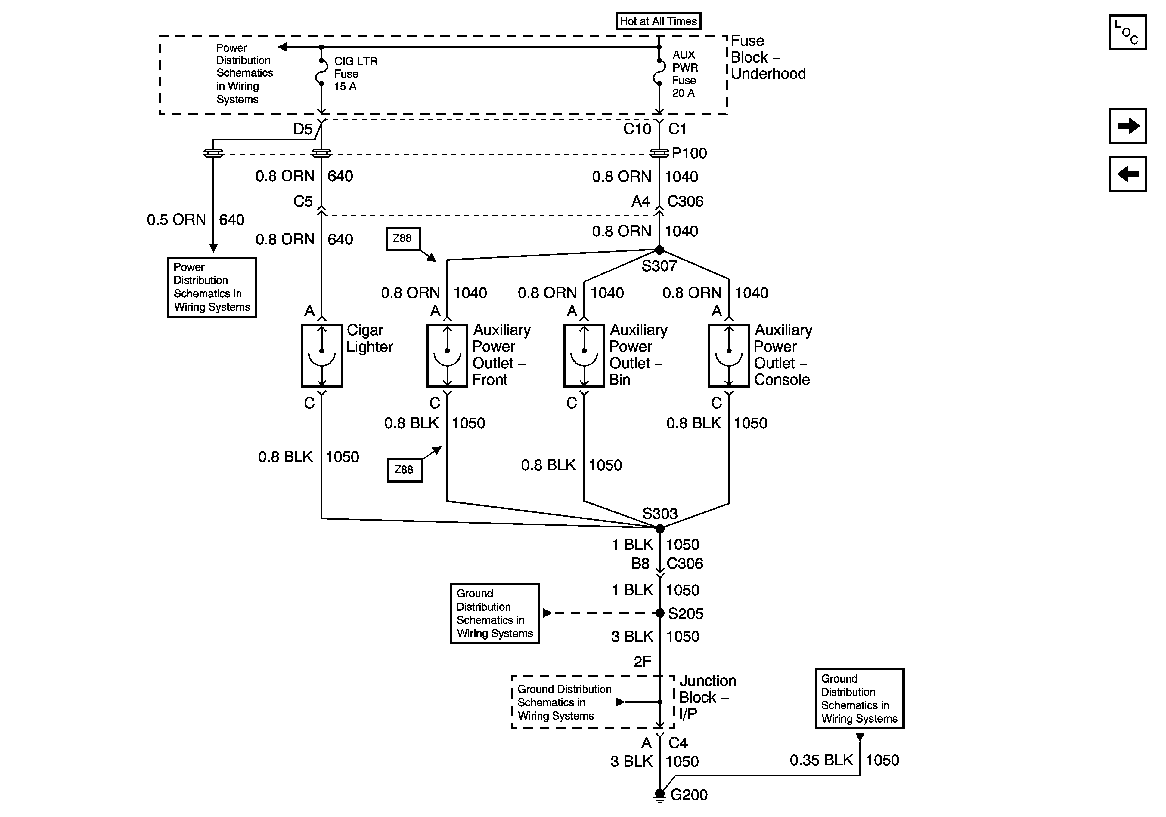
Figure 4:

120-Volt AC Outlets - HP2 - 1 of 2


Object Number: 1387335  Size: FS
Master Electrical Component List
Power Outlets Description and Operation
120V AC Outlets - 2 of 2 - HP2
Y91
B+ Bus Bar - 1 of 2
Ignition Switch - ACC/RUN and RUN/START Bus Bars
Continuous Mode Bus Bar (HP2)
Continuous Mode Bus Bar (HP2)
PWR MAINT, HYBRID O2A, and HYBRID O2B Fuses (HP2)
Continuous Mode Bus Bar (HP2)
High Speed GMLAN - Hybrid Only
Figure 5:

120-Volt AC Outlets - HP2 - 2 of 2


Object Number: 1387338  Size: FS
Master Electrical Component List
Power Outlets Description and Operation
120V AC Outlets - 1 of 2 - HP2
High Speed GMLAN - Hybrid Only
Hybrid Ground - 1 of 2