GM Service Manual Online
For 1990-2009 cars only
Makes
🢒
Chevrolet
🢒
2004
🢒
Chevy K Silverado - 4WD
🢒 Switches and Front Door Actuators - YE9
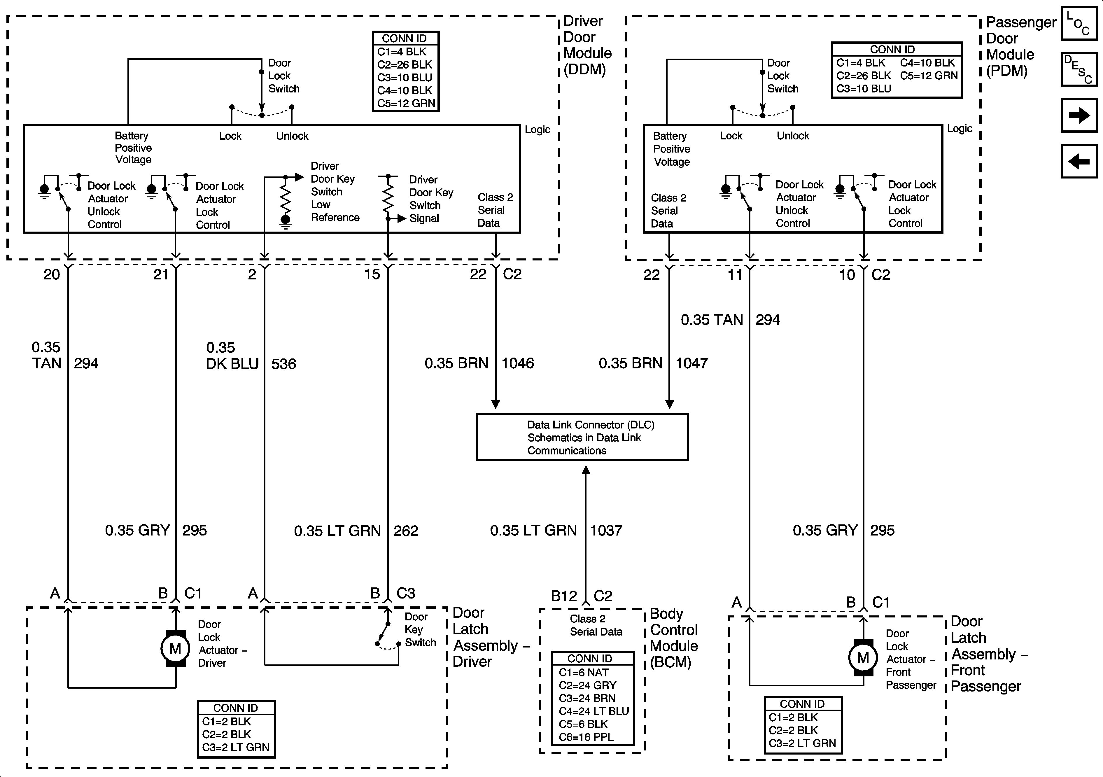
Switches and Front Door Actuators - YE9
Switches and Front Door Actuators - YE9
Master Electrical Component List
Power Door Locks Description and Operation
Relays - Crew Cab w/YE9
Actuators - Except YE9
SP205 - 1 of 2