GM Service Manual Online
For 1990-2009 cars only
Makes
🢒
Chevrolet
🢒
2004
🢒
Chevy K Silverado - 4WD
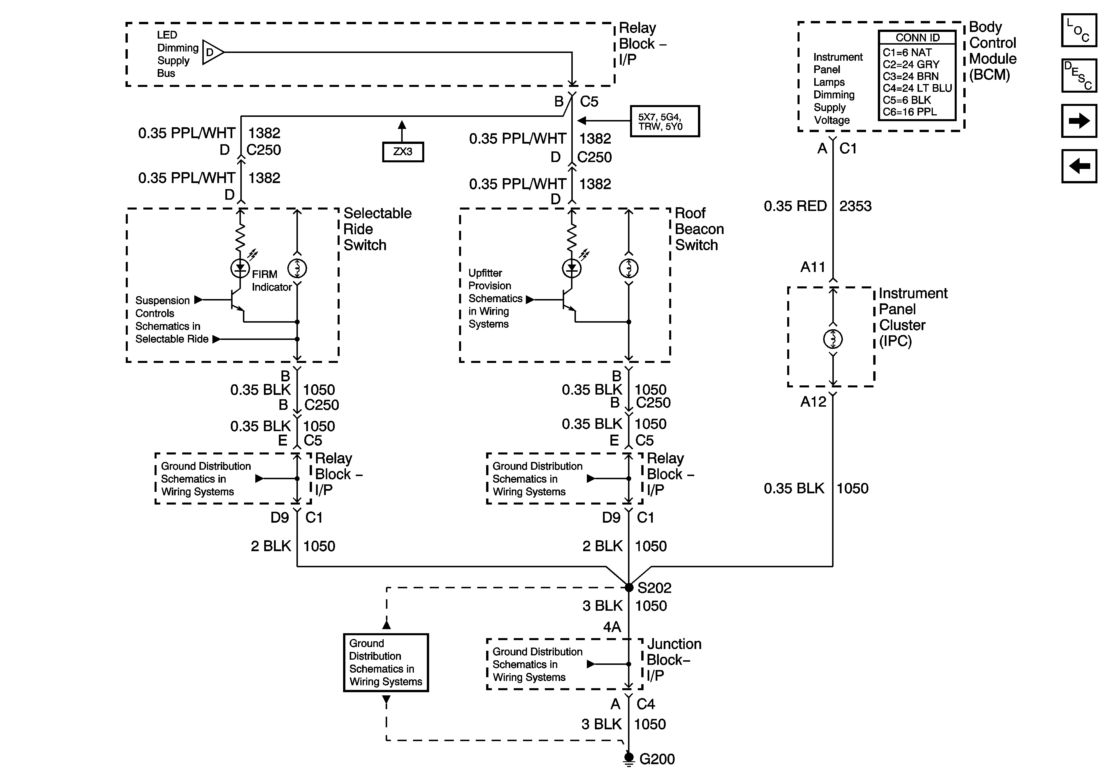
🢒 LED Dimming Supply Voltage - 3 of 3
LED Dimming Supply Voltage - 3 of 3
LED Dimming Supply Voltage - 3 of 3
Master Electrical Component List
Interior Lighting Systems Description and Operation
I/P Dimming Supply Voltage - 1 of 6
LED Dimming Supply Voltage - 2 of 3
LED Dimming Supply Voltage - 2 of 3
Selectable Ride Schematics
G200 - 3 of 3
G200 - 3 of 3
G200 - 1 of 3
G200 - 1 of 3