GM Service Manual Online
For 1990-2009 cars only
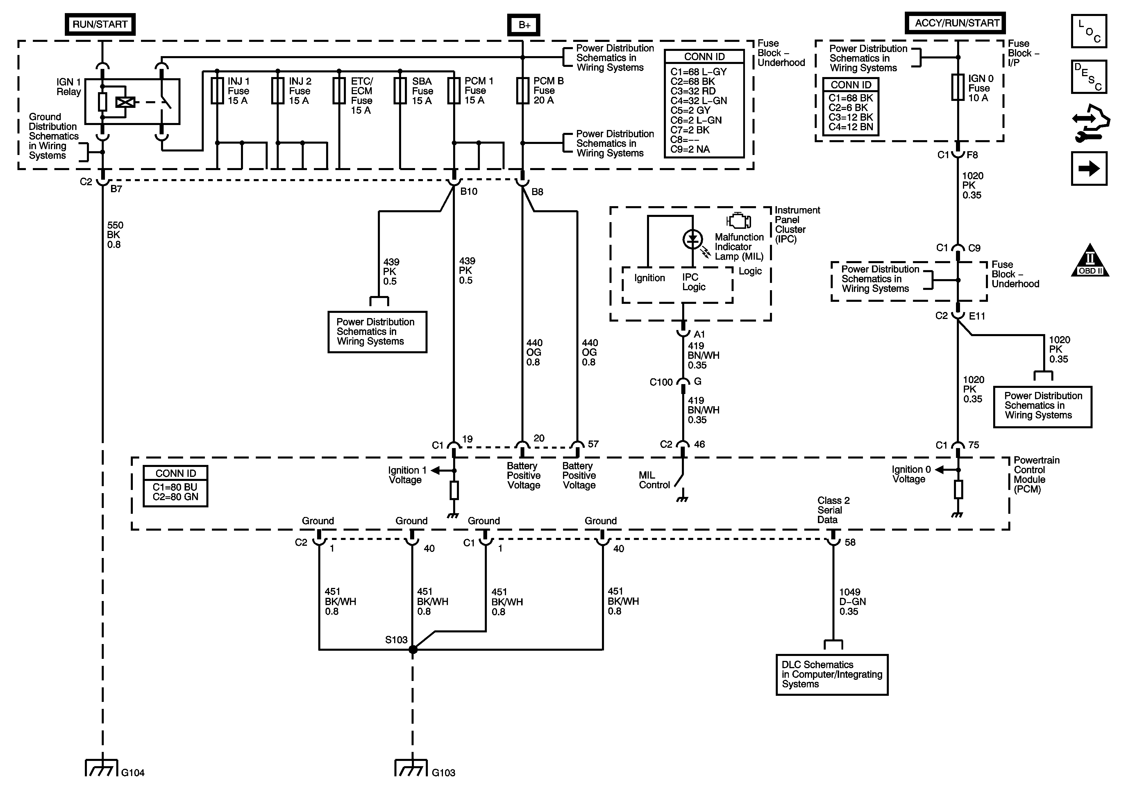
Figure 1:

Module Power, Ground, Serial Data, and MIL


Object Number: 1540434  Size: FS
Master Electrical Component List
Powertrain Control Module Description
Control Module References
Engine Data Sensors - 5-Volt and Low Reference
Engine Controls Schematic Icons
G104, G106, G107 and G110
B+ Bar Bus
AUX PWR, AUX PWR 2, DDM, ECC, LBEC 2, LOCKS, PCM B, and PDM Fuses
Ignition Switch - START, RUN, and ACC/RUN/START Bus Bars and IGN A and CRANK Fuses
ETC/ECM, INJ 1, INJ 2, PCM 1, and SBA Fuses - Gas
IGN 0, RR WPR, SEO ACCY, TBC ACCY, TBC IGN 0, and WS WPR Fuses
IGN 0, RR WPR, SEO ACCY, TBC ACCY, TBC IGN 0, and WS WPR Fuses
G104, G106, G107 and G110
G103 - Gas
Power, Ground, DLC and Splice Pack SP 205
Figure 2:

Engine Data Sensors - 5-Volt and Low References


Object Number: 1540438  Size: FS
Master Electrical Component List
Powertrain Control Module Description
Control Module References
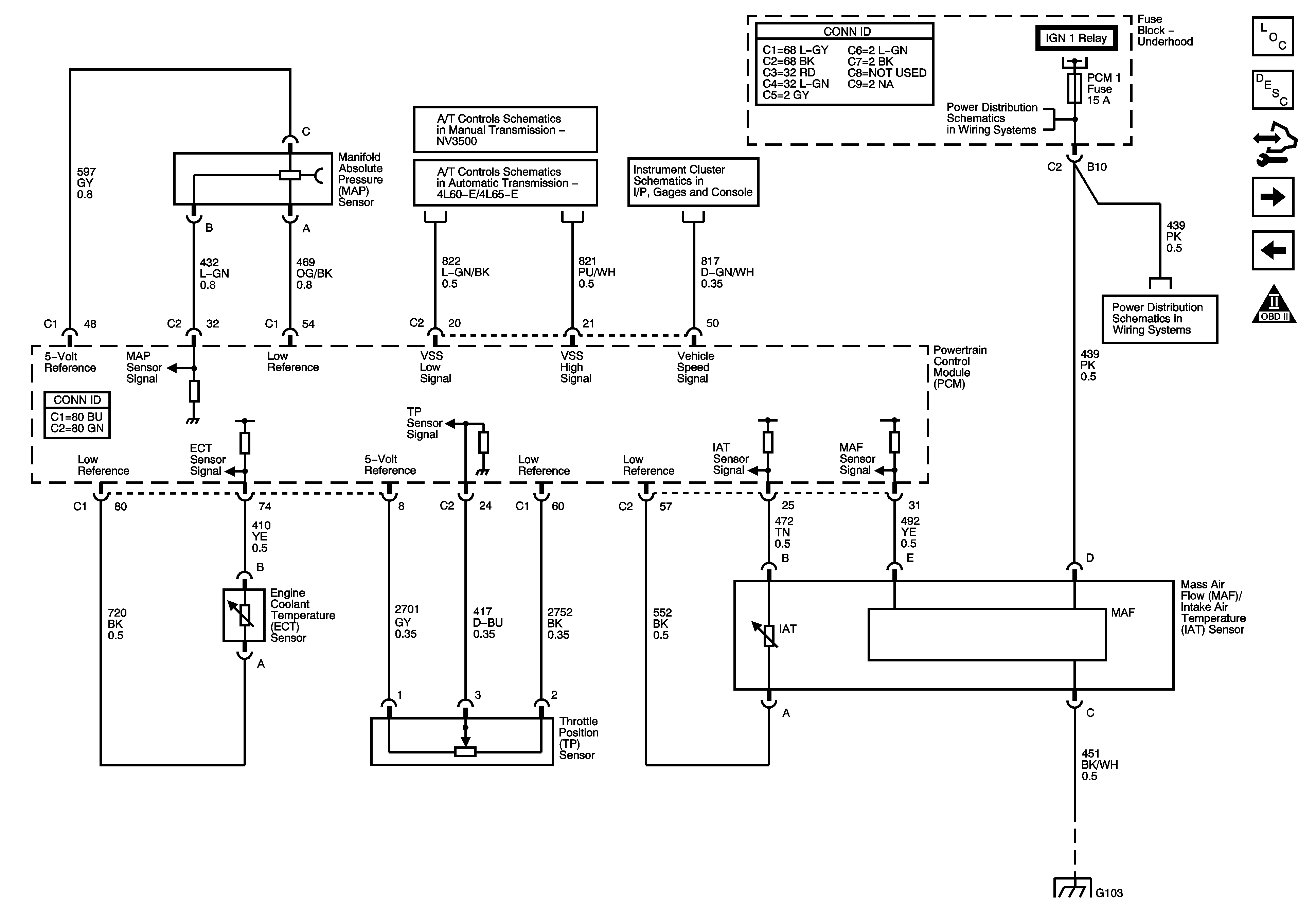
Engine Data Sensors - Pressure, Temperature, MAF, and VSS
Module Power, Ground, Serial Data and MIL
Engine Controls Schematic Icons
Figure 3:

Engine Data Sensors - Pressure, Temperature, MAF, and VSS


Object Number: 1540441  Size: FS
Master Electrical Component List
Powertrain Control Module Description
Control Module References
Engine Data Sensors - Oxygen Sensors
Engine Data Sensors - 5-Volt and Low Reference
Engine Controls Schematic Icons
Manual Transmission NV 3500
Pressure Controls, Temperature, and VSS
Gages, Vehicle Speed Signal, Engine Oil Pressure, and Fuel Level Sensors
Module Power, Ground, Serial Data and MIL
ETC/ECM, INJ 1, INJ 2, PCM 1, and SBA Fuses - Gas
ETC/ECM, INJ 1, INJ 2, PCM 1, and SBA Fuses - Gas
G103 - Gas
Figure 4:

Engine Data Sensors - Oxygen Sensors


Object Number: 1540443  Size: FS
Master Electrical Component List
Evaporative Emission Control System Description
Control Module References
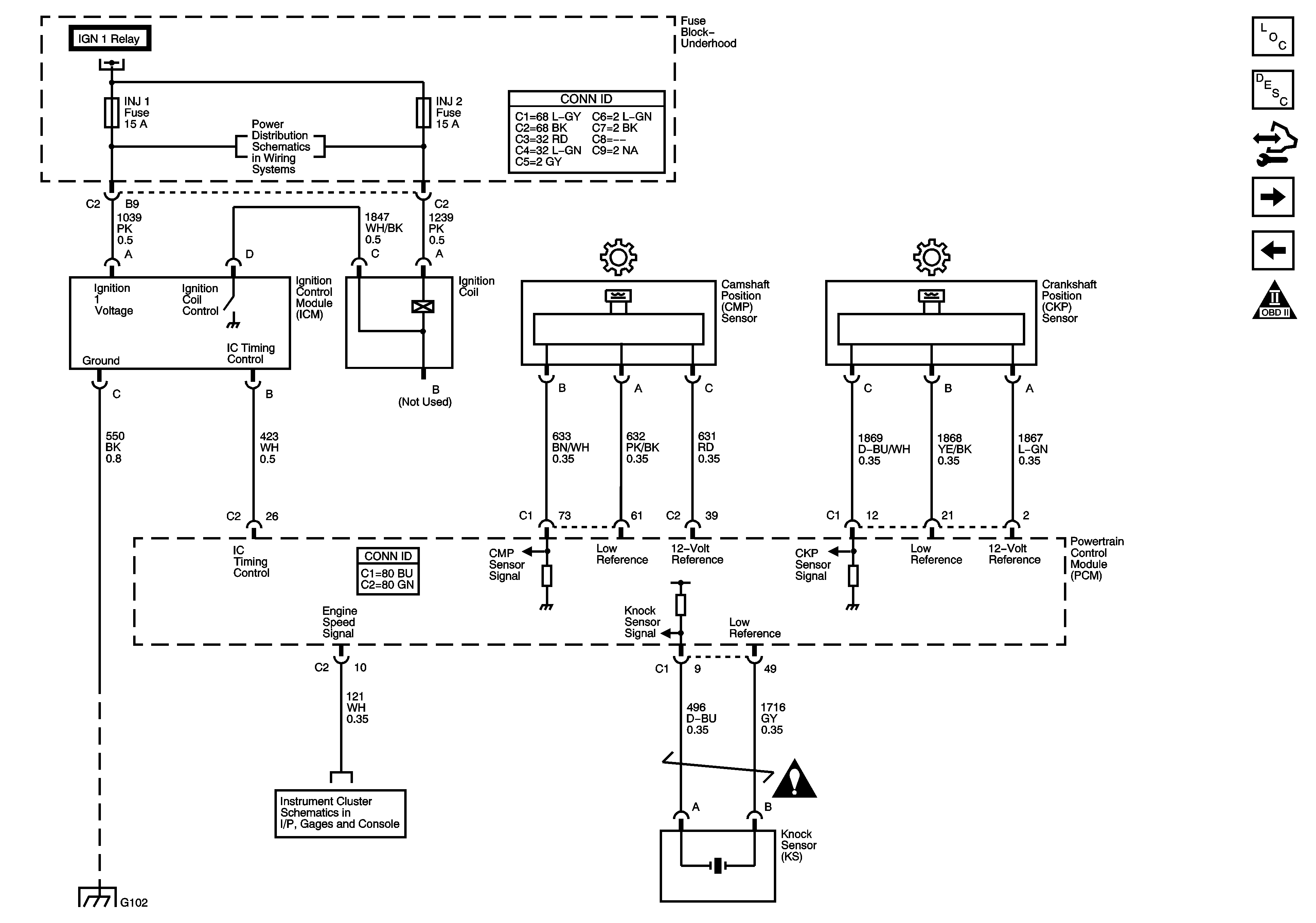
Ignition Controls
Engine Data Sensors - Pressure, Temperature, MAF, and VSS
Engine Controls Schematic Icons
Ignition Switch - ACC/RUN and RUN/START Bus Bars and IGN B Fuse
G103 - Gas
Figure 5:

Ignition Controls


Object Number: 1540446  Size: FS
Master Electrical Component List
Distributor Ignition (DI) System Description
Control Module References
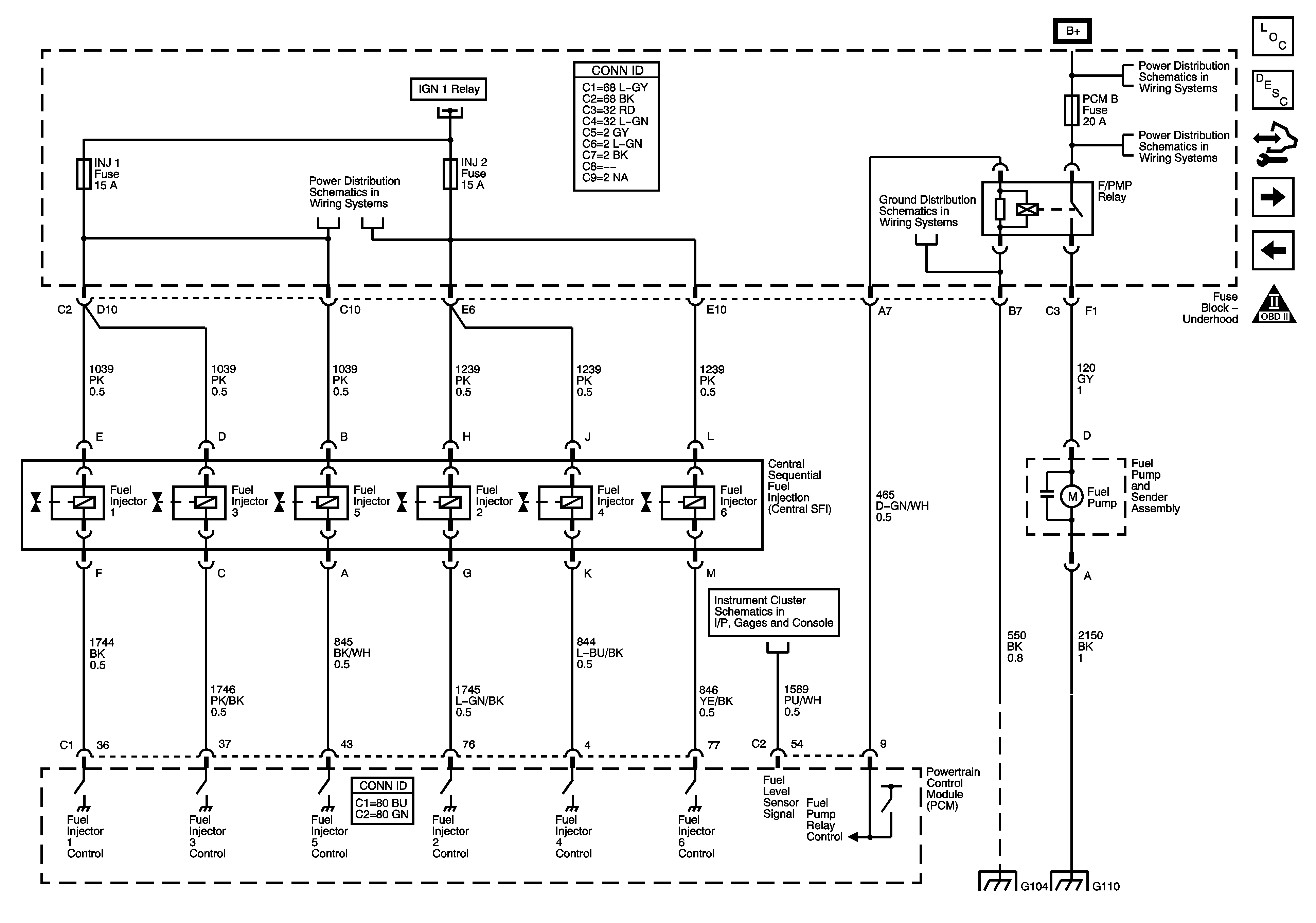
Fuel Controls - Fuel Pump Controls and Fuel Injectors
Engine Data Sensors - Oxygen Sensors
Engine Controls Schematic Icons
Module Power, Ground, Serial Data and MIL
ETC/ECM, INJ 1, INJ 2, PCM 1, and SBA Fuses - Gas
G100, G101, and G102
Gages, Vehicle Speed Signal, Engine Oil Pressure, and Fuel Level Sensors
Engine Controls Schematic Icons
Figure 6:

Fuel Controls - Fuel Pump Controls and Fuel Injectors


Object Number: 1540448  Size: FS
Master Electrical Component List
Fuel System Description
Control Module References
Fuel Controls - EVAP and Device Controls
Ignition Controls
Engine Controls Schematic Icons
Module Power, Ground, Serial Data and MIL
ETC/ECM, INJ 1, INJ 2, PCM 1, and SBA Fuses - Gas
G104, G106, G107 and G110
B+ Bar Bus
AUX PWR, AUX PWR 2, DDM, ECC, LBEC 2, LOCKS, PCM B, and PDM Fuses
G104, G106, G107 and G110
G104, G106, G107 and G110
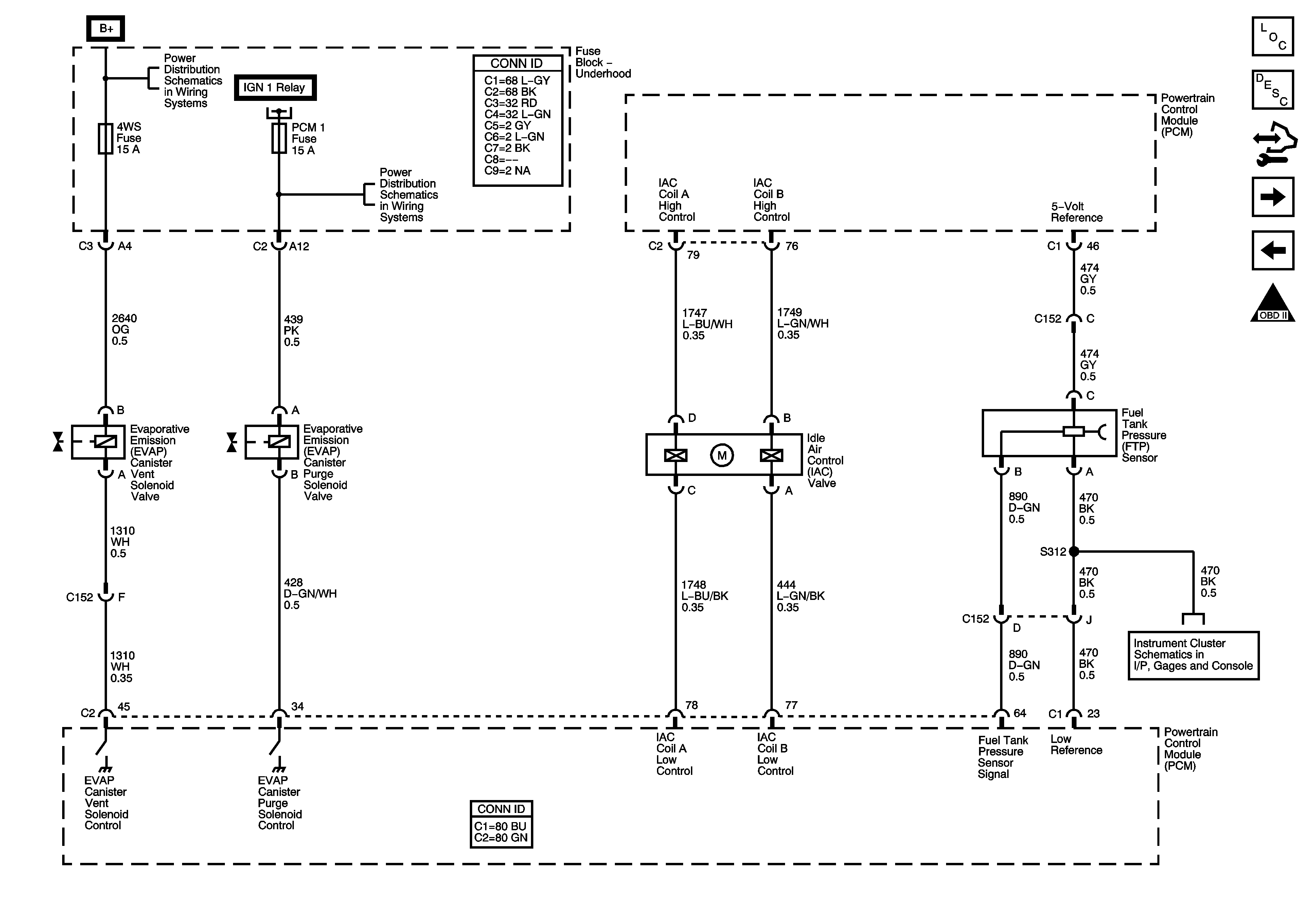
Figure 7:

Fuel Controls - EVAP and Device Controls


Object Number: 1540451  Size: FS
Master Electrical Component List
Evaporative Emission Control System Description
Control Module References
Transmission and Controlled/Monitored Subsystems References
Fuel Controls - Fuel Pump Controls and Fuel Injectors
Engine Controls Schematic Icons
B+ Bar Bus
Module Power, Ground, Serial Data and MIL
ETC/ECM, INJ 1, INJ 2, PCM 1, and SBA Fuses - Gas
Gages, Vehicle Speed Signal, Engine Oil Pressure, and Fuel Level Sensors
Figure 8:

Transmission and Controlled/Monitored Subsystem References


Object Number: 1540454  Size: FS
Master Electrical Component List
Powertrain Control Module Description
Control Module References
Fuel Controls - EVAP and Device Controls
Engine Controls Schematic Icons
Shift Controls and Stop Lamp Switch
Pressure Controls, Temperature, and VSS
PNP Switch, 4WD Signal, Tow/Haul, Serial Data, and Indicator
Pressure Controls, Temperature, and VSS
Starting - Gas
Charging - 10 Series (Except HP2)
Transfer Case Control Schematics NP2
Power, Ground, Serial Data, Indicator and Stop Lamp Switch - 8600 GVW or Less w/Rear Disc Brakes
4.3L
10 Series
A/C Compressor Controls
A/C Compressor Controls
Power, Ground, Serial Data and Transfer Case Encoder Motor
Transfer Case Control Schematics NP2
Manual Transmission NV 3500
Gages, Vehicle Speed Signal, Engine Oil Pressure, and Fuel Level Sensors