GM Service Manual Online
For 1990-2009 cars only
Makes
🢒
Chevrolet
🢒
2005
🢒
Chevy K Silverado - 4WD
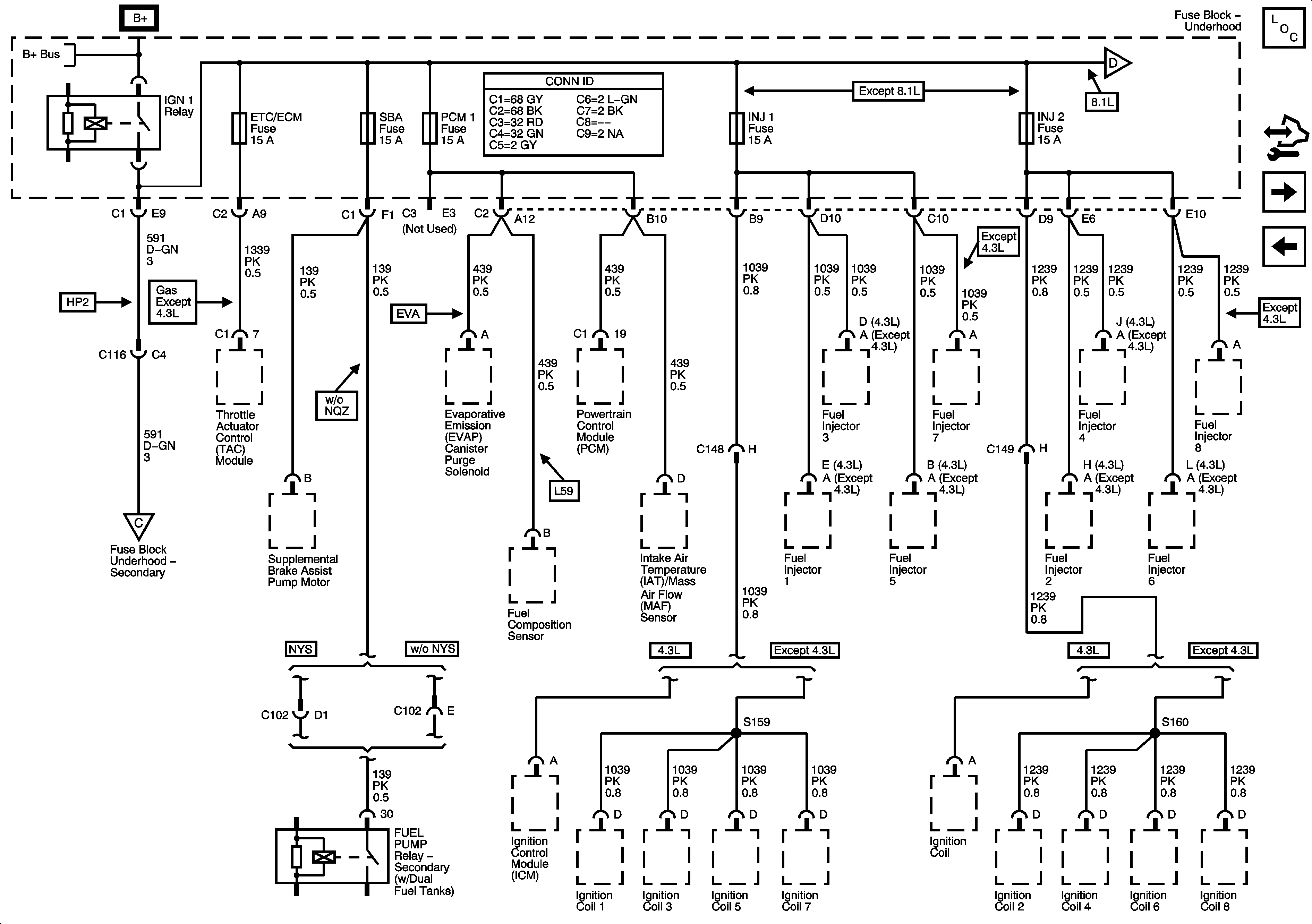
🢒 ETC/ECM, INJ 1, INJ 2, PCM 1, and SBA Fuses - Gas
ETC/ECM, INJ 1, INJ 2, PCM 1, and SBA Fuses - Gas
ETC/ECM, INJ 1, INJ 2, PCM 1, and SBA Fuses - Gas
Master Electrical Component List
Control Module References
INJ 1 and INJ 2 Fuses - 8.1L
LT TRLR ST/TRN, LT TRN, RT TRLR ST/TRN, and RT TRN Fuses
B+ Bar Bus
INJ 1 and INJ 2 Fuses - 8.1L
COOL PMP, HYBRID 02A, HYBRID O2B, IGN B and PWR MAINT Fuses