GM Service Manual Online
For 1990-2009 cars only
Makes
🢒
Chevrolet
🢒
2005
🢒
Chevy K Silverado - 4WD
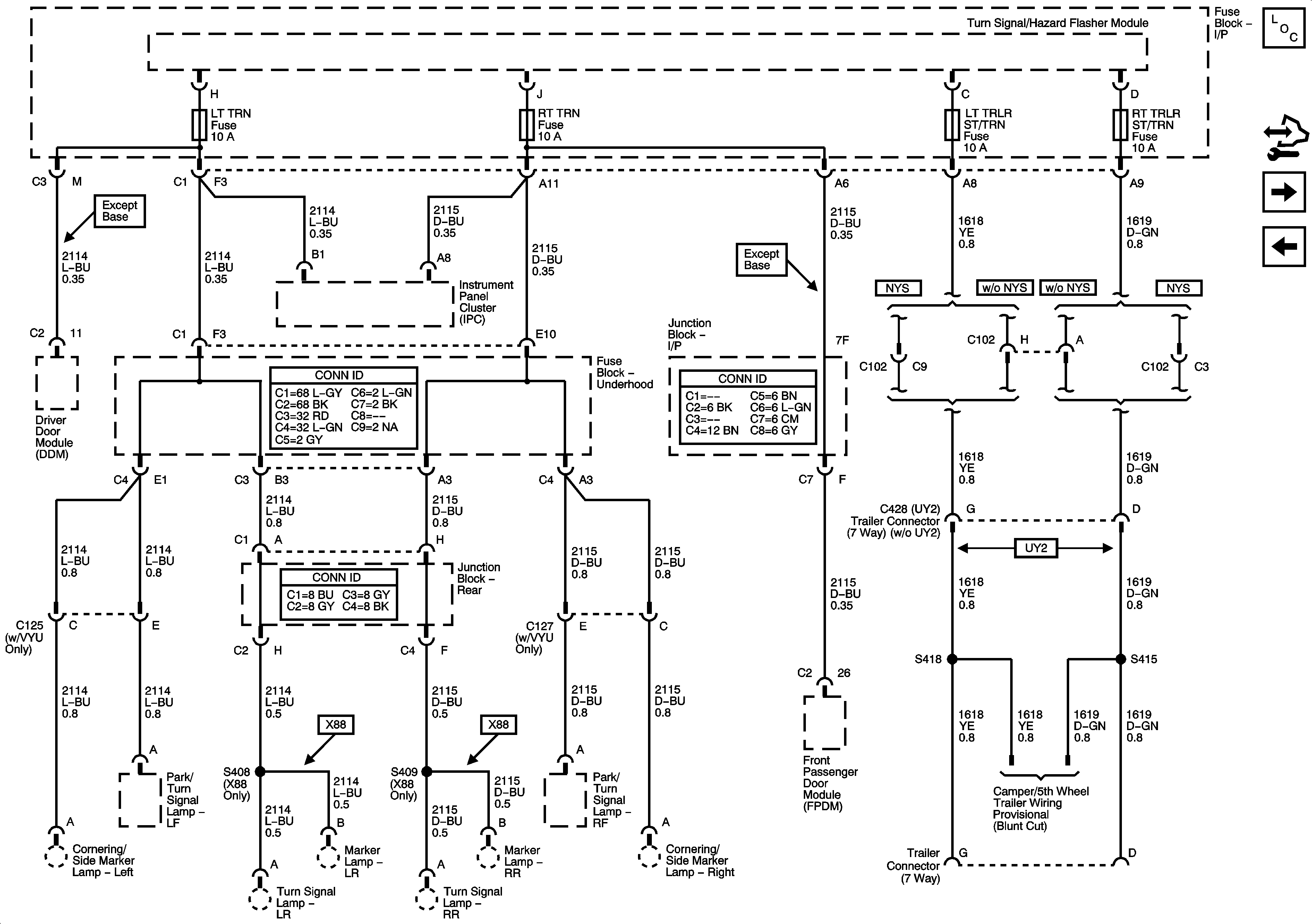
🢒 LT TRLR ST/TRN, LT TRN, RT TRLR ST/TRN, and RT TRN Fuses
LT TRLR ST/TRN, LT TRN, RT TRLR ST/TRN, and RT TRN Fuses
LT TRLR ST/TRN, LT TRN, RT TRLR ST/TRN, and RT TRN Fuses
Master Electrical Component List
Control Module References
ETC/ECM, INJ 1, INJ 2, PCM 1, and SBA Fuses - Gas
COOL PMP, HYBRID 02A, HYBRID O2B, IGN B and PWR MAINT Fuses