GM Service Manual Online
For 1990-2009 cars only
Figure 1:

Module Power, Ground, Serial Data, and MIL


Object Number: 1538782  Size: FS
Master Electrical Component List
Powertrain Control Module Description
Control Module References
Engine Data Sensors - 5-Volt and Low Reference
Engine Controls Schematic Icons
G104, G106, G107 and G110
B+ Bar Bus
AUX PWR, AUX PWR 2, DDM, ECC, LBEC 2, LOCKS, PCM B, and PDM Fuses
Ignition Switch - START, RUN, and ACC/RUN/START Bus Bars and IGN A and CRANK Fuses
ETC/ECM, INJ 1, INJ 2, PCM 1, and SBA Fuses - Gas
IGN 0, RR WPR, SEO ACCY, TBC ACCY, TBC IGN 0, and WS WPR Fuses
IGN 0, RR WPR, SEO ACCY, TBC ACCY, TBC IGN 0, and WS WPR Fuses
IGN 0, RR WPR, SEO ACCY, TBC ACCY, TBC IGN 0, and WS WPR Fuses
G104, G106, G107 and G110
G103 - Gas
High Speed GM LAN (HP2)
Power, Ground, DLC and Splice Pack SP 205
Figure 2:

Engine Data Sensors - 5-Volt and Low Reference


Object Number: 1538783  Size: FS
Master Electrical Component List
Powertrain Control Module Description
Control Module References
Engine Data Sensors - Pressure, Temperature, MAF, and VSS
Module Power, Ground, Serial Data and MIL
Engine Controls Schematic Icons
Figure 3:

Engine Data Sensors - Pressure, Temperature, MAF, and VSS


Object Number: 1538785  Size: FS
Master Electrical Component List
Powertrain Control Module Description
Control Module References
Engine Data Sensors - Oxygen Sensors - Except HP2
Engine Data Sensors - 5-Volt and Low Reference
Engine Controls Schematic Icons
Manual Transmission NV 4500
Manual Transmission NV 3500
Pressure Controls, Temperature, and VSS
Gages, Vehicle Speed Signal, Engine Oil Pressure, and Fuel Level Sensors
ETC/ECM, INJ 1, INJ 2, PCM 1, and SBA Fuses - Gas
Module Power, Ground, Serial Data and MIL
ETC/ECM, INJ 1, INJ 2, PCM 1, and SBA Fuses - Gas
G103 - Gas
Figure 4:

Engine Data Sensors - Oxygen Sensors (Except HP2)


Object Number: 1538787  Size: FS
Master Electrical Component List
Evaporative Emission Control System Description
Control Module References
Engine Data Sensors - Oxygen Sensors - HP2 - 1 of 2
Engine Data Sensors - Pressure, Temperature, MAF, and VSS
Engine Controls Schematic Icons
B/U LP, BTSI, O2A, O2B, SEO IGN, TBC IGN 1, and TRL B/U Fuses
G103 - Gas
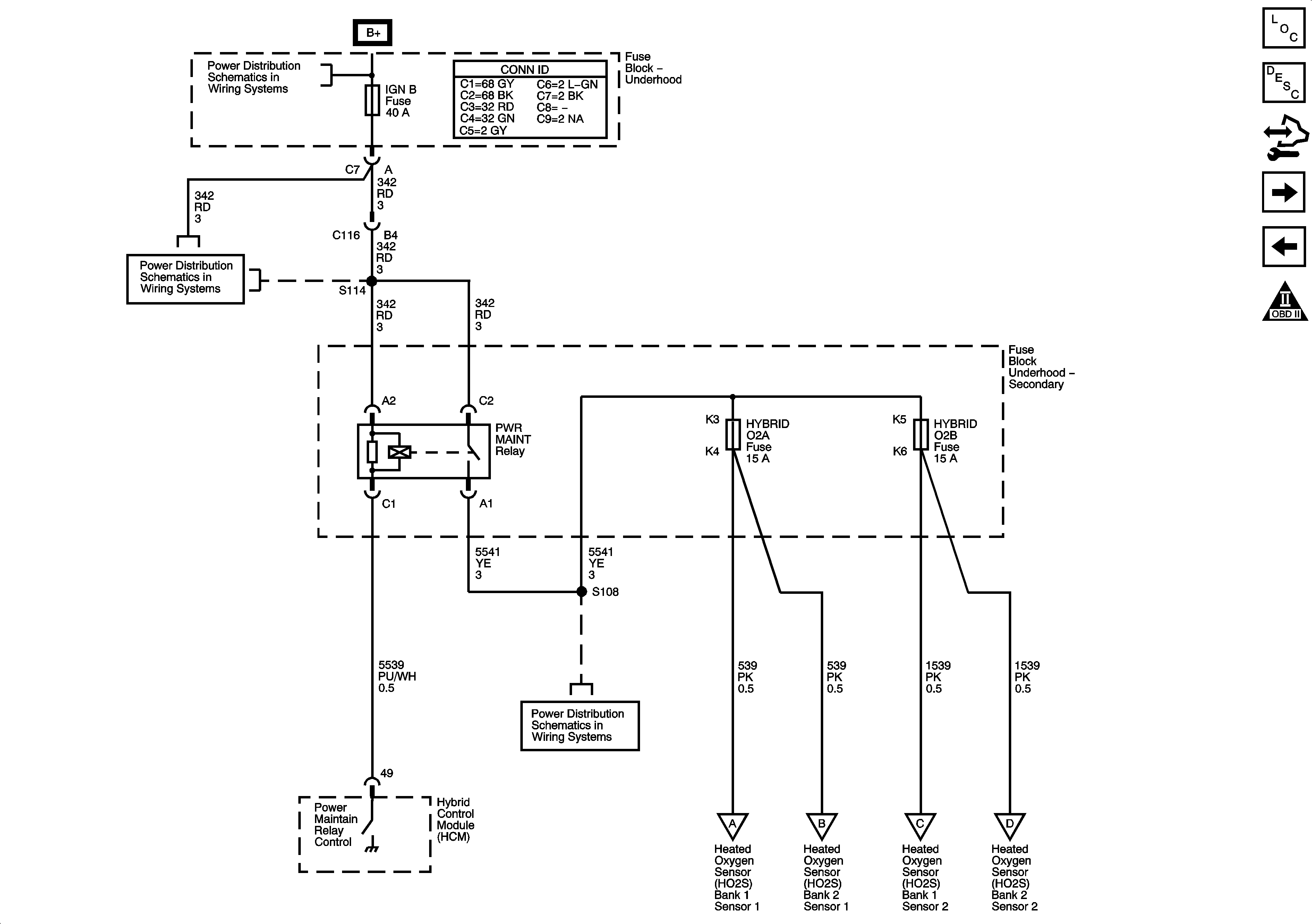
Figure 5:

Engine Data Sensors - Oxygen Sensors (HP2) - 1 of 2


Object Number: 1538789  Size: FS
Master Electrical Component List
Evaporative Emission Control System Description
Control Module References
Engine Data Sensors - Oxygen Sensors - HP2 - 2 of 2
Engine Data Sensors - Oxygen Sensors - Except HP2
Engine Controls Schematic Icons
B+ Bar Bus
Ignition Switch - ACC/RUN and RUN/START Bus Bars and IGN B Fuse
COOL PMP, HYBRID 02A, HYBRID O2B, IGN B and PWR MAINT Fuses
Engine Data Sensors - Oxygen Sensors - HP2 - 2 of 2
Engine Data Sensors - Oxygen Sensors - HP2 - 2 of 2
Engine Data Sensors - Oxygen Sensors - HP2 - 2 of 2
Engine Data Sensors - Oxygen Sensors - HP2 - 2 of 2
Figure 6:

Engine Data Sensors - Oxygen Sensors (HP2) - 2 of 2


Object Number: 1538791  Size: FS
Master Electrical Component List
Evaporative Emission Control System Description
Control Module References
Engine Data Sensors - Electronic Throttle Control
Engine Data Sensors - Oxygen Sensors - HP2 - 1 of 2
Engine Controls Schematic Icons
Engine Data Sensors - Oxygen Sensors - HP2 - 1 of 2
Engine Data Sensors - Oxygen Sensors - HP2 - 1 of 2
Engine Data Sensors - Oxygen Sensors - HP2 - 1 of 2
Engine Data Sensors - Oxygen Sensors - HP2 - 1 of 2
G103 - Gas
Figure 7:

Engine Data Sensors - Electronic Throttle Control


Object Number: 1538792  Size: FS
Master Electrical Component List
Throttle Actuator Control (TAC) System Description
Control Module References
Ignition Controls - Ignition System Coils 1, 3, 5, and 7
Engine Data Sensors - Oxygen Sensors - HP2 - 2 of 2
Engine Controls Schematic Icons
Module Power, Ground, Serial Data and MIL
4.8L, 5.3L 6.0L, and 8.1L
Stop Lamps - GMC
G104, G106, G107 and G110
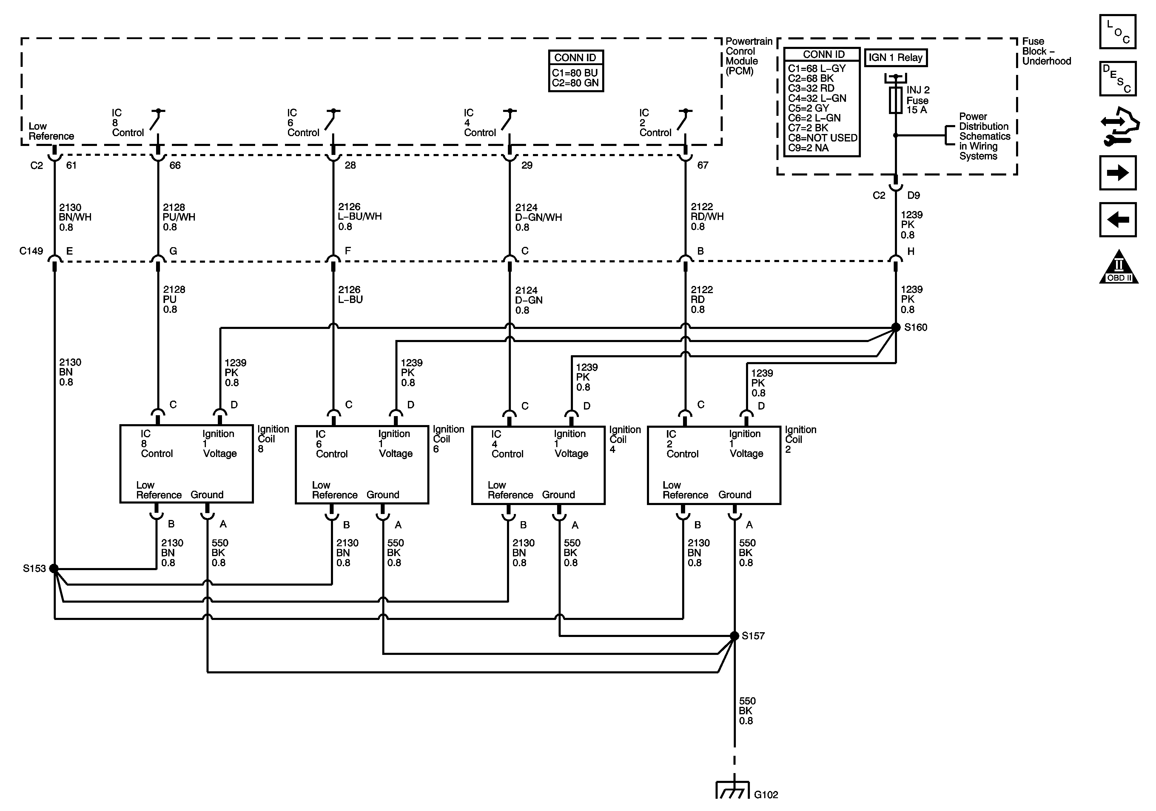
Figure 8:

Ignition Controls - Ignition System Coils 1, 3, 5 and 7


Object Number: 1538793  Size: FS
Master Electrical Component List
Electronic Ignition (EI) System Description
Control Module References
Ignition Controls - Ignition System Coils 2, 4, 6, and 8
Engine Data Sensors - Electronic Throttle Control
Engine Controls Schematic Icons
Module Power, Ground, Serial Data and MIL
ETC/ECM, INJ 1, INJ 2, PCM 1, and SBA Fuses - Gas
G100, G101, and G102
Figure 9:

Ignition Controls - Ignition System Coils 2, 4, 6 and 8


Object Number: 1538794  Size: FS
Master Electrical Component List
Electronic Ignition (EI) System Description
Control Module References
Ignition Controls - Sensors
Ignition Controls - Ignition System Coils 1, 3, 5, and 7
Engine Controls Schematic Icons
Module Power, Ground, Serial Data and MIL
ETC/ECM, INJ 1, INJ 2, PCM 1, and SBA Fuses - Gas
G100, G101, and G102
Figure 10:

Ignition Controls - Sensors


Object Number: 1538796  Size: FS
Master Electrical Component List
Knock Sensor (KS) System Description
Control Module References
Fuel Controls - Fuel Pump Controls
Ignition Controls - Ignition System Coils 2, 4, 6, and 8
Engine Controls Schematic Icons
Gages, Vehicle Speed Signal, Engine Oil Pressure, and Fuel Level Sensors
Figure 11:

Fuel Controls - Fuel Pump Controls


Object Number: 1538798  Size: FS
Master Electrical Component List
Fuel System Description Pickup and Utility
Control Module References
Fuel Controls - Fuel Injectors
Ignition Controls - Sensors
Engine Controls Schematic Icons
G104, G106, G107 and G110
B+ Bar Bus
AUX PWR, AUX PWR 2, DDM, ECC, LBEC 2, LOCKS, PCM B, and PDM Fuses
Module Power, Ground, Serial Data and MIL
Gages, Vehicle Speed Signal, Engine Oil Pressure, and Fuel Level Sensors
G104, G106, G107 and G110
G104, G106, G107 and G110
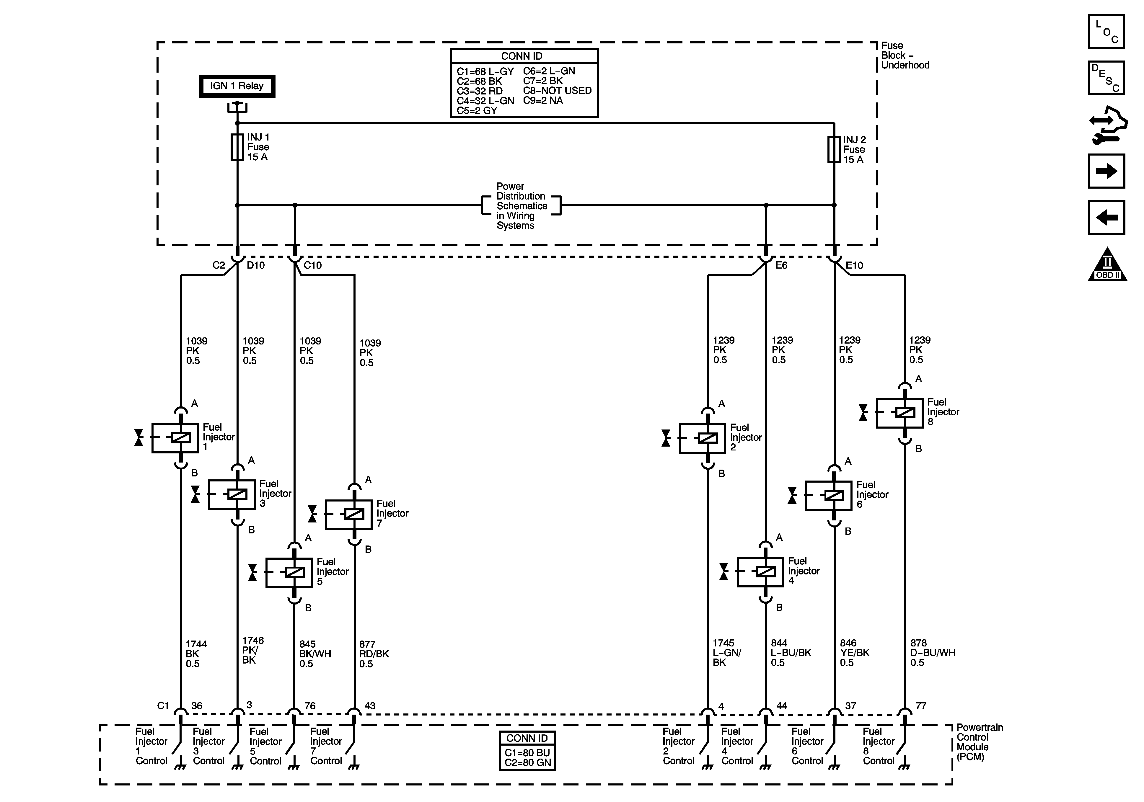
Figure 12:

Fuel Controls - Fuel Injectors


Object Number: 1538799  Size: FS
Master Electrical Component List
Fuel System Description Pickup and Utility
Control Module References
Fuel Controls - EVAP Controls and Fuel Composition
Fuel Controls - Fuel Pump Controls
Engine Controls Schematic Icons
Module Power, Ground, Serial Data and MIL
ETC/ECM, INJ 1, INJ 2, PCM 1, and SBA Fuses - Gas
Figure 13:

Fuel Controls - EVAP Controls and Fuel Composition


Object Number: 1538800  Size: FS
Master Electrical Component List
Evaporative Emission Control System Description
Control Module References
Controlled/Monitored Subsystem References
Fuel Controls - Fuel Injectors
Engine Controls Schematic Icons
ETC/ECM, INJ 1, INJ 2, PCM 1, and SBA Fuses - Gas
Module Power, Ground, Serial Data and MIL
B+ Bar Bus
G104, G106, G107 and G110
Gages, Vehicle Speed Signal, Engine Oil Pressure, and Fuel Level Sensors
Figure 14:

Controlled/Monitored Subsystem References


Object Number: 1538801  Size: FS
Master Electrical Component List
Powertrain Control Module Description
Control Module References
Transmission Control References - A/T
Fuel Controls - EVAP Controls and Fuel Composition
Engine Controls Schematic Icons
Starting - Gas
Starting 1 of 2 and Engine Speed Signal
Charging - 10 Series (Except HP2)
Starting 1 of 2 and Engine Speed Signal
Power, Ground, Serial Data, Indicator and Stop Lamp Switch - 8600 GVW or Less w/Rear Disc Brakes
A/C Compressor Controls
A/C Compressor Controls
Transfer Case Control Schematics NP2
Power, Ground, Serial Data and Transfer Case Encoder Motor
Manual Transmission NV 4500
Manual Transmission NV 3500
Starting 1 of 2 and Engine Speed Signal
Indicators, Water in Fuel Sensor, Engine Oil Level Switch and Washer Fluid Level Sensor
10 Series
Transfer Case Control Schematics NP2
Gages, Vehicle Speed Signal, Engine Oil Pressure, and Fuel Level Sensors
Figure 15:

Transmission Control References - A/T


Object Number: 1538802  Size: FS
Master Electrical Component List
Powertrain Control Module Description
Control Module References
Controlled/Monitored Subsystem References
Engine Controls Schematic Icons
Shift Controls and Stop Lamp Switch
Shift Controls and Stop Lamp Switch
Shift Controls and Stop Lamp Switch
Pressure Controls, Temperature, and VSS
Pressure Controls, Temperature, and VSS
Pressure Controls, Temperature, and VSS
PNP Switch, 4WD Signal, Tow/Haul, Serial Data, and Indicator
PNP Switch, 4WD Signal, Tow/Haul, Serial Data, and Indicator
Pressure Controls, Temperature, and VSS
Pressure Controls, Temperature, and VSS