GM Service Manual Online
For 1990-2009 cars only
Figure 1:

Power, Ground, Serial Data and Disable Switch


Object Number: 1538560  Size: FS
Master Electrical Component List
SIR System Description and Operation
Control Module References
Passenger Presence Schematics
SIR Caution for Zoning
Interior Park
Ignition Switch - ACC/RUN and RUN/START Bus Bars and IGN B Fuse
Passenger Presence Schematics
Seat Belt Schematics
Passenger Presence Schematics
Passenger Presence Schematics
Power, Ground, DLC and Splice Pack SP 205
SIR Caution for Zoning
G115 and G200 - 1 of 2
G304, G305, G306 and G390
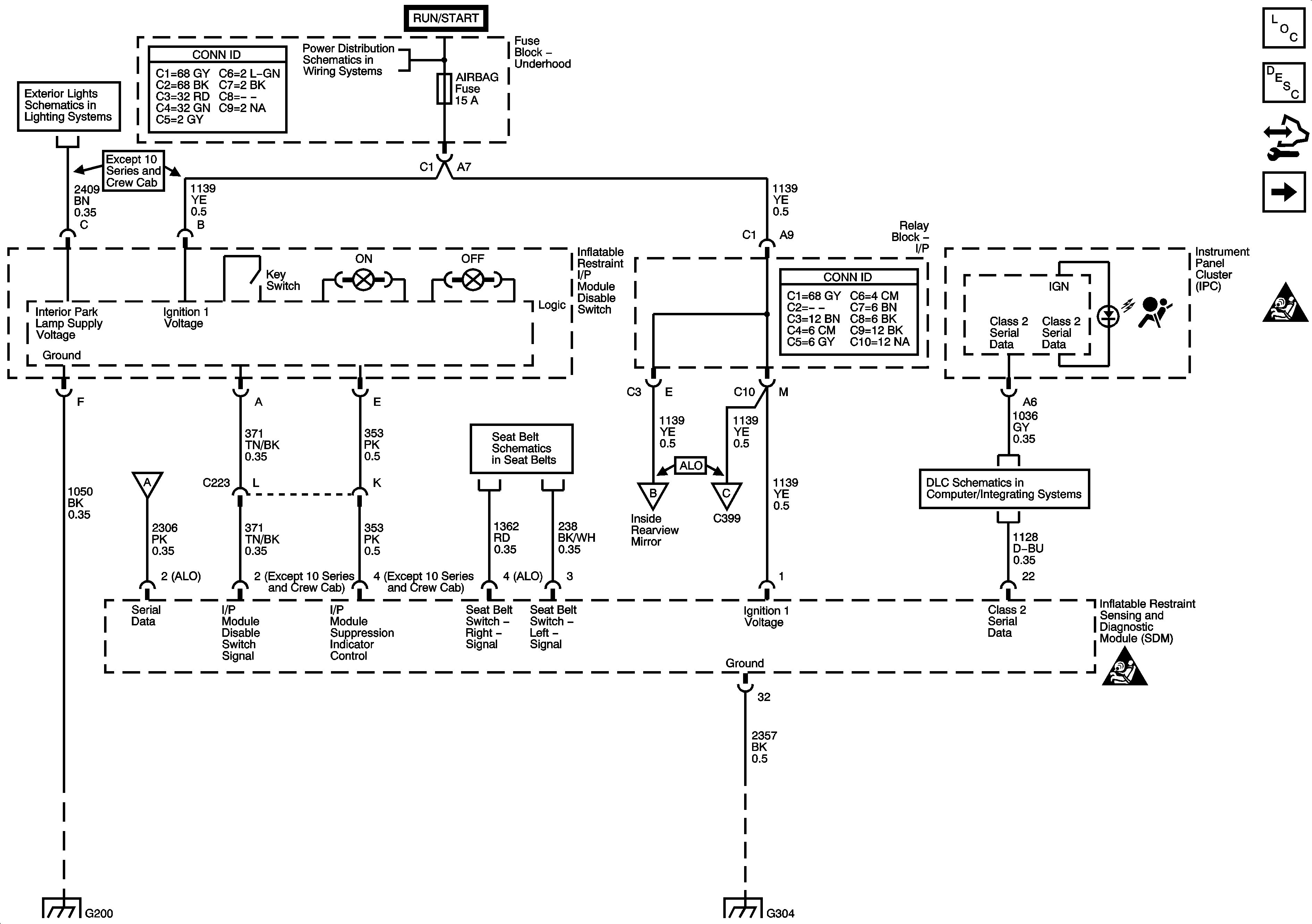
Figure 2:

Passenger Presence Schematics


Object Number: 1538561  Size: FS
Master Electrical Component List
SIR System Description and Operation
Control Module References
Driver and Passenger Airbags
Power, Ground, Serial Data and Disable Switch
SIR Caution for Zoning
Power, Ground, Serial Data and Disable Switch
Inside Rearview Mirror Schematics
Power, Ground, Serial Data and Disable Switch
Power, Ground, Serial Data and Disable Switch
G304, G305, G306 and G390
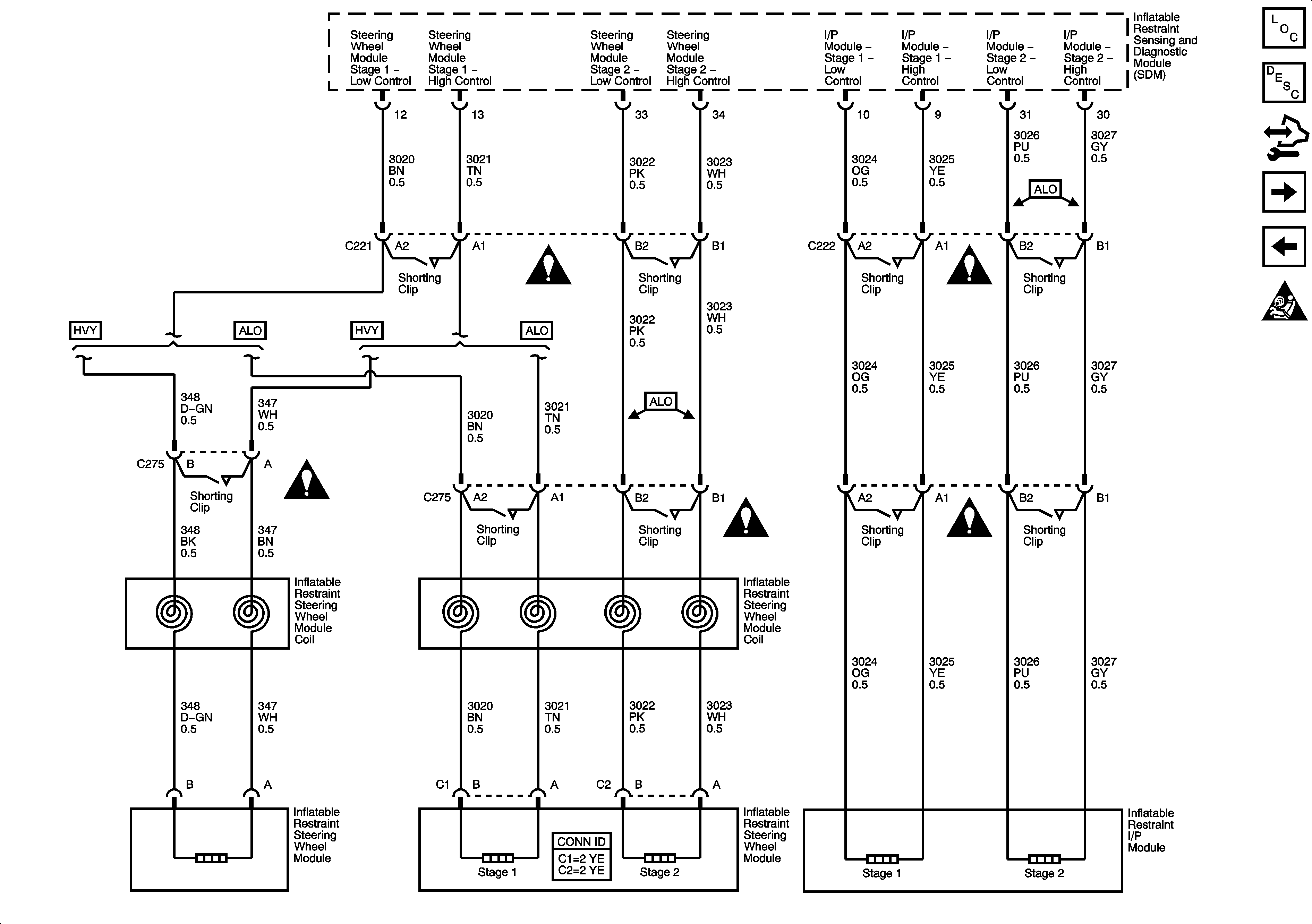
Figure 3:

Driver and Passenger Air Bags


Object Number: 1538563  Size: FS
Master Electrical Component List
SIR System Description and Operation
Control Module References
Front and Side Impact Sensors and Seat Position Sensors
Passenger Presence Schematics
SIR Caution for Zoning
SIR Schematic Icons
SIR Schematic Icons
SIR Schematic Icons
SIR Schematic Icons
SIR Schematic Icons
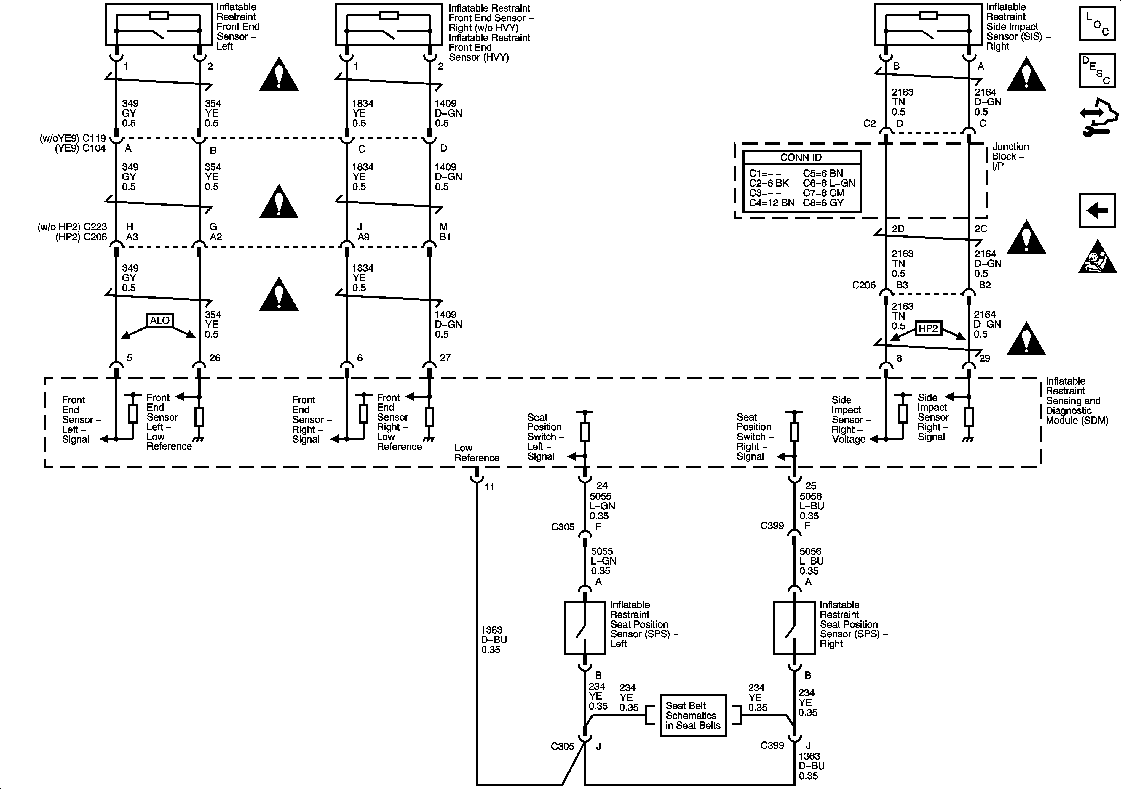
Figure 4:

Front End and Side Impact Sensors and Seat Position Sensors


Object Number: 1538565  Size: FS
Master Electrical Component List
SIR System Description and Operation
Control Module References
Driver and Passenger Airbags
SIR Caution for Zoning
SIR Schematic Icons
SIR Schematic Icons
SIR Schematic Icons
SIR Schematic Icons
SIR Schematic Icons
SIR Schematic Icons
Seat Belt Schematics