GM Service Manual Online
For 1990-2009 cars only
Figure 1:

Interior Lights Dimming Control and LED Dimming Supply - 1 of 2


Object Number: 1533618  Size: FS
Master Electrical Component List
Interior Lighting Systems Description and Operation
Control Module References
LED Dimming Supply - 2 of 2
Power, Ground, Serial Data, Steering Wheel/Speed Sensor, and Brake Pedal Position Sensor
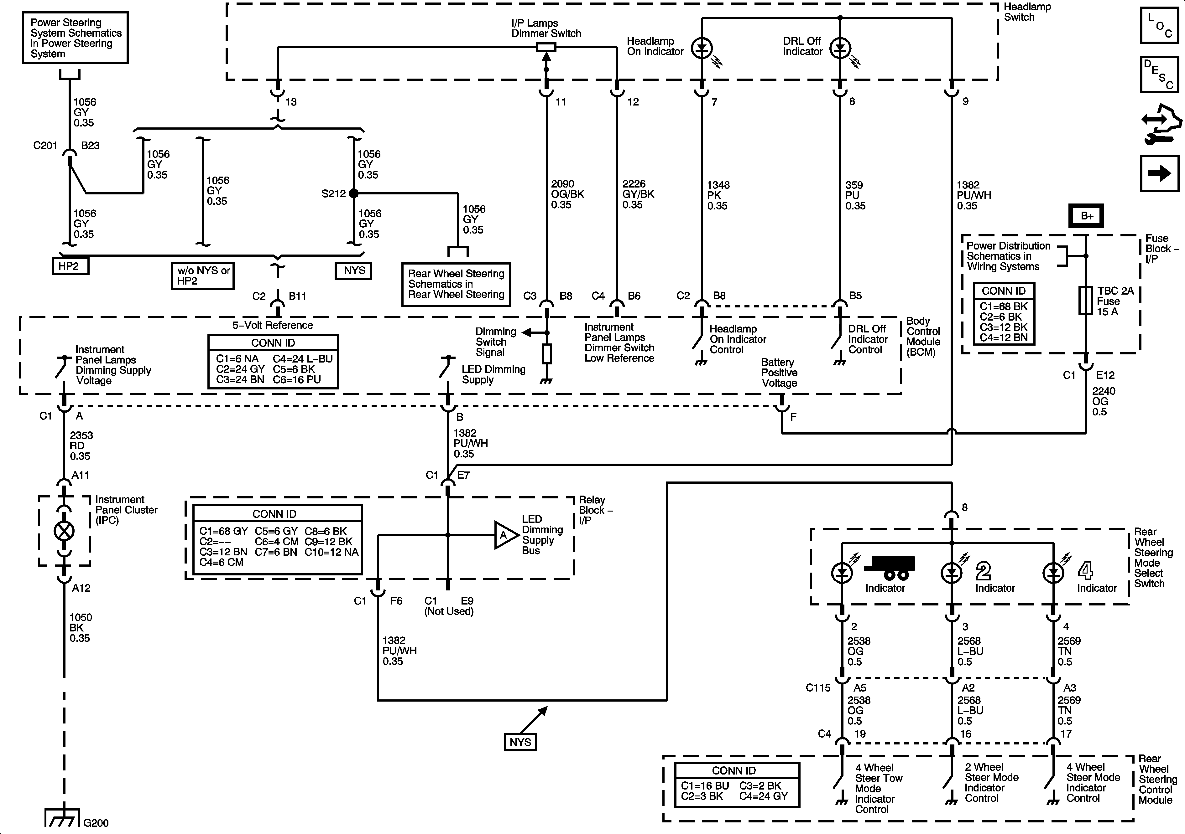
Steering Wheel Speed/Position
BLWR, FLASH, HVAC/ECAS, LBEC 1, RR DEFOG, RR HVAC, TBC 2A, TBC 2B, and TBC 2C Fuses and LT DOOR Circuit Breaker
LED Dimming Supply - 2 of 2
G115 and G200 - 1 of 2
Figure 2:

LED Dimming Supply - 2 of 2


Object Number: 1533620  Size: FS
Master Electrical Component List
Interior Lighting Systems Description and Operation
Control Module References
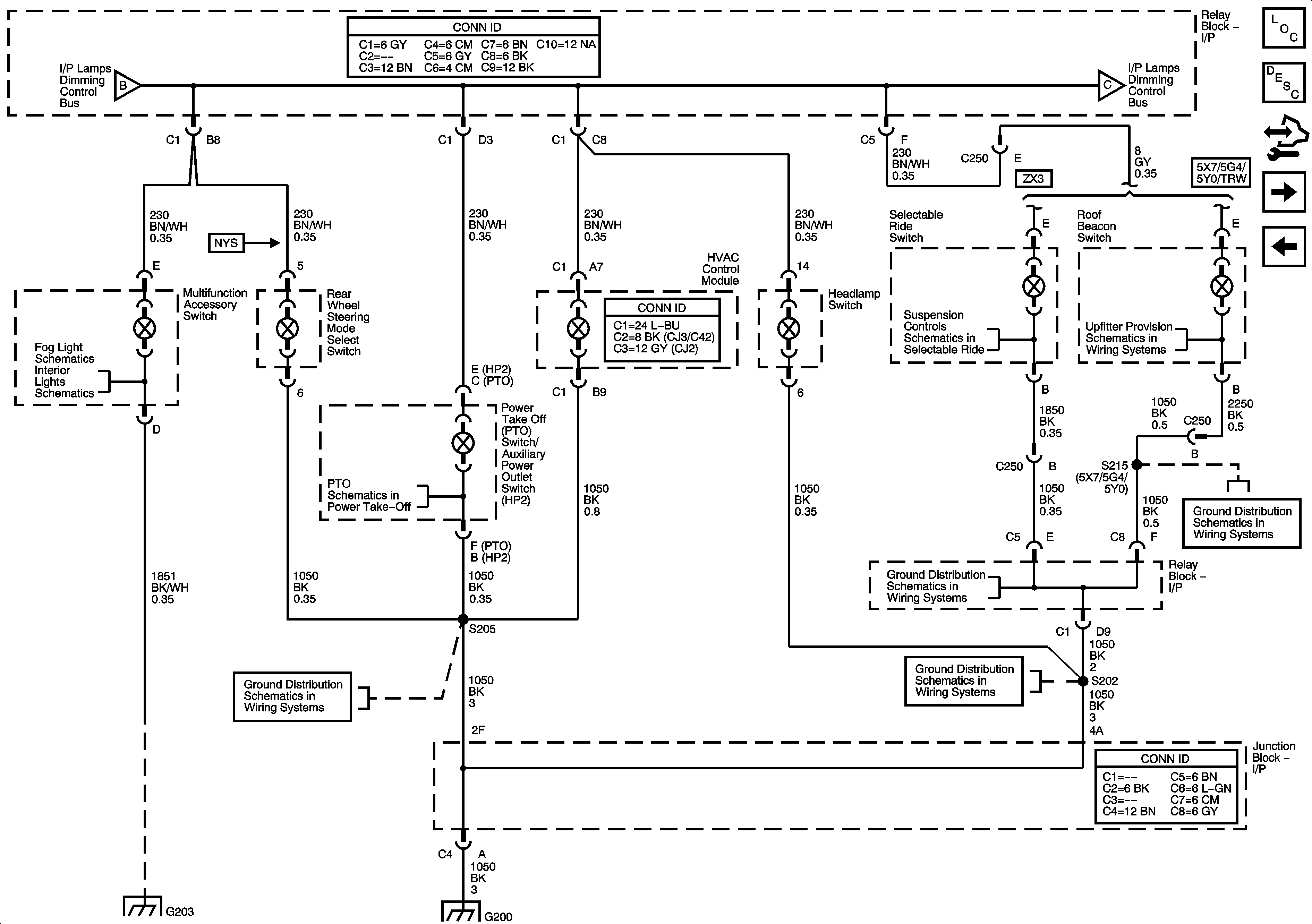
I/P Lamps Dimming Control Supply - 1 of 3
Interior Lights Dimming Control and LED Dimming Supply - 1 of 2
Interior Lights Dimming Control and LED Dimming Supply - 1 of 2
Fog Lights Schematics
Selectable Ride
Roof Beacon Lighting (564/TRW)
G115 and G200 - 1 of 2
Figure 3:

I/P Lamps Dimming Control Supply - 1 of 3


Object Number: 1533624  Size: FS
Master Electrical Component List
Interior Lighting Systems Description and Operation
Control Module References
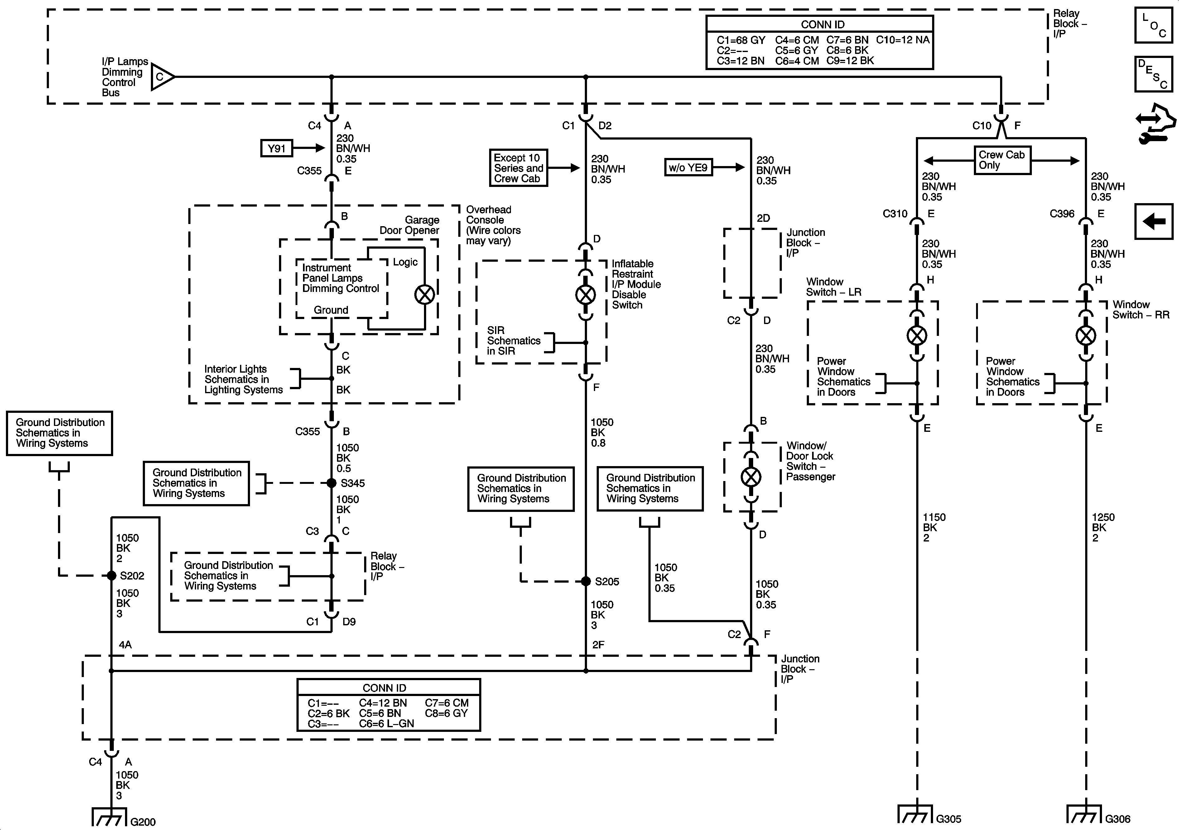
I/P Lamps Dimming Control Supply - 2 of 3
LED Dimming Supply - 2 of 2
I/P Lamps Dimming Control Supply - 2 of 3
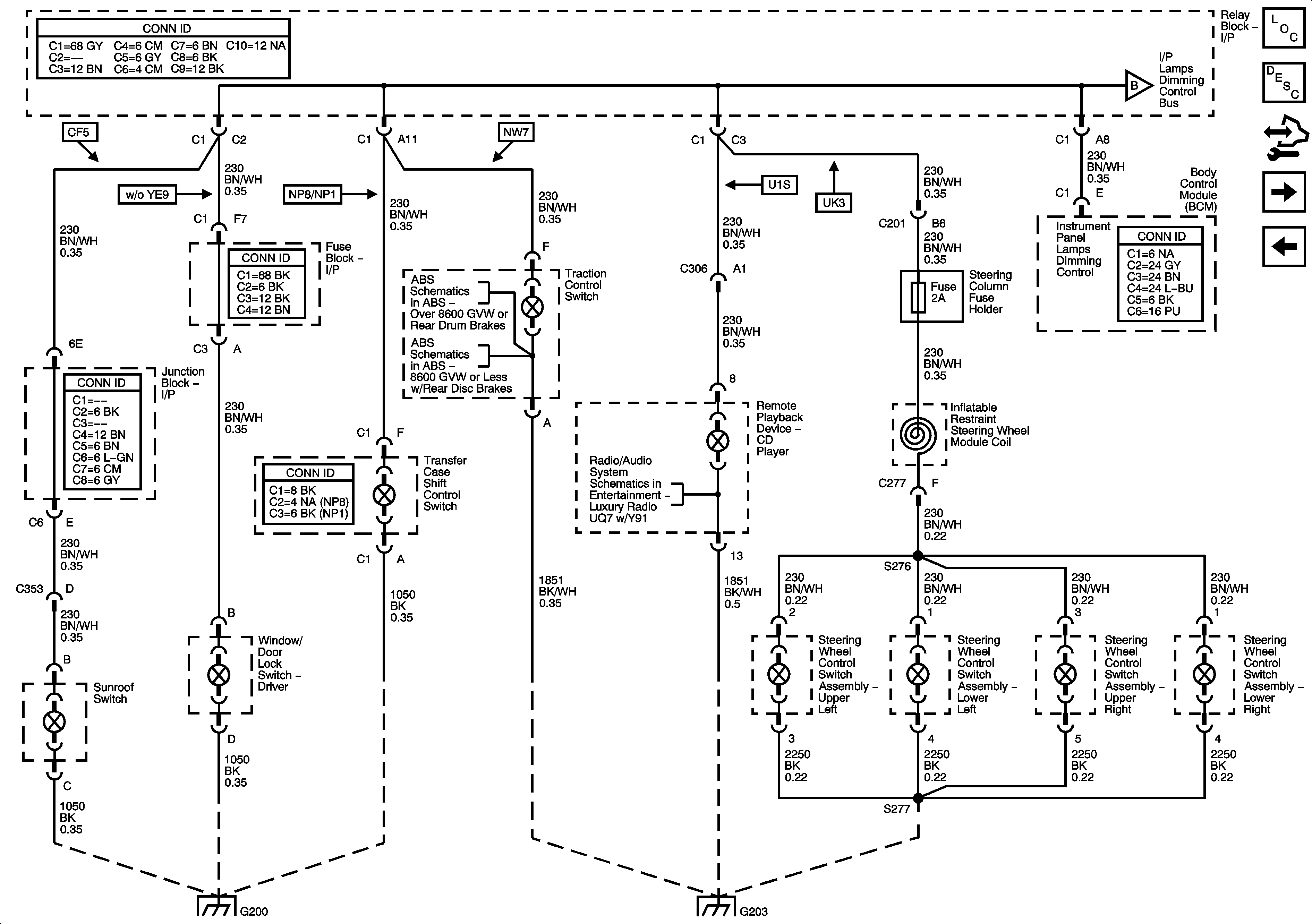
Traction Control Switch and Wheel Speed Sensor - 8600 GVW or Less w/Rear Disc Brakes
G203 - 1 of 2
G115 and G200 - 1 of 2
G115 and G200 - 1 of 2
G203 - 1 of 2
G203 - 1 of 2
G203 - 2 of 2
G203 - 1 of 2
G115 and G200 - 1 of 2
G115 and G200 - 1 of 2
G203 - 1 of 2
Figure 4:

I/P Lamps Dimming Control Supply - 2 of 3


Object Number: 1533626  Size: FS
Master Electrical Component List
Interior Lighting Systems Description and Operation
Control Module References
I/P Lamps Dimming Control Supply - 3 of 3
I/P Lamps Dimming Control Supply - 1 of 3
I/P Lamps Dimming Control Supply - 1 of 3
I/P Lamps Dimming Control Supply - 3 of 3
Fog Lights Schematics
Selectable Ride
Roof Beacon Lighting (564/TRW)
Power Takeoff
G200 - 2 of 2
G200 - 2 of 2
G115 and G200 - 1 of 2
G200 - 2 of 2
G203 - 1 of 2
G115 and G200 - 1 of 2
Figure 5:

I/P Dimming Control Supply - 3 of 3


Object Number: 1533628  Size: FS
Master Electrical Component List
Exterior Lighting Systems Description and Operation
Control Module References
I/P Lamps Dimming Control Supply - 2 of 3
I/P Lamps Dimming Control Supply - 2 of 3
Interior Lamps - 2 of 2
Power, Ground, Serial Data and Disable Switch
Left Doors
Right Doors
G115 and G200 - 1 of 2
G200 - 2 of 2
G115 and G200 - 1 of 2
G115 and G200 - 1 of 2
G200 - 2 of 2
G115 and G200 - 1 of 2
G304, G305, G306 and G390
G304, G305, G306 and G390

Object Number: 1693286  Size: FS
Master Electrical Component List
Blackout Lighting Circuit Operation
Topper Wiring