GM Service Manual Online
For 1990-2009 cars only
Makes
🢒
Chevrolet
🢒
2005
🢒
Chevy K Silverado - 4WD
🢒
Brakes
🢒
Hydraulic Brakes
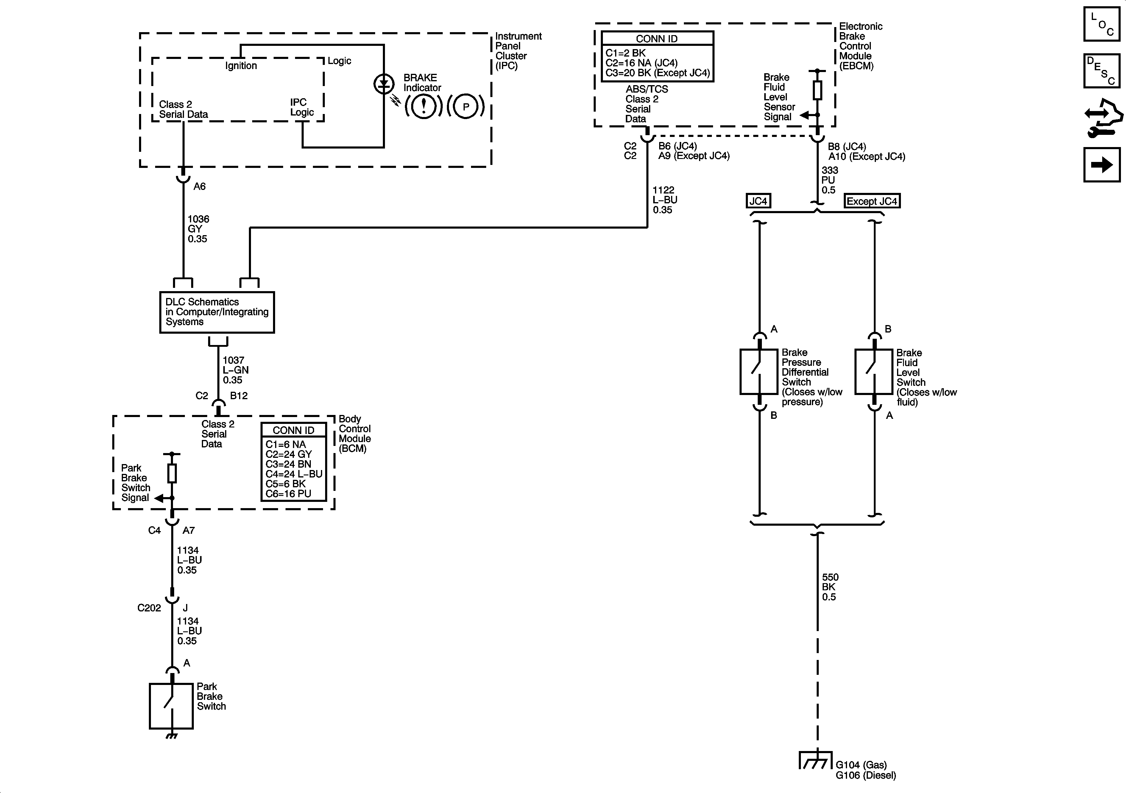
🢒 Brake Warning System Schematics
Figure
1:
Power, Ground, Serial Data, Indicator Control and Switches
Master Electrical Component List
Brake Warning System Description and Operation
Control Module References
Supplimental Brake Assist
Power, Ground, DLC and Splice Pack SP 205
G104, G106, G107 and G110
Figure
2:
Supplemental Brake Assist
Master Electrical Component List
Brake Assist System Description and Operation Hydraulic Assist
Control Module References
Power, Ground, Serial Data, Indicator Control, and Switches
Ignition Switch - ACC/RUN and RUN/START Bus Bars and IGN B Fuse
B+ Bar Bus
G104, G106, G107 and G110
ETC/ECM, INJ 1, INJ 2, PCM 1, and SBA Fuses - Gas
ETC/ECM, INJ 1, INJ 2, PCM 1, and SBA Fuses - Gas
Gages, Vehicle Speed Signal, Engine Oil Pressure, and Fuel Level Sensors
G104, G106, G107 and G110
G203 - 1 of 2
G115 and G200 - 1 of 2