GM Service Manual Online
For 1990-2009 cars only
Makes
🢒
Chevrolet
🢒
2005
🢒
Chevy K Silverado - 4WD
🢒 Audible Warnings
Audible Warnings
Master Electrical Component List
Audible Warnings Description and Operation
Control Module References
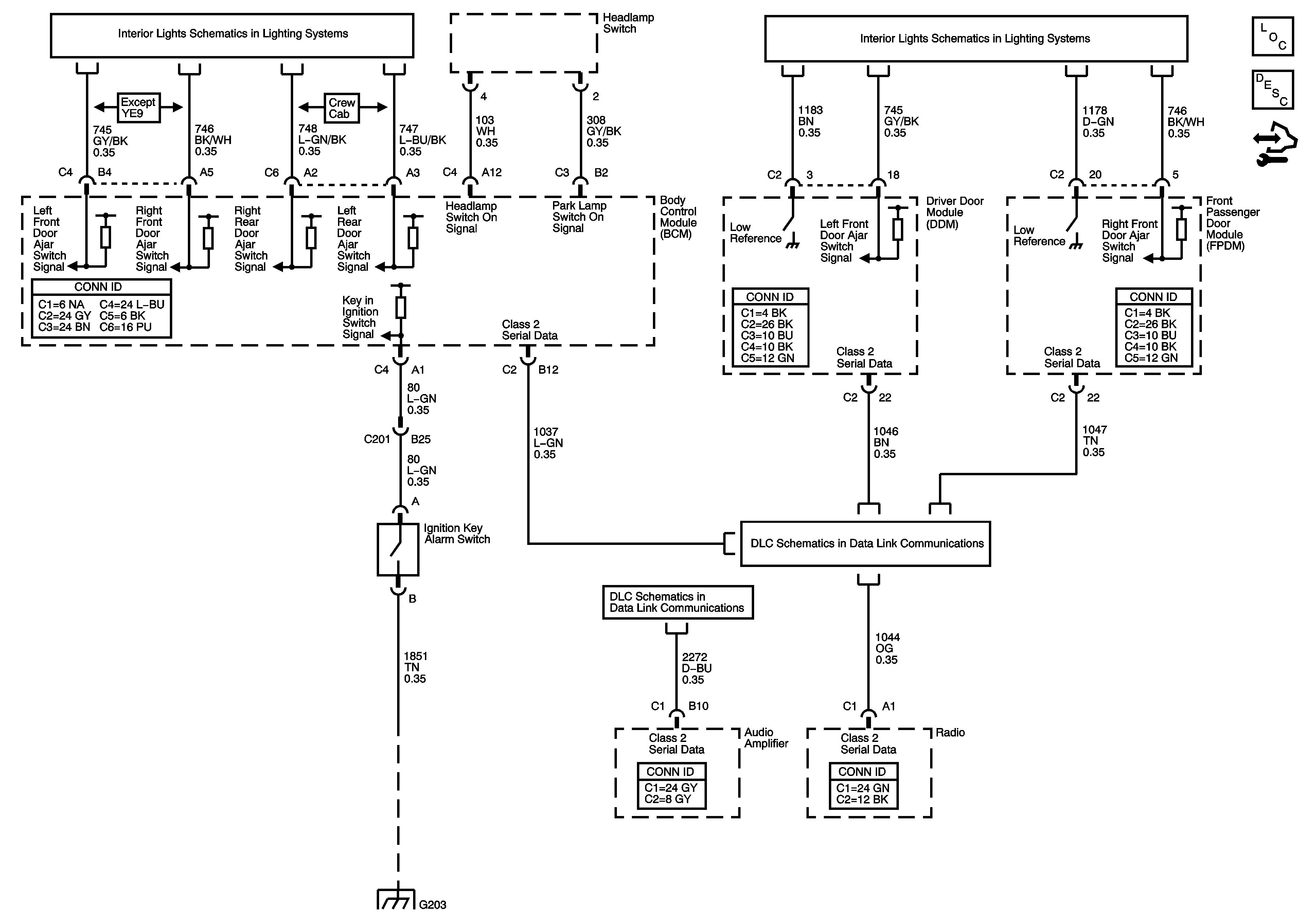
Door Jamb Switches (w/o YE9/Y91)
Door Jamb Switches (YE9/Y91)
Power, Ground, DLC and Splice Pack SP 205
Splice Pack SP207
G203 - 1 of 2