GM Service Manual Online
For 1990-2009 cars only
Figure 1:

Cell 46: Release Pump Circuit


Object Number: 346068  Size: FS
Park Brake System Components
Electric/Auto Park Circuit Description
Cell 10: Battery, Starter, Junction Block
Cell 46: Indicator Lamp Circuit
Cell 41: Brake Warning Relays
Cell 10: Junction Block
Cell 41: Brake Warning Relays
Cell 18: Cavities A, B, and C
Cell 14: G300 and G400
Figure 2:

Cell 46: Indicator Lamp Circuit


Object Number: 346071  Size: FS
Park Brake System Components
Electric/Auto Park Circuit Description
Cell 46: Alarm Circuit
Cell 46: Release Pump Circuit
Cell 41: Brake Warning Relays
Cell 10: Junction Block
Cell 81: Indicators and Illumination Lamps
Cell 14: G102
Cell 46: Release Pump Circuit
Cell 18: Cavities A, B, and C
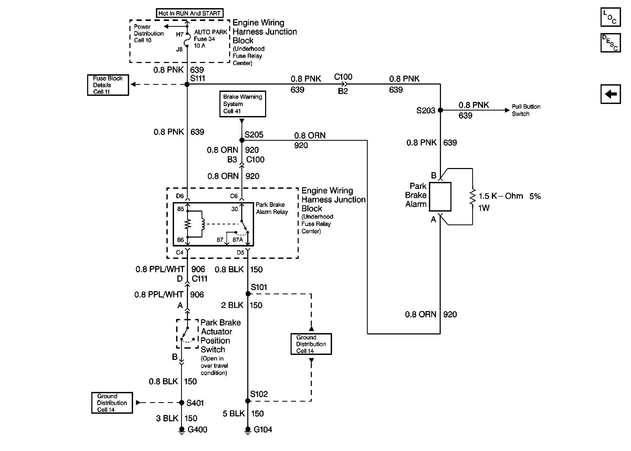
Figure 3:

Cell 46: Alarm Circuit


Object Number: 346073  Size: FS
Park Brake System Components
Electric/Auto Park Circuit Description
Cell 46: Indicator Lamp Circuit
Cell 11: ALT/START, AUTO PARK, and ENG-I fuses
Cell 10: Junction Block
Cell 41: Brake Warning Relays
Cell 46: Indicator Lamp Circuit
Cell 14: G104
Cell 14: G300 and G400