GM Service Manual Online
For 1990-2009 cars only
Makes
🢒
Chevrolet
🢒
1999
🢒
Chevy P12 Chassis
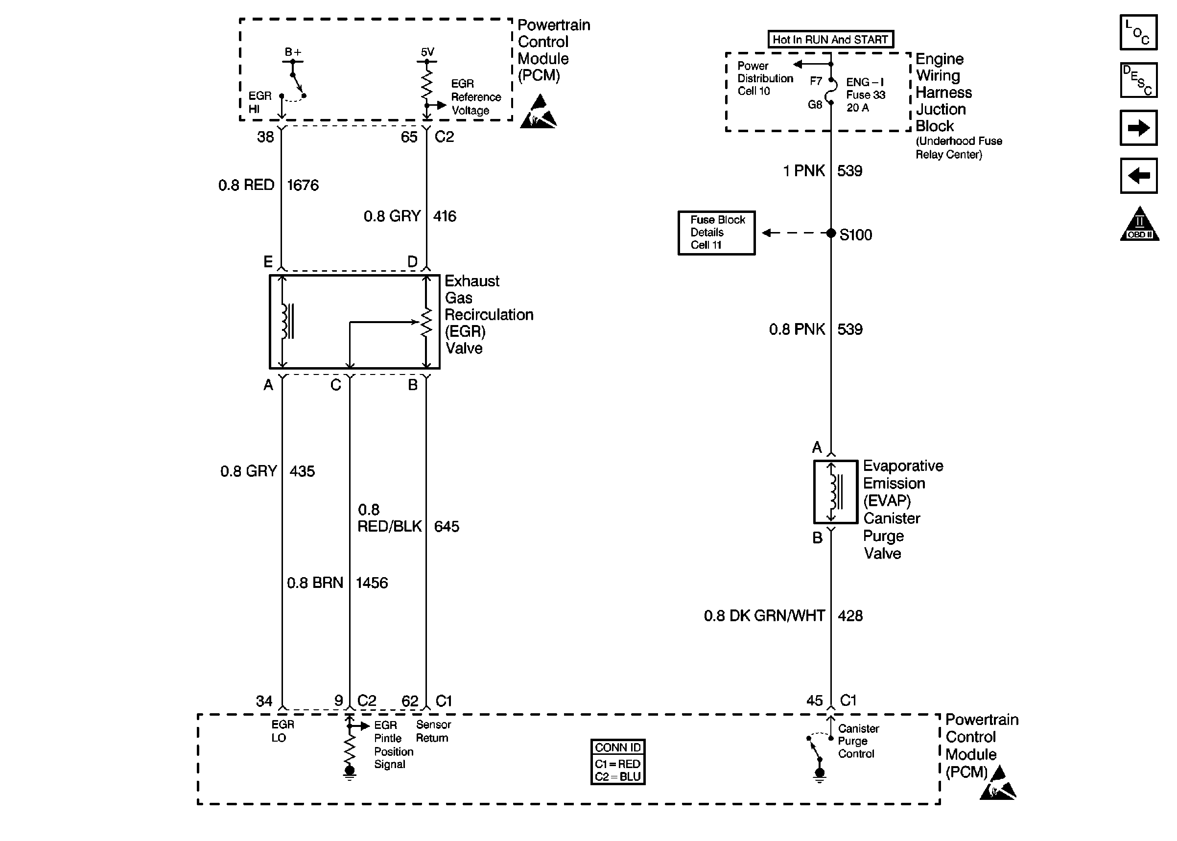
🢒 Cell 20: EVAP and EGR
Cell 20: EVAP and EGR
Cell 20: EVAP and EGR
Engine Controls Components
Information Sensors/Switches Description w/TAC
Cell 20: Throttle Control
Cell 20: Engine Data Sensors 3 - MAF, VSS, and Speedometer
OBD II Symbol Description Notice
Handling ESD Sensitive Parts Notice
Cell 11: ALT/START, AUTO PARK, and ENG-I fuses
Cell 10: Junction Block
Handling ESD Sensitive Parts Notice