GM Service Manual Online
For 1990-2009 cars only
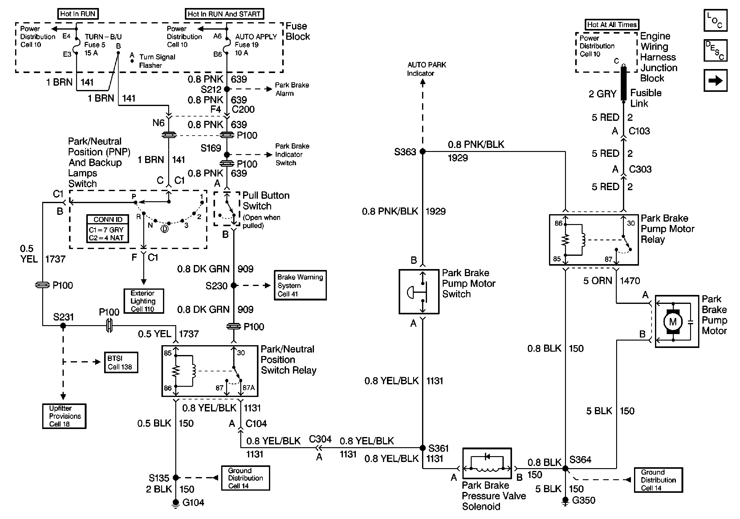
Figure 1:

Cell 41: Park Brake Pump Control


Object Number: 501454  Size: FS
Park Brake System Components
Electric/Auto Park Circuit Description P32 Upfitter
Cell 41: AUTO PARK Warning Circuit
Cell 138: P32 BTSI Circuit
Cell 18: Door Ajar Switch, Dome Lamp, Park Accessory, Low Current, and Horns
Cell 10: Ignition Switch and Fuse Block
Cell 41: Park Brake Alarm
Park Brake System Connector End Views
Cell 41: Auto Apply Relays
Shift Lock Control Schematics
Cell 10: Battery, Starter and Junction Block
Cell 14: G350, G400, G401, and G402
Cell 14: G104 [L29]
Figure 2:

Cell 41: AUTO PARK Warning Circuit


Object Number: 501463  Size: FS
Park Brake System Components
Electric/Auto Park Circuit Description P32 Upfitter
Cell 41: Park Brake Alarm
Cell 41: Park Brake Pump Control
Cell 41: Park Brake Pump Control
Cell 41: Park Brake Pump Control
Cell 10: Ignition Switch and Fuse Block
Cell 41: Park Brake Alarm
Handling ESD Sensitive Parts Notice
Cell 14: G108 [L29]
Cell 41: Park Brake Pump Control
Figure 3:

Cell 41: Park Brake Alarm


Object Number: 501465  Size: FS
Park Brake System Components
Electric/Auto Park Circuit Description P32 Upfitter
Cell 41: Park Brake Pump Control
Cell 10: Ignition Switch and Fuse Block
Cell 41: Park Brake Pump Control
Cell 41: Brake Warning System - US
Cell 41: Brake Warning System - Canada
Cell 41: Brake Warning System - Export
Cell 14: G200
Cell 14: G350, G400, G401, and G402
Figure 4:

Cell 41: Park Brake Pump Control


Object Number: 501460  Size: FS
Park Brake System Components
Electric/Auto Park Circuit Description P32 Upfitter
Cell 41: Park Brake Alarm
Cell 138: P32 BTSI Circuit
Cell 18: Door Ajar Switch, Dome Lamp, Park Accessory, Low Current, and Horns
Cell 10: Ignition Switch and Fuse Block
Cell 41: Park Brake Alarm
Park Brake System Connector End Views
Cell 41: Auto Apply Relays
Shift Lock Control Schematics
Cell 10: Battery, Starter and Junction Block
Cell 14: G350, G400, G401, and G402
Cell 14: G104 [L29]