GM Service Manual Online
For 1990-2009 cars only
Figure 1:

Cell 21: VCM Power and Grounding, MIL, DLC


Object Number: 339490  Size: FS
Engine Controls Components
Vehicle Control Module Description
Cell 21: Ignition Controls 1 - ICM, Coil, and Tachometer
OBD II Symbol Description Notice
Cell 11: ENG-BAT and ECM-BAT fuses
Cell 10: Fuse Block
Cell 11: I-3, TURN BU and HTR fuses, PWR CKT BRKR 2 and AUX CKT BRKR13
Cell 10: Ignition Switch and Fuse Block
Cell 11: ECM-I fuse [L29]
Cell 11: GAUGES and TRANS fuses
Handling ESD Sensitive Parts Notice
Cell 10: Fuse Block
Cell 11: ENG-BAT and ECM-BAT fuses
Handling ESD Sensitive Parts Notice
Cell 44: Gas, ABS Power and Grounding, DLC Output
Cell 14: S150 and S101 [L29]
Cell 14: G200
Cell 14: G108 [L29]
Figure 2:

Cell 21: Ignition Controls 1 -- ICM, Coil, and Tachometer


Object Number: 340097  Size: FS
Engine Controls Components
Enhanced Ignition System Description
Cell 21: Ignition Controls 2 - KS, CKP, CMP
Cell 21: VCM Power and Grounding, MIL, DLC
OBD II Symbol Description Notice
Cell 10: Ignition Switch and Fuse Block
Cell 11: ECM-I fuse [L29]
Cell 81: Gauges [L65]
Cell 14: G108 [L29]
Cell 14: G103, G105, G106, and G110 [L29]
Figure 3:

Cell 21: Ignition Controls 2 -- KS, CKP, CMP


Object Number: 339881  Size: FS
Engine Controls Components
Enhanced Ignition System Description
Cell 21: Fuel Controls 1 - Fuel Pump Module, Relay, and Gauge
Cell 21: Ignition Controls 1 - ICM, Coil, and Tachometer
OBD II Symbol Description Notice
Cell 11: ECM-I fuse [L29]
Cell 10: Ignition Switch and Fuse Block
Cell 11: ENG-I fuse
Handling ESD Sensitive Parts Notice
Figure 4:

Cell 21: Fuel Controls 1 -- Fuel Pump Module, Relay, and Gauge


Object Number: 340091  Size: FS
Engine Controls Components
Fuel Supply Component Description
Cell 21: Fuel Controls 2 - Fuel Injectors
Cell 21: Ignition Controls 2 - KS, CKP, CMP
OBD II Symbol Description Notice
Cell 11: GAUGES and TRANS fuses
Cell 10: Ignition Switch and Fuse Block
Cell 81: Gauges [L65]
Handling ESD Sensitive Parts Notice
Handling ESD Sensitive Parts Notice
Cell 10: Fuse Block
Handling ESD Sensitive Parts Notice
Cell 11: ENG-BAT and ECM-BAT fuses
Cell 14: G103, G105, G106, and G110 [L29]
Cell 14: G350, G400, G401, and G402
Handling ESD Sensitive Parts Notice
Cell 21: Engine Data Sensors 1- MAP, IAT, TP Sensor, and ECT
Cell 14: G108 [L29]
Figure 5:

Cell 21: Fuel Controls 2 -- Fuel Injectors


Object Number: 340094  Size: FS
Engine Controls Components
Fuel Supply Component Description
Cell 21: Engine Data Sensors 1- MAP, IAT, TP Sensor, and ECT
Cell 21: Fuel Controls 1 - Fuel Pump Module, Relay, and Gauge
OBD II Symbol Description Notice
Cell 10: Ignition Switch and Fuse Block
Cell 11: ECM-I fuse [L29]
Handling ESD Sensitive Parts Notice
Figure 6:

Cell 21: Engine Data Sensors 1-- MAP, IAT, TP Sensor, and ECT


Object Number: 340098  Size: FS
Engine Controls Components
Information Sensors/Switches Description
Cell 21: Engine Data Sensors 2- Heated Oxygen Sensors
Cell 21: Fuel Controls 2 - Fuel Injectors
OBD II Symbol Description Notice
Cell 21: EVAP and EGR Controls
Handling ESD Sensitive Parts Notice
Handling ESD Sensitive Parts Notice
Cell 21: A/T Controls 2 - TR, TFT, TISS, and PC Solenoid Valve
Cell 21: EVAP and EGR Controls
Cell 21: Fuel Controls 1 - Fuel Pump Module, Relay, and Gauge
Figure 7:

Cell 21: Engine Data Sensors 2-- Heated Oxygen Sensors


Object Number: 340099  Size: FS
Engine Controls Components
Information Sensors/Switches Description
Cell 21: Engine Data Sensors 3- MAF and IAC Circuits
Cell 21: Engine Data Sensors 1- MAP, IAT, TP Sensor, and ECT
OBD II Symbol Description Notice
Cell 11: ENG-I fuse
Cell 10: Ignition Switch and Fuse Block
Handling ESD Sensitive Parts Notice
Cell 14: G104 [L29]
Figure 8:

Cell 21: Engine Data Sensors 3-- MAF and IAC Circuits


Object Number: 340104  Size: FS
Engine Controls Components
Information Sensors/Switches Description
Cell 21: Engine Data Sensors 4- Vehicle Speed Sensor Circuit
Cell 21: Engine Data Sensors 2- Heated Oxygen Sensors
OBD II Symbol Description Notice
Cell 10: Ignition Switch and Fuse Block
Cell 11: ENG-I fuse
Handling ESD Sensitive Parts Notice
Cell 14: G103, G105, G106, and G110 [L29]
Figure 9:

Cell 21: Engine Data Sensors 4-- Vehicle Speed Sensor Circuit


Object Number: 340105  Size: FS
Engine Controls Components
Information Sensors/Switches Description
Cell 21: EVAP and EGR Controls
Cell 21: Engine Data Sensors 3- MAF and IAC Circuits
OBD II Symbol Description Notice
Engine Controls Schematic Icons
Cell 11: ECM-I fuse [L29]
Cell 10: Ignition Switch and Fuse Block
Cell 81: Gauges [L65]
Handling ESD Sensitive Parts Notice
Cell 14: G108 [L29]
Handling ESD Sensitive Parts Notice
Handling ESD Sensitive Parts Notice
Handling ESD Sensitive Parts Notice
Cell 14: G103, G105, G106, and G110 [L29]
Figure 10:

Cell 21: EVAP and EGR Controls


Object Number: 340107  Size: FS
Engine Controls Components
Exhaust Gas Recirculation (EGR) System Description
Cell 21: A/T Controls 1 - Stoplamp/TCC Switch, Internal Solenoids
Cell 21: Engine Data Sensors 4- Vehicle Speed Sensor Circuit
OBD II Symbol Description Notice
Cell 11: ENG-I fuse
Cell 10: Ignition Switch and Fuse Block
Handling ESD Sensitive Parts Notice
Cell 21: Engine Data Sensors 1- MAP, IAT, TP Sensor, and ECT
Exhaust Gas Recirculation (EGR) System Description
Handling ESD Sensitive Parts Notice
Figure 11:

Cell 21: A/T Controls 1 -- Stoplamp/TCC Switch, Internal Solenoids


Object Number: 340114  Size: FS
Engine Controls Components
Electronic Component Description
Cell 21: A/T Controls 2 - TR, TFT, TISS, and PC Solenoid Valve
Cell 21: EVAP and EGR Controls
OBD II Symbol Description Notice
Cell 10: Ignition Switch and Fuse Block
Cell 11: I-3, TURN BU and HTR fuses, PWR CKT BRKR 2 and AUX CKT BRKR13
Cell 10: Ignition Switch and Fuse Block
Handling ESD Sensitive Parts Notice
Cell 138: P32 BTSI Circuit
Cell 44: Gas, ABS Power and Grounding, DLC Output
Figure 12:

Cell 21: A/T Controls 2 -- TR, TFT, TISS, and PC Solenoid Valve


Object Number: 340113  Size: FS
Engine Controls Components
Electronic Component Description
Cell 21: A/C Controls
Cell 21: A/T Controls 1 - Stoplamp/TCC Switch, Internal Solenoids
OBD II Symbol Description Notice
Handling ESD Sensitive Parts Notice
Handling ESD Sensitive Parts Notice
Cell 21: Engine Data Sensors 1- MAP, IAT, TP Sensor, and ECT
Figure 13:

Cell 21: A/C Controls


Object Number: 340116  Size: FS
Engine Controls Components
Heater Core Description
Cell 21: Auxiliary Cooling Fan Circuit
Cell 21: A/T Controls 2 - TR, TFT, TISS, and PC Solenoid Valve
OBD II Symbol Description Notice
Cell 11: ENG-BAT and ECM-BAT fuses
Cell 10: Fuse Block
Cell 10: Ignition Switch and Fuse Block
Cell 11: GAUGES and TRANS fuses
Cell 14: G103, G105, G106, and G110 [L29]
Handling ESD Sensitive Parts Notice
Cell 14: G200
Cell 14: S150 and S101 [L29]
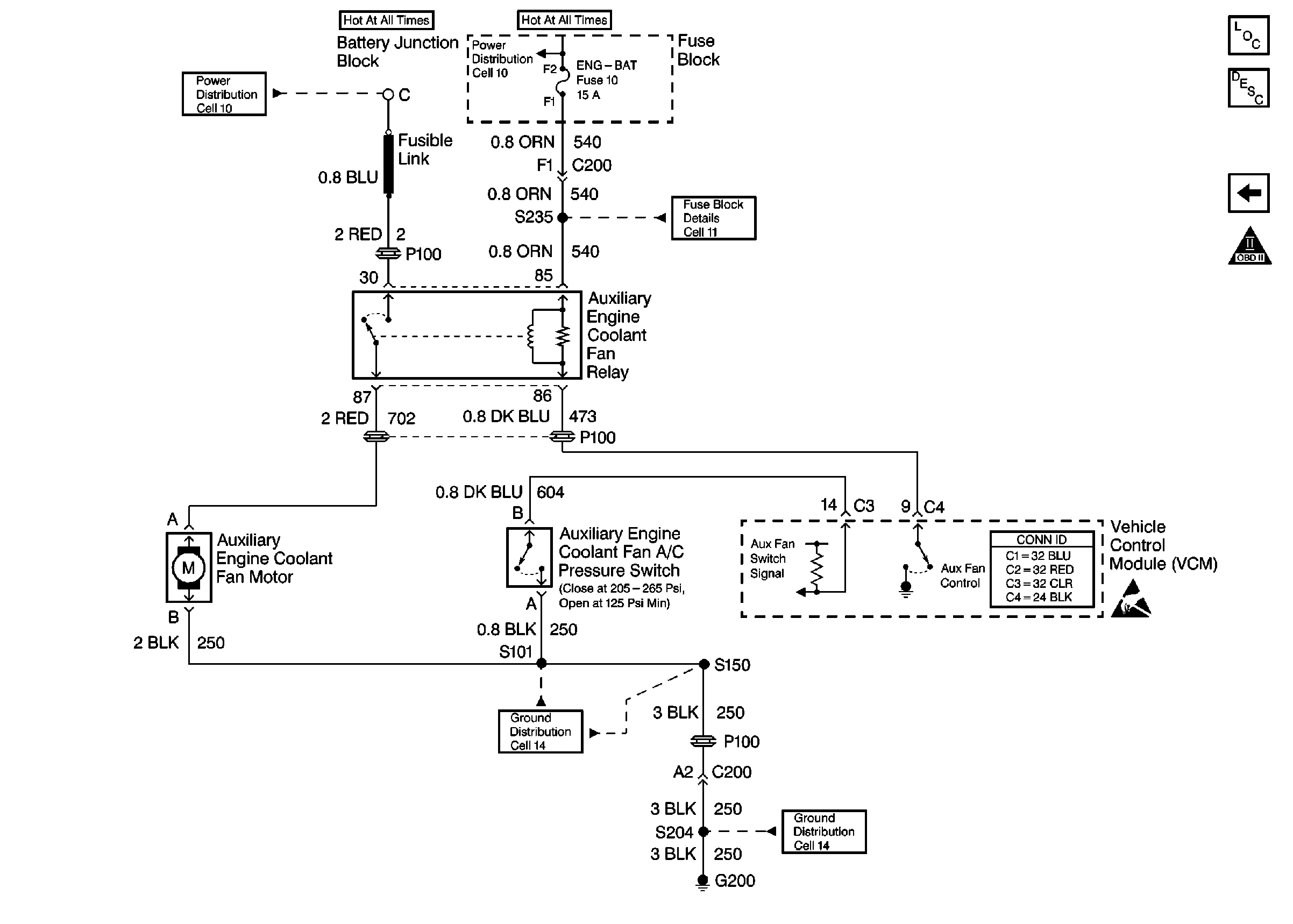
Figure 14:

Cell 21: Auxiliary Cooling Fan Circuit


Object Number: 340119  Size: FS
Engine Controls Components
Engine Cooling Fan Description - Electric
Cell 21: A/C Controls
OBD II Symbol Description Notice
Cell 10: Battery, Starter and Junction Block
Cell 10: Fuse Block
Cell 11: ENG-BAT and ECM-BAT fuses
Handling ESD Sensitive Parts Notice
Cell 14: G200
Cell 14: S150 and S101 [L29]