GM Service Manual Online
For 1990-2009 cars only

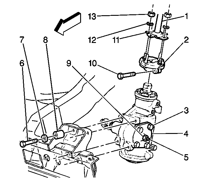
Steering Gear Replacement 708 Model (Motor Home Only)

Removal Procedure

  1. Place a drain pan under the steering gear.
  2. Caution: Unless directed otherwise, the ignition and start switch must be in the OFF or LOCK position, and all electrical loads must be OFF before servicing any electrical component. Disconnect the negative battery cable to prevent an electrical spark should a tool or equipment come in contact with an exposed electrical terminal. Failure to follow these precautions may result in personal injury and/or damage to the vehicle or its components.

  3. Disconnect the negative battery cable.
  4. Remove the hoses from the steering gear.
  5. Raise the hose up in order to prevent any oil drainage.
  6. Cap or tape the ends of the hose and the gear fittings in order to prevent contamination.
  7. Tag the hose locations.

  8. Object Number: 313952  Size: SH
  9. Remove the coupling pinch bolt (10).
  10. Mark the relationship of the coupling to the stub shaft.
  11. Remove the pitman arm. Refer to Pitman Arm Replacement in Steering Linkage.
  12. Remove the steering gear frame bolts (6).
  13. Remove the steering gear. Use a soft mallet in order to tap lightly on the coupling in order to remove the steering shaft/coupling from the steering gear stub shaft.

Installation Procedure

  1. Line up the marks made during the removal procedure in order to guide the stub shaft into the coupling/steering shaft assembly.
  2. For JB8 units, install the steering gear to the frame bolts with the washers.
  3. Tighten
    Tighten the bolts to 80 N·m (59 lb ft).


    Object Number: 313952  Size: SH
  4. Place the steering gear in position.
  5. Notice: Use the correct fastener in the correct location. Replacement fasteners must be the correct part number for that application. Fasteners requiring replacement or fasteners requiring the use of thread locking compound or sealant are identified in the service procedure. Do not use paints, lubricants, or corrosion inhibitors on fasteners or fastener joint surfaces unless specified. These coatings affect fastener torque and joint clamping force and may damage the fastener. Use the correct tightening sequence and specifications when installing fasteners in order to avoid damage to parts and systems.

  6. Install the steering gear to the frame bolts (6), the spring washers (7), and the spacers (8).
  7. Tighten
    Tighten the bolts to 87.5 N·m (65 lb ft).

  8. Install the coupling pinch bolt.
  9. Tighten
    Tighten the coupling pinch bolt to 102 N·m (75 lb ft).

  10. Install the pitman arm. Refer to Pitman Arm Replacement in Steering Linkage.
  11. Remove the plugs and the caps from the steering gear and the hoses.
  12. Install the hoses to the steering gear.
  13. Tighten
    Tighten the hose fittings to the specifications. Refer to Fastener Tightening Specifications .

Steering Gear Replacement 710 Model

Removal Procedure

  1. Position the front wheels and the steering wheel straight ahead.

  2. Object Number: 313999  Size: SH

    Notice: Do not hammer on the pitman arm, pitman arm shaft, or puller. Damage to the pitman or steering gear may result. Pitman arms are non-repairable and must be replaced when damaged or worn.

  3. Remove the pitman arm. Refer to Pitman Arm Replacement in Steering Linkage.
  4. Notice: Avoid contaminating the power steering system. Cap open hoses and ports to prevent dirt and debris from entering system. Contaminated power steering fluid and dirt can cause early parts failure.

  5. Remove the hydraulic hoses from the steering gear.
  6. Plug the hoses and the ports in order to prevent contamination.
  7. Tag the hose locations.
  8. Remove the cardan joint clamp bolt and the nut.
  9. Remove the cardan joint from the steering gear stub shaft.
  10. Remove the steering gear mounting bolts (6), spacers, and the washers (5).
  11. Remove the steering gear.

Installation Procedure


    Object Number: 313999  Size: SH
  1. Install the steering gear to the frame rail. Hold the gear in the vertical position (stub shaft up).
  2. Notice: Use the correct fastener in the correct location. Replacement fasteners must be the correct part number for that application. Fasteners requiring replacement or fasteners requiring the use of thread locking compound or sealant are identified in the service procedure. Do not use paints, lubricants, or corrosion inhibitors on fasteners or fastener joint surfaces unless specified. These coatings affect fastener torque and joint clamping force and may damage the fastener. Use the correct tightening sequence and specifications when installing fasteners in order to avoid damage to parts and systems.

  3. Install the bolts from the directions shown. Install the washers (5) and spacers under the bolt (6) heads.
  4. Tighten
    Tighten the bolts to 240 N·m (177 lb ft).

  5. Install the pitman arm. Refer to Pitman Arm Replacement in Steering Linkage.
  6. Tighten
    Tighten the nut to 370 N·m (275 lb ft).

  7. Install the cardan joint yoke to the steering gear stub shaft.
  8. Install the cardan joint bolt.
  9. Tighten
    Tighten the bolt to 48 N·m (35 lb ft).

  10. Adjust the cardan joint installed dimension. Refer to Steering Wheel Replacement in Steering Wheel and Column.
  11. Install the hydraulic hoses to the steering gear.
  12. Tighten
    Tighten the hoses to 38 N·m (28 lb ft).

  13. Bleed the system. Refer to Power Steering System Bleeding .

Steering Gear Replacement 708 Model (I-Beam Front Axle)

Removal Procedure

  1. Place a drain pan under the steering gear.
  2. Caution: Unless directed otherwise, the ignition and start switch must be in the OFF or LOCK position, and all electrical loads must be OFF before servicing any electrical component. Disconnect the negative battery cable to prevent an electrical spark should a tool or equipment come in contact with an exposed electrical terminal. Failure to follow these precautions may result in personal injury and/or damage to the vehicle or its components.

  3. Disconnect the negative battery cable.

  4. Object Number: 313991  Size: MH
  5. Remove the hoses from the steering gear.
  6. Raise the hose up in order to prevent any oil drainage.
  7. Cap or tape the ends of the hose and the gear fittings in order to prevent contamination.
  8. Tag the hose locations.
  9. Remove the lower cardan type joint pinch bolt (3).
  10. Mark the relationship of the universal yoke to the stub shaft.
  11. Remove the pitman arm. Refer to Pitman Arm Replacement in Steering Linkage.
  12. Remove the steering gear frame bolts (8).
  13. Remove the steering gear.
  14. Use a soft mallet in order to tap lightly on the cardan joint yoke in order to remove the cardan joint from the steering gear stub shaft.

Installation Procedure


    Object Number: 313991  Size: MH
  1. Place the steering gear in position.
  2. Line up the marks made during the removal procedure in order to guide the stub shaft into the cardan type joint assembly.
  3. Notice: Use the correct fastener in the correct location. Replacement fasteners must be the correct part number for that application. Fasteners requiring replacement or fasteners requiring the use of thread locking compound or sealant are identified in the service procedure. Do not use paints, lubricants, or corrosion inhibitors on fasteners or fastener joint surfaces unless specified. These coatings affect fastener torque and joint clamping force and may damage the fastener. Use the correct tightening sequence and specifications when installing fasteners in order to avoid damage to parts and systems.

  4. Install the steering gear to the frame bolts (8), the spring washers (9) and the spacers (10).
  5. Tighten
    Tighten the bolts to 87.5 N·m (65 lb ft).

  6. Install the intermediate shaft pinch bolt (3).
  7. Tighten
    Tighten the pinch bolt to 102 N·m (75 lb ft).

    The pinch bolt (3) must pass through the shaft undercut.

  8. Install the pitman arm. Refer to Pitman Arm Replacement in Steering Linkage.
  9. Remove the plugs and the caps from the steering gear and the hoses.
  10. Install the hoses to the steering gear.
  11. Tighten
    Tighten the hose fittings to the specifications. Refer to Fastener Tightening Specifications .

Steering Gear Replacement 708 (Except I-Beam Front Axle)

Removal Procedure

  1. Place a drain pan under the steering gear.
  2. Caution: Unless directed otherwise, the ignition and start switch must be in the OFF or LOCK position, and all electrical loads must be OFF before servicing any electrical component. Disconnect the negative battery cable to prevent an electrical spark should a tool or equipment come in contact with an exposed electrical terminal. Failure to follow these precautions may result in personal injury and/or damage to the vehicle or its components.

  3. Disconnect the negative battery cable.

  4. Object Number: 313996  Size: SH
  5. Remove the hoses from the steering gear.
  6. Raise the hose up in order to prevent any oil drainage.
  7. Cap or tape the ends of the hose and the gear fittings in order to prevent contamination.
  8. Tag the hose locations.
  9. Remove the lower cardan type joint pinch bolt (4).
  10. Mark the relationship of the universal yoke to the stub shaft.
  11. Remove the pitman arm. Refer to Pitman Arm Replacement in Steering Linkage.
  12. Remove the steering gear frame bolts (1) and washers (2).
  13. Remove the steering gear.
  14. Use a soft mallet in order to tap lightly on the cardan joint yoke in order to remove the cardan joint from the steering gear stub shaft.

Installation Procedure


    Object Number: 313996  Size: SH
  1. Place the steering gear in position.
  2. Line up the marks made during the removal procedure in order to guide the stub shaft into the cardan type joint assembly.
  3. Notice: Use the correct fastener in the correct location. Replacement fasteners must be the correct part number for that application. Fasteners requiring replacement or fasteners requiring the use of thread locking compound or sealant are identified in the service procedure. Do not use paints, lubricants, or corrosion inhibitors on fasteners or fastener joint surfaces unless specified. These coatings affect fastener torque and joint clamping force and may damage the fastener. Use the correct tightening sequence and specifications when installing fasteners in order to avoid damage to parts and systems.

  4. Install the steering gear to the frame bolts (1) and the spring washers (2).
  5. Tighten
    Tighten the bolts to 87.5 N·m (65 lb ft).

  6. Install the intermediate shaft pinch bolt (4).
  7. Tighten
    Tighten the pinch nut to 102.5 N·m (76 lb ft).

    The pinch bolt (4) must pass through the shaft undercut.

  8. Install the pitman arm. Refer to Pitman Arm Replacement in Steering Linkage.
  9. Remove the plugs and the caps from the steering gear and the hoses.
  10. Install the hoses to the steering gear.
  11. Tighten
    Tighten the hose fittings to the specifications. Refer to Fastener Tightening Specifications .