GM Service Manual Online
For 1990-2009 cars only

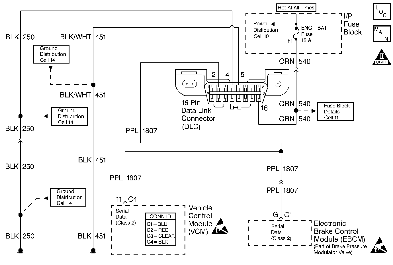
Object Number: 397440  Size: MF
Engine Controls Component Views
Engine Controls Schematics
OBD II Symbol Description Notice
Handling ESD Sensitive Parts Notice
Handling ESD Sensitive Parts Notice

Circuit Description

The Class 2 Serial Data circuit to the DLC allows bi-directional communication between the VCM and the scan tool. This is accomplished through pin 2 of the DLC. If the communication between the scan tool and the VCM cannot be established, use the procedure in the DLC Diagnosis table in order to diagnose the condition.

Diagnostic Aids

Check for the following items:

    • For the VCM to establish communication with the scan tool, system voltage must be between 9-16 volts. If the system voltage is not within this range, refer to Charging System Check in Engine Electrical for diagnosis.
    • Ensure that the correct application (model year, truckline, VIN code) has been selected on the scan tool.

An intermittent may be caused by any of the following conditions:

    • A poor connection
    • Rubbed through wire insulation
    • A broken wire inside the insulation

Thoroughly check any circuitry that is suspected of causing the intermittent complaint. Refer to Intermittents and Poor Connections Diagnosis in Wiring Systems.

If a repair is necessary, refer to Wiring Repairs or Connector Repairs in Wiring Systems.

Test Description

  1. This step determines if the scan tool is operating correctly.

  2. This step monitors the actively communicating modules with the scan tools Diagnostic Circuit Check function. An active module is a module that is successfully communicating on the Class 2 Serial Data line with the scan tool. An inactive module is a module which had previously established communication with the scan tool, but currently is not communicating. If a module is not listed at all, then the module never successfully established communications with the scan tool; refer to Data Link Communications System Check in Data Link Communications.

  3. This step isolates the VCM by disconnecting all the other components on the Class 2 Serial Data circuit. If VCM Class 2 Serial Data exists after disconnecting all other components on the Class 2 Serial Data circuit, refer to Data Link Communications System Check in Data Link Communications.

  4. This step determines if voltage is not available at the DLC due to an open battery feed fuse. If the fuse is open, determine if the open was due to a short in the battery feed circuit before replacing the fuse.

Step

Action

Value(s)

Yes

No

1

Important : Before clearing the DTCs, use the scan tool Capture Info to save the Freeze Frame and Failure Records for reference. The control module's data is deleted once the Clear Info function is used.

Did you perform the Powertrain On-Board Diagnostic (OBD) System Check?

--

Go to Step 2

Go to Powertrain On Board Diagnostic (OBD) System Check

2

Install the scan tool on a known good vehicle.

Does the scan tool display the VCM data?

--

Go to Step 4

Go to Step 3

3

Repair the scan tool or cables.

Is the action complete?

--

Go to Powertrain On Board Diagnostic (OBD) System Check

--

4

  1. Return to the original vehicle.
  2. Install the scan tool.
  3. Attempt to power up the scan tool.

Does the scan tool power up?

--

Go to Step 5

Go to Step 9

5

Verify that the correct vehicle application was selected on the scan tool.

Is the vehicle information correct?

--

Go to Step 6

Go to Powertrain On Board Diagnostic (OBD) System Check

6

  1. Turn ON the ignition.
  2. Monitor the Class 2 messages with the scan tool.

Are any of the modules on the Serial Data Circuit communicating?

--

Go to Step 13

Go to Step 7

7

  1. Turn OFF the ignition.
  2. Disconnect the components sharing the Serial Data Circuit leaving the VCM connected.
  3. Turn ON the ignition leaving the engine OFF.

Does the scan tool display the VCM data?

--

Go to Data Link Communications System Check in Data Link Communications.

Go to Step 8

8

  1. Turn OFF the ignition.
  2. Disconnect the VCM C4 connector.
  3. Probe the Class 2 Serial Data Circuit (DLC pin 2) with a test lamp connected to B+.

Is the test lamp ON?

--

Go to Step 20

Go to Step 13

9

Probe the battery positive voltage circuit (DLC pin 16) with a test lamp connected to ground.

Is the test lamp ON?

--

Go to Step 10

Go to Step 12

10

Probe the ground circuit (DLC pin 4) with a test lamp connected to B+.

Is the test lamp ON?

--

Go to Step 11

Go to Step 16

11

Probe the ground circuit (DLC pin 5) with a test lamp connected to B+.

Is the test lamp ON?

--

Go to Step 18

Go to Step 16

12

Inspect the fuse in the fuse block.

Is the fuse OPEN?

--

Go to Step 14

Go to Step 15

13

Check for an open or poor connection in the Class 2 Serial Data Circuit.

Did you find a problem?

--

Go to Step 17

Go to Step 19

14

  1. Check for a short to ground in the battery feed circuit and repair as necessary. Refer to Wiring Repairs in Wiring Systems.
  2. Replace the open fuse.

Is the action complete?

--

Go to Step 23

--

15

Repair the open in the battery feed circuit. Refer to Wiring Repairs in Wiring Systems.

Is the action complete?

--

Go to Step 23

--

16

Repair the open in the DLC ground circuit. Refer to Wiring Repairs in Wiring Systems.

Is the action complete?

--

Go to Step 23

--

17

Repair the open or poor connection in the Class 2 Serial Data Circuit. Refer to Wiring Repairs or Connector Repairs in Wiring Systems.

Is the action complete?

--

Go to Step 23

--

18

Check for poor connections or improper mating at the DLC connector.

Did you find a problem?

--

Go to Step 21

Go to Diagnostic Aids

19

Check for a poor connection of the Class 2 Serial Data Circuit at the VCM and DLC harness connectors.

Did you find a problem?

--

Go to Step 21

Go to Step 22

20

Repair the short to ground in the Class 2 Serial Data Circuit. Refer to Wiring Repairs in Wiring Systems.

Is the action complete?

--

Go to Step 23

--

21

Repair the circuit as necessary. Refer to Wiring Repairs or Connector Repairs in Wiring Systems.

Is the action complete?

--

Go to Step 23

--

22

  1. Replace the VCM.
  2. Program the new VCM. Refer to VCM Replacement/Programming .
  3. Perform the CKP System Variation Learn Procedure.
  4. Refer to Crankshaft Position System Variation Learn .

Is the action complete?

--

Go to Step 23

--

23

Does the scan tool display any additional undiagnosed DTC?

--

Go to the applicable DTC table

System OK